Визначення навантажень на раму.ppt
- Количество слайдов: 33
Визначення навантажень на раму однопрольотної будівлі • 1. Постійні навантаження • 2. Змінні: снігові і вітрові • 3. Кранові: вертикальні і горизонтальні від бічних сил
1. Постійні навантаження • На раму промислової будівлі діють постійні навантаження від ваги: • Покриття (ферма, зв'язки, сендвіч панелі) • Стінового огородження (сендвіч панелі) • Колон
Схема прикладання постійного навантаження від покриття
Навантаження на колони
Кранові навантаження на раму каркасу промбудівлі 1. Вертикальні навантаження: 1. 1. Визначення характеристичних значень тиску коліс: Fn, max Fn, min 1. 2. Визначення розрахункової ситуації (положення кранів на коліїї) 1. 3. Визначення граничного розрахункового значення вертикального навантаження: Dmax, Dmin 2. Горизонтальні навантаження спрямовані поперек кранової колії: 2. 1. Визначення характеристичних значень тиску коліс: Нк, Нс. 2. 2. Визначення розрахункової ситуації (положення кранів на колії) 2. 3. Визначення граничного розрахункового значення горизонтального навантаження: Нmax, Hmin 3. Визначення варіантів прикладання кранових навантажеь
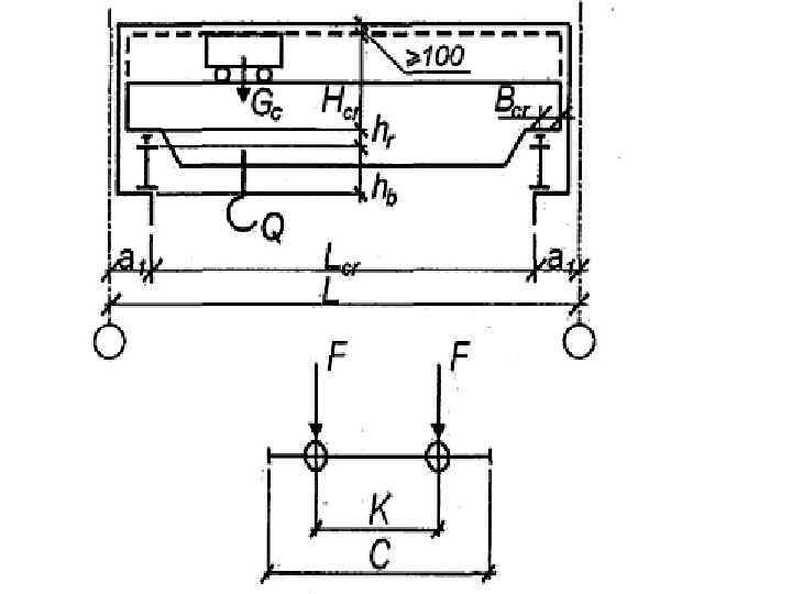
Характеристика мостових кранів
Три складові кранового навантаження
Мінімальне і максимальне значення характеристичного тиску коліс
Визначення мінімального характеристичного значення вертикального тиску коліс крана (до 50 т)
Визначення граничного розрахункового значення вертикального тиску коліс крана
Визначення розрахункової ситуації
Визначення розрахункового граничного вертикального навантаження на колони
Характеристичні значення бічного тиску коліс
Визначення розрахункової ситуації для визначення граничного розрахункового значення горизонтального навантаження для 4 -х колісних кранів (від одного крана)
Визначення навантажень на раму.ppt