3D модель 2013.ppt
- Количество слайдов: 83
Трехмерная модель куба
Системы двухмерного моделирования распознают геометрические формы, определяемые точками, прямыми или кривыми только на плоскости; Каждый вид некоторого объекта (главный вид, вид сверху…) может быть выполнен лишь как отдельная фигура, которая рассматривается системой вне связи с любыми другими видами.
Ортогональный чертеж фигуры
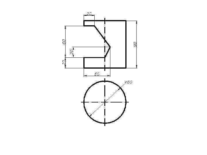
Распознавание трехмерной системой ортогонального чертежа
Трехмерное моделирование делится на три вида: каркасное; поверхностное; твердотельное (сплошное)
Каркасное моделирование Каркасная модель полностью описывается в терминах точек и линий. Каркасное моделирование представляет собой моделирование самого низкого уровня и имеет ряд серьезных ограничений, большинство из которых возникает из-за недостатка информации о гранях, заключенных между ребрами, и невозможностью выделить внешнюю и внутреннюю области изображения твердотельного объема
Возможные интерпретации модели при каркасном моделировании
Пример разрушения каркасной модели
Поверхностное моделирование Поверхностная модель определяется с помощью точек, линий и поверхностей. Таким образом, ее можно рассматривать как модель более высокого уровня, чем каркасная модель, и, следовательно, как более гибкую и многофункциональную. Метод поверхностного моделирования наиболее эффективен при проектировании сложных криволинейных поверхностей, изготавливаемых из листового материала, например, элементов кузова автомобиля.
Образование геометрических поверхностей
Образование трехмерного объекта поверхностями
Пример образования поверхностей вращения
Твердотельное моделирование Твердотельная модель описывается в терминах того трехмерного объема, который занимает определяемое ею тело. Неоспоримыми преимуществами твердотельной модели являются: Полное определение объема и формы; Обеспечение автоматического удаления невидимых (скрытых) линий; Автоматизированное построение трехмерных разрезов проектируемого изделия, что особенно важно при анализе сложных сборочных единиц; Автоматическое получение точных значений массы, площади поверхности, центра тяжести, момента инерции для любой детали изделия в целом; Повышение эффективности имитации движения инструмента или рабочих органов изделия; Наконец, наличие разнообразной палитры цветов, управление цветовой гаммой, получение тоновых эффектов – всего того, что способствует получению качественного изображения формы.
Булевы операции Процесс создания конструкции основан на использовании булевых операций (булевы операции базируются на понятиях алгебраической теории множеств). Действие трех булевых операций – объединения, разности и пересечения – проиллюстрировано на практических примерах твердотельных моделей.
Операция объединения определяет пространство внутри внешней границы составной фигуры, полученной из двух тел. Результат объединения двух фигур А и Б представляет собой заштрихованную область А и Б. Таким образом, операция объединения определяет результирующую составную фигуру как один элемент.
Операция разности определяет пространство, оставшееся от одной фигуры после вычета общей области двух фигур. То есть А-Б есть множество точек, принадлежащих А, но не принадлежащих Б.
Операция пересечения определяет пространство внутри границ общей области фигур (то есть множество точек, принадлежащих обеим фигурам.
3 D-технология построения чертежа
Рабочее пространство 3 D моделирования
Открытие старого чертежа в новом рабочем пространстве
Окно выбора вида
Системы координат
3D модель 2013.ppt