6bf23518d264290da70b663bfe9cfb03.ppt
- Количество слайдов: 82
Teknologi Internet Murmer Onno W. Purbo onno@itb. ac. id April 1999
Focus z. Experience in Building an AII. z. Low Cost Technology To Educate Indonesia. Low cost is the real challenge
Outline z. Historical Perspective z. Low Cost Internet Access.
Internet Discussion Group z. YBNET-L@ITB. ac. id ymail to majordomo@itb. ac. id ymessage “subscribe ybnet-l” yplease confirm on request from majordomo zsysop-l@itb. ac. id ymail to majordomo@itb. ac. id ymessage “subscribe sysop-l” yplease confirm on request from majordomo
Indonesia Topology Jan. 1993
AI 3 Indonesia WIDE APAN AI 3 Indonesia CA*net 3 Trans. PAC STARTAP S-One / Singa. REN IIX v. BNS
Success Factor z. Community based development. z. Human Resource Development y. Culture! y. Shifting mind set! z. Self-financing.
Internet Access Tech
Assumption z. PC Multimedia Available. . z. VHF / UHF Rig Available. . z. You have Rp. 30. 000 in your pocket. .
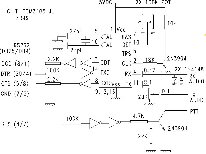
Sound Card Packet Radio
Sound Card Packet Radio z. Spec: y 1200 -9600 bps y. PC + Sound Card + Radio z. URL: yhttp: //home. pages. de/~flexnet/ z. Search Internet: (Keyword) yflexnet
Sound. Card Connection z Computer z Radio / Rig / HT z Mic PC z Speaker HT z Mic HT z PTT
PTT Flex. Net via Serial
PTT Flex. Net via Printer
PTT Flex. Net via MIDI
PTT Flex. Net via VOX
Assumption z. PC DOS Available. . z. VHF / UHF Rig Available. . z. You have Rp. 300. 000 in your pocket. .
Bay. Com Packet Radio
Bay. Com Packet Radio z. Spec: y 1200 y. PC 286 + Bay. Com Modem + Radio z. URL: yhttp: //xxx. itb. ac. id/~yc 1 dav/beginner/ yftp: //ftp. ucsd. edu/hamradio/packet/tcpip/ z. Search Internet: (Keyword) ybaycom
Install NOS z/spool/mqueue z/spool/mail z/spool/news z/pub zautoexec. nos zdomain. txt zax 25. com
autoexec. nos zhostname yd 3 fua. ampr. org zax 25 mycall yd 3 fua zip address 44. 132. 136. 10 zattach packet 0 x 60 ax 1 2048 1024 zstart smtp zsmtp gateway 44. 132. 136. 1 zroute add default ax 1 44. 132. 136. 1
domain. txt z. Yb 3 bdl. ampr. org. IN zyb 1 hr. ampr. org. IN zyc 1 dav. ampr. org. IN A A A 44. 132. 138. 2 44. 132. 18. 1 44. 132. 80. 1
Baycom Packet Radio
Assumption z. PC Available. . z. LAN Available. . z. Telp Available. . z. You can pay Rp. 10. 000 / hour z. You can buy modem
Shared Web Access
Shared Web Access z. Spec: y 33. 6 Kbps y. PC Windows / Linux / Free. BSD + phone z. URL: yhttp: //www. download. com z. Search Internet: (Keyword) ywingate yproxy ysock
Dial Shared Web Access
Assumption z. PC Available. . z. LAN Available. . z. Telp Available. . z. You can pay Rp. 10. 000 / 6 Mbyte mail z. You can buy modem
Virtual Host
Virtual Host z. Spec: y 33. 6 Kbps y. PC Windows / Linux / Free. BSD + phone z. URL: yhttp: //www. download. com z. Search Internet: (Keyword) yvpop ynetgate yavirt
Virtual Host
Assumption z. PC Available. . z. You have Rp. 3. 000 in your pocket. . z. You are able to solder. .
Homebrew 64 -200 Kbps
64 -200 Kbps Packet Radio z. Spec: y 64 -200 Kbps y. PC Linux + Homebrew 64 -200 Kbps z. URL: yhttp: //xxx. itb. ac. id/~adnan/
Homebrew 64 -256 Kbps packet radio z. We are prototyping 64 -256 Kbps packet radio network in the lab by adnan@itb. ac. id. z. AX. 25 link layer protocol is used. z. GMSK MX 589 one chip modem is used. z. We drive the modem via parallel port. z. MMIC Minicircuit is being build for transverter.
Block Diagram
Homebrew 64 -200 Kbps Modem
TX & RX Board VHF CB Frequency
Assumption z. You are a large group of people z. You can spare US$3000
Wave. LAN CDMA
Wave. LAN CDMA z. Spec: y 2 Mbps y 5 -10 km distance y. Builtin Router + Ethernet connector z. URL: yhttp: //hydra. carleton. ca
Homebrew 2 Mbps CDMA z. Uses CDMA 2 Mbps card 915 MHz & 2. 4 GHz z. Run on Free. BSD. z. Homebrew antenna (cost ~US$150). z. Max. distance 15 km (use PA for more). z. Most of our high speed MAN using this technology.
Wave. LAN (CDMA)
Internet Discussion Group z. YBNET-L@ITB. ac. id ymail to majordomo@itb. ac. id ymessage “subscribe ybnet-l” yplease confirm on request from majordomo zsysop-l@itb. ac. id ymail to majordomo@itb. ac. id ymessage “subscribe sysop-l” yplease confirm on request from majordomo
Other Applications
Internet Telephone
Internet Telephone
Internet Telephone
Internet Call Waiting
Dialer
Video Conference
Low Cost Access for Schools z. AX. 25 1200 bps Packet Radio Network. z. Proxy Server. z. Dial on Demand for Web & Interactive Internet Access.
Amateur Packet Network z. Jakarta z. Bandung z. Malang z. Salatiga
YBNET ampr. org z. ORARI member z. Coordinate via YBNET-L@ITB. ac. id z. IP 44. 132. x. x z http: //xxx. itb. ac. id/~yc 1 dav/ip/44 -132. htm
UNIV. MUHAMMADIYAH MALANG AMPR. ORG NET YB 2 SV (JOS SOEJOSO) SALATIGA ITB GATEWAY ELEKTRINDO NUSANTARA
YBNET ampr. org z. ORARI member z. Coordinate via YBNET-L@ITB. ac. id z. IP 44. 132. x. x z http: //xxx. itb. ac. id/~yc 1 dav/ip/44 -132. htm
Amateur Packet Satellite
CNRG z. Computer Network Research Group ITB zhttp: //xxx. itb. ac. id/~cnrg/
CNRG z. Human resource is the key success
References zhttp: //ai 3. itb. ac. id/ zhttp: //xxx. itb. ac. id/~yc 1 dav/ zhttp: //xxx. itb. ac. id/~cnrg/ zhttp: //xxx. itb. ac. id/~adnan/ zhttp: //distance-courses. itb. ac. id/ zhttp: //virtual-university. itb. ac. id/ zhttp: //netmon. itb. ac. id/ zhttp: //nic. itb. ac. id/
6bf23518d264290da70b663bfe9cfb03.ppt