Схемы распределительных устройств (РУ) электростанций и подстанций Одиночная




































































1614-3_skhemy_ru_elektrostantsy_i_podstantsy_2012_o.ppt
- Количество слайдов: 68
Схемы распределительных устройств (РУ) электростанций и подстанций
Одиночная система сборных шин (ССШ)
ЛР В От источников ШР ШР ССШ Л1 Л2 Л4 Л3
Достоинства: Область применения: практически не применяется. Недостатки:
Одиночная секционированная выключателем система сборных шин
От источников 1С 2С 1а СВ1 (СВ2)
Одиночная секционированная выключателем система сборных шин
От источников 1С 2С В1 Р1 Р2 1б
Достоинства: Недостатки: Область применения:
Одиночная секционированная выключателем система сборных шин с обходной 2а
От источников ОВ2 ОВ1 СВ И1 В6 ШР ЛР ОР И2 С1 С2 2а
1 Вариант 1 Вариант 2 Вариант 3
Достоинства: Область применения: Недостатки:
Две рабочие системы сборных шин
ШСВ 4 8 7 Л3 6 5 Л4 Л2 Л1 От источников 10 9 И2 И1 2ССШ 1ССШ 3 3 12 14 13 11
Достоинства: Недостатки: Область применения:
Две системы сборных шин с обходной
ШСВ От источников 2СШ 1СШ 4а Л1 Л2 Л3 Л4 Л5
Область применения: Достоинства: Недостатки:
Две секционированные выключателями системы сборных шин с обходной
От источников От источников ШСВ1 ШСВ2 4б 12 и более присоединений (ЛЭП, тр-ров)
Область применения:
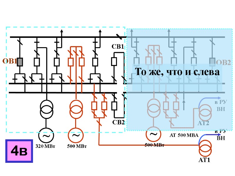
Две секционированные выключателями системы сборных шин с обходной и с трансформаторами и автотрансформаторами 500 МВА и более
ОВ2 ОВ1 СВ1 СВ2 в РУ ВН 4в АТ 500 МВА 500 МВт в РУ ВН
Схемы РУ на напряжении 330 кВ и выше Требования:
Схема с тремя выключателями на две цепи («Полуторная» схема)
От генераторов 5а В1
Достоинства: Недостатки:
Полуторная схема (с чередованием мест подключения линий и трансформаторов).
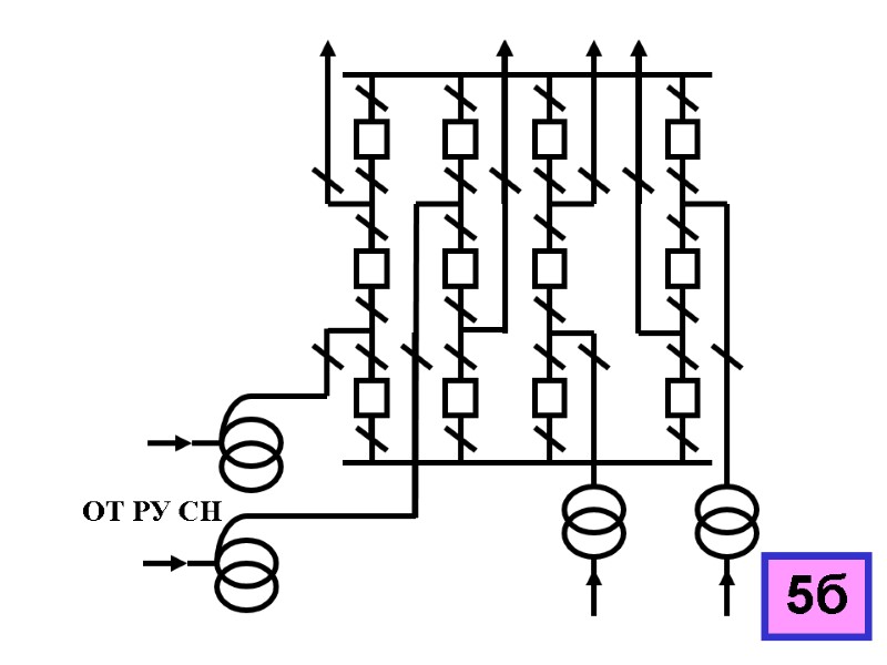
ОТ РУ СН 5б
Схема с четырьмя выключателями на три цепи (Схема «4/3») (четырехрядное расположение выключателей)
а) 6а 2 1 4 3 Тр
6б Схема 4/3 (1.33) (двухрядное расположение выключателей)
Четырехугольник Кольцевые схемы.
От источников 1 4 2 3 Тр 1 Тр 2
Область применения: Достоинства: Недостатки:
РУ ВН (110 – 220 кВ) РУ ГН (6,3 – 10,5 кВ) Схемы ТЭЦ на генераторном напряжении
Одиночная секционированная выключателем система шин
Р У высокого напряжения 1 1с 2с 1 – собственные нужды 2 - Местная нагрузка РУ ГН 1 СР
1 – собственные нужды 2 - Местная нагрузка РУ ВН 1с 2с 3с СР1 СР2 СР3
1 – собственные нужды 2 - Местная нагрузка РУ ВН 1 1 1 1С 2С 3С 4С ~ 1 1С 2С 3С 4С 1СР 2СР 3СР 4СР
Две системы шин на генераторном напряжении.
2 ~ 2 ~ 2 ~ ШСВ3 ШСВ2 ШСВ1 1 См. секцию №1 См. секцию №1 РУ ВН Резервная ССШ Рабочая секционированная ССШ
2 ~ ШСВ3 ШСВ2 ШСВ1 1 РУ ВН См. секцию №1 См. секцию №1 См. секцию №1 ШСВ4 СР1 СР2 СР3 СР4
Схемы с отделителем Упрощенные схемы
РЗ тр УПС Л2 ЛЭП Л3 Л1 U=110 кВ ГВ АПВ ОД
Область применения
Схема с отделителем и короткозамыкателем
ОД РЗ ЛЭП УПС Л3 ЛЭП U=110 кВ ГВ АПВ Область применения РЗ Т
Мостиковые схемы Мостик с выключателями
Схема трансформаторы – шины с присоединением линий через два выключателя.
Вариант 1 1ССШ 2ССШ
Область применения
Вариант 2 1ССШ 2ССШ
Схема трансформатор – шины с присоединением линий через полтора выключателя.
2ССШ 1ССШ Ат1 Ат2 Л1-1 Л1-2 Л2-1 Л2-2 Л3 Л4 Область применения:
Л1-1 Л1-2 Л2-1 Л2-2 Ат1 Ат2
Схемы подстанций на низшем напряжении.
Одиночная секционированная выключателем система шин.
РУ ВН СВ АВР СВ РУ 6 – 10 кВ
Две одиночные секционированные выключателями системы шин.
Схемы включения сдвоенных реакторов на ПС большой мощности

