Скачать презентацию СУММАТОРЫ Вычислительная техника Сумматор по модулю 2 Скачать презентацию СУММАТОРЫ Вычислительная техника Сумматор по модулю 2

СУММАТОРЫ.pptx

  • Количество слайдов: 33

СУММАТОРЫ Вычислительная техника СУММАТОРЫ Вычислительная техника

Сумматор по модулю 2 Разделительная дизъюнкция, сумма Жегалкина Вход X Вход Y Выход 0 Сумматор по модулю 2 Разделительная дизъюнкция, сумма Жегалкина Вход X Вход Y Выход 0 0 1 1 1 0

Принципиальная схема Условно-графическое изображение Принципиальная схема Условно-графическое изображение

Сумматор по модулю 2 Вход X Вход Y Выход 0 0 1 1 1 Сумматор по модулю 2 Вход X Вход Y Выход 0 0 1 1 1 0 Необходим перенос в следующий разряд

Полусумматор Формирует перенос в следующий двоичный разряд Выход S – Нижний разряд Выход PO Полусумматор Формирует перенос в следующий двоичный разряд Выход S – Нижний разряд Выход PO – перенос в следующий разряд Output (англ) – выход

Полусумматор Вход A Вход B Выход S 0 0 1 1 1 0 Выход Полусумматор Вход A Вход B Выход S 0 0 1 1 1 0 Выход PO

Полусумматор Вход A Вход B Выход S Выход PO 0 0 0 1 1 Полусумматор Вход A Вход B Выход S Выход PO 0 0 0 1 1 0 1 0 1

Принципиальная схема Условно-графическое изображение Принципиальная схема Условно-графическое изображение

Полный двоичный сумматор Одноразрядный Учитывает перенос из нижнего разряда Вход PI – вход для Полный двоичный сумматор Одноразрядный Учитывает перенос из нижнего разряда Вход PI – вход для переноса из нижнего разряда Input (англ) – вход

Полный двоичный сумматор Вход PI Вход A Вход B Выход S Выход PO 0 Полный двоичный сумматор Вход PI Вход A Вход B Выход S Выход PO 0 0 0 1 1 0 0 1 0 1 1 1

Полный двоичный сумматор Вход PI Вход A Вход B Выход S Выход PO 0 Полный двоичный сумматор Вход PI Вход A Вход B Выход S Выход PO 0 0 0 0 1 1 0 0 1 0 1 1 1 0 0 1 1 1

Принципиальная схема Принципиальная схема

Условно-графическое изображение Условно-графическое изображение

Многоразрядный сумматор Многоразрядный сумматор

Условно-графическое изображение Условно-графическое изображение

ДЕШИФРАТОРЫ ДЕШИФРАТОРЫ

Дешифратор Преобразовывает n-разрядный двоичный код в унитарный код с числом разрядов не более 2 Дешифратор Преобразовывает n-разрядный двоичный код в унитарный код с числом разрядов не более 2 n Преобразование по таблицам истинности

Дешифратор Преобразование входного 4 - разрядного двоичного кода в унитарный 10 -разрядный код Дешифратор Дешифратор Преобразование входного 4 - разрядного двоичного кода в унитарный 10 -разрядный код Дешифратор 4× 10

Дешифратор А B C D 0 1 2 3 4 5 6 7 8 Дешифратор А B C D 0 1 2 3 4 5 6 7 8 9 0 0 1 0 0 0 0 0 0 1 0 0 0 1 1 0 0 0 0 1 0 0 0 1 0 0 0 1 1 0 0 0 0 1 1 1 0 0 0 0 0 0 1 0 0 0 0 0 1

Условное графическое обозначение Условное графическое обозначение

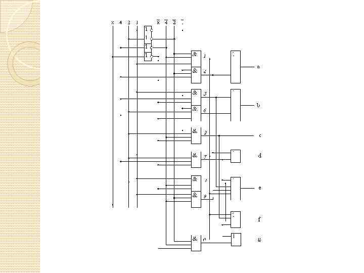
Семисегментный индикатор Семисегментный индикатор

A B C D a b c d e f g 0 0 1 A B C D a b c d e f g 0 0 1 1 1 0 0 1 0 1 1 0 0 1 1 1 0 0 0 1 1 0 1 1 0 1 0 1 1 1 0 0 1 0 0 0 1 1 1 1 0 0 1 1 1 0 1 1 0 0 1 1 1 1 0 0 1 1 1 0 1 0 1 1 1 1 0 0 1 1 1 1 1 0 0 0 1 1 1

Условно-графическое изображение Условно-графическое изображение

МУЛЬТИПЛЕКСОРЫ МУЛЬТИПЛЕКСОРЫ

Мультиплексор Устройство, которое позволяет подавать сигнал с одного из нескольких входов на один выход Мультиплексор Устройство, которое позволяет подавать сигнал с одного из нескольких входов на один выход

Коммутатор на ключах Функции ключа с электронным управлением цифровым сигналом Коммутатор на ключах Функции ключа с электронным управлением цифровым сигналом

Простейший цифровой ключ управляющий информационн ый Вход X Вход Y Выход 0 0 1 Простейший цифровой ключ управляющий информационн ый Вход X Вход Y Выход 0 0 1 1 1

Схема коммутатора Схема коммутатора

Принципиальная схема Информационн ые входы Адресные входы Принципиальная схема Информационн ые входы Адресные входы

Мультиплексор Мультиплексор

Демультиплексор Передача сигнала с одного входа микросхемы на один из нескольких выходов Демультиплексор Передача сигнала с одного входа микросхемы на один из нескольких выходов