6e795d33f82c849ce05b8c5e9492f731.ppt
- Количество слайдов: 64
Smart Grid Technology and the Future Power System Dr : Giddani Osman Addalan Kalcon Sudan University of Science and Technology School of Electrical and Nuclear Engineering
ØGiddani Osman Adalan Kalcon: ØB. Eng (Honors) and M. Sc. degrees in power system and machines from Sudan University of Science and Technology in 2001 and 2006 respectively. ØPh. D. in advanced power engineering from Strathclyde University, Glasgow, U. K, in 2011. ØResearch interest: üwind farm power integration. ü HVDC transmission system üSmart Grid Technology ØGiddani published more than 20 Papers in international Journals and Conferences.
Introduction ØElectric power systems constitute the fundamental infrastructure of modern society. ØElectric power grids and distribution networks reach virtually every : üHome. ü Office. ü Factory. ü and institution in developed countries. ØThe conventional existing electrical is based on alternating current (AC) systems regarding:
üGeneration. ü Transmission. üDistribution of the electricity supply. ØThe conventional electrical is interconnected network expanded hundreds and even thousands of kilometres. ØConventional network proven to be effective in transmission and distribution of electrical power but with challenges for power system operators (continuity and quality of supply).
Challenges of conventional grid ØReliable network (Adequacy, security, quality). ØSeveral cascading failures during the past 40 years spotlighted the need to develop of emergency controls and restoration. Øfrequency and voltage stability. ØLong-distance transmission requires special arrangements to keep the voltage at rated value, whilst reducing transmission losses. ØIn AC systems, the fault in part of the network will propagate and affect the whole system.
ØThe traditional network had negative impact on environment, more than 25% of emission of CO 2 is came from electrical power system. ØThe high ground impedance (zero sequence) in ac system not only affect efficient power transfer but also cause communication interference. ØAC transmission systems do not allow the input of additional power at any point with a low short circuit ratio, without causing power and voltage stability problems (not possible to connect renewable). ØNon-synchronized grids operation is not possible.
Characteristics of conventional grids ØInclude centralized generation plants. ØNot clean and depend on fossil power generation (no renewable generation). ØUnidirectional in nature, where the electricity flows from power generation facilities to end users. ØThe infrastructure is overstrained and interregional bulk transfer is limited. ØLong transmission system reduce overall efficiency. ØNeed spinning reserve generation
Ø Many obstacles for integration of renewable generation Ø Less reliable (outage) Ø Fluctuating quality of power Ø Zero customer participation and Consumers are under-informed Ø Low billing and collecting efficiency
Definitions ØDefinition and description of smart grid are not necessarily unique, as its vision to stakeholders and the technological complexities can be different. üElectrical network with green source and advance technology. üCommunication. üMutual information
Ontario Smart Grid Forum ØA smart grid is a modern electric system and It uses: ü communications, sensors, automation and computers to improve the flexibility, security, reliability, efficiency, and safety of the electricity system. ØIt offers consumers increased choice by facilitating opportunities to control their electricity use and respond to electricity price changes by adjusting their consumption ØA smart grid includes diverse and dispersed energy resources and accommodates electric vehicle charging. It facilitates connection and integrated operation. ØIn short, it brings all elements of the electricity system production, delivery and consumption closer together to improve overall system operation for the benefit of consumers and the environment”.
The U. S. Department of Energy ØAn automated. Ø Widely distributed energy delivery network. Ø The Smart Grid characterized by a two-way flow of electricity and information and will be capable of monitoring everything from power plants to customer preferences to individual appliances. ØIt incorporates into the grid the benefits of distributed computing and communications to deliver real-time information and enable the near instantaneous balance of supply and demand at the device level.
Canadian Electricity Association ØThe smart grid is a suite of information based applications made possible by increased automation of the electricity grid, as well as the underlying automation itself. Ø This suite of technologies integrates the behavior and actions of all connected supplies and loads through dispersed communication capabilities to deliver sustainable, economic and secure power supplies.
Characteristics of smart grids ØAdaptive and self healing: less reliance on operators, particularly in responding rapidly to changing conditions and disturbance events. ØPredictive: in terms of applying operational data to equipment maintenance practices and even identifying potential outages before they occur. ØIntegrated: in terms of real-time communications and control functions. ØDecentralized electrical power systems: the bulk generation system is distributed among the network. ØEnables informed participation by customers: Consumers help balance supply and demand by modifying the way they use and purchase electricity.
ØTwo way: where the electricity and information flows from power generation facilities to customers or in reserve. ØAccessible: granting connection access to all network users, particularly for renewable power sources and high efficiency local generation. ØClean and green: Smart grid accommodates not only large, centralized power plants, but also the growing array of customersited distributed renewable energy resources. ØReliable: improving security and quality of supply, consistent with the demands of the digital age with resilience to hazards and uncertainties. ØEconomy: efficient power management reduce the energy cost by reducing system losses, power plant scheduling, storing power and releasing at peak demand. ØSecure: from attack and naturally occurring disruptions. Include HVDC , FACT devices and storage systems
Why Smart Grid ØImproving Power Reliability and Quality: Better monitoring using sensor networks and communications and faster balancing of supply and demand ØMinimizing the Need to Construct Back-up (Peak Load) Power Plants: Better demand side management with advanced metering infrastructures. ØImproving Resilience to Disruption and Being Self -Healing: Better monitoring using sensor networks and communications and Distributed grid management and control.
ØUtilization of Renewable and Distributed Energy Sources: Better monitoring using sensor networks and communications, better control and resource management in real-time, Better demand side Management. ØReducing greenhouse gas emissions: Supporting use of electric vehicles and Renewable power generation with low carbon footprint ØReducing oil consumption: Supporting the use of electric vehicles and Renewable power generation with low carbon footprint. ØIncreasing consumer choice: The use of advanced metering , Home automation, Energy smart appliances and better demand side Management
The roadmap to smart grid ØHigh penetration of clean generation plants. ØDemand response and load management. ØIntelligent transmission and distribution automation. ØDistributed grids (micro-generation). ØStorage systems and FACT devices. ØAdvance metering infrastructure. ØNetwork communication technology. ØWide area situational awareness (intelligent sensors). ØCyber security
Electricity generation in the smart grid Øbulk generators from renewable and non-renewable sources in bulk quantities connected to the transmission levels. ØBulk generation plants, are large centralized facilities that have excellent economies of scale. Ø However, electricity has to travel long distances to reach customers and as a result large amount of energy is lost and line may overloaded.
ØThe smart grid include distributed or dispersed generation, where many energy sources of small size – called Distributed Energy Resources (DER) – will be dispersed along the transmission, distribution and customer domains. ØA DER may be owned by either a consumer or supplier of electricity and can operate either independently or interconnected with the grid such as solar panels and wind mills.
Distributed/ microgeneration ØReduce the stress and loss in existing transmission system and support electrical energy needs in remote and rural areas. ØA micro-grid refers to a controlled system of a cluster of loads and distributed microenergy sources that can provide electrical power to its neighboring areas.
ØA micro-grid considered to be building blocks smart grids with multiple small-scale renewable energy. ØIt includes a variety of small power generating sources and energy storage systems. ØA micro-grid coupled with the utility power grid through point of common coupling (PCC). ØThe electrical energy flow in either direction through this coupling, based on the energy generated within the micro-grid and the demands of the consumers.
The capability of islanding a micro-grid offers several advantages. For example, a micro-grid can provide selfhealing in the event of an outage in the utility grid by switching to islanded mode and then can switch back once the disturbance is over.
Electricity transmission in the smart grid ØIn today’s electrical grids are equipped with automation systems using RTUs and other control devices in substations and generation plants, connected to a Distributed Control System or to a centralizing SCADA/EMS system.
ØThe main goal of a TSO is to maintain stability on the electric grid by: üAngle and frequency monitoring. ü Steady-state balancing generation with demand. ü Disturbances and system failures analysis. ü Voltage stability monitoring. üImproved state estimation
ØThe smart grid bring range of new specific applications and technologies to improve the transmission system. üFACT devices. ü HVDC. ü Energy storage systems. ü Phasor Measurement Units (PMU). ü Dynamic Line Rating. üWide Area Measurement System (WAMS).
Energy storage systems Compressed air: stores the energy using a process where air is compressed during times of excess energy and the air is run through a turbine when power is needed. Flywheel: stores the excessive energy as kinetic energy in rotating mass during offpeak and released when needed.
Super capacitors: the capacitor is attractive due to its long life cycle and rapid charging using simple methods. Batteries: The Lithium-ion (Li-ion) battery is the most important type that offers high energy density compared to other systems, and has the potential to become the dominant energy storage means
Flexible AC Transmission (FACTS) ØThe basic applications of FACTS-devices are: üPower flow control. ü Increase of transmission capability. ü Voltage control, reactive power compensation. ü Stability improvement. ü Power quality improvement. ü Flicker mitigation. ü Interconnection of renewable and distributed generation and storages.
1. SVC, the most important FACTS devices, SVC’s are also used to dampen power swings, improve transient stability, and reduce system losses. 2. TCSCs, The main benefits of TCSCs are increased energy transfer, dampening of power oscillations, dampening of sub-synchronous resonances, and control of line power flow. 3. STATCOMs , Like SVC used to dampen power swings, improve transient stability, and reduce system losses
4. UPFC, Connecting a STATCOM, which is a shunt connected device, with a series branch in the transmission line via its DC circuit results in a UPFC. This device is comparable to a phase shifting transformer but can apply a series voltage of the required phase angle instead of a voltage with a fixed phase angle. The UPFC combines the benefits of a STATCOM and a TCSC.
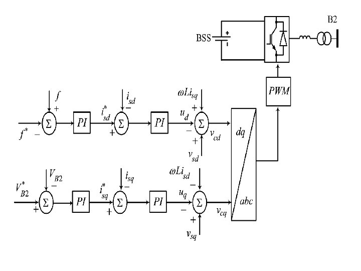
HVDC ØThe main component of an HVDC system is the conversion station which converts from ac to dc and vice versa. ØHVDC systems address most of the challenges associated with HVAC facilitating power transmission over long distances, prevention of disturbance propagation, connection of nonsynchronized grids, and long submarine cable transmission.
(VSC-HVDC) AND (CSC-HVDC)
Advantages of HVDC ØLow net transmission losses for the same power capacity. ØHVDC transmission carry up to 2. 5 times the capacity of an ac line of similar voltage. ØLack of technical limitations on the length of a submarine cable. Ø Asynchronous connection of two ac systems. Ø Reduces the dependency on the short circuit ratio (SCR), which is critical in the connection of offshore wind farms and solar system.
ØPower flow is fully controlled (magnitude and direction). ØProvides frequency and voltage regulation to the ac network. ØDecouples and improves the stability of the ac power system (as the ac fault in one network will not be seen by the other network). ØThe environmental impact is more favourable with dc lines because less right of way is required.
Electricity distribution in the smart grid ØHistorically, distribution systems have included little telemetry, and almost all communications within the domain were performed by humans. Ø It was common that distribution substations were rarely connected to a central SCADA system, and even sometimes they were not automated at all.
ØAdvanced automation is used in smart grid known as advanced distribution automation (ADA). Ø The goal of ADA is the real-time adjustment of the distribution system to changing loads, generation, and failure conditions, usually without operator intervention in order to improve system reliability, power quality, and efficiency. ADA will allow DSO’s to: ümake the most of Distributed Energy Resources (DER), üAdvanced Metering Infrastructure (AMI) and üDemand-Response strategies,
Demand Side Management ØUtility companies managed the supply of energy to match customer demand at any given time. ØThe key goal of demand-side management is to allow the utility company to manage the user side electrical loads during peak load and reducing their energy consumption overall. ØDemand-side management techniques comprise two principal activities, demand response programs or load shifting and energy efficiency and conversion programs.
ØLoad shifting: demand response (DR) program transfer consumer load during periods of high demand to off-peak period. ØShifting peak demand flattens the load curve, allowing more electricity to be provide by less expensive base load generation. ØDR save the cost of building additional generation plants to meet future peak demand. Ø Energy efficiency and conversion programs: energy efficiency and conversion programs encourage customers to give up some of their energy use in return for money saving.
ØOne of the key challenges of designing demand-side management models includes the need for modeling customer behavior. ØOther challenges that must be overcome before deploying demand-response model include: ü modeling customer participation. ü developing decision-theoretic tools. üoptimizing pricing
ICT in the smart grid ØRobust, and secure Information and Communication Technologies are the core of a successful smart grid implementation. ØAll processes across the whole value chain (i. e. energy generation, transmission, distribution, consumption, marketing, retailing) are heavily based on ICT infrastructures.
ØCommunications between each component in the smart grid is extremely important to maximize the use of available electrical power in a reliable and cost effective way. ØHow to efficiently manage the new, intelligent power system and integrate it into the existing system has become one of the main challenges for the smart grid infrastructure. ØThe smart grid, may utilize various communications and networking technologies with its applications, which include both wired and wireless communications.
IT in the generation domain : Bulk generation and DER operations are automated by Industrial Control Systems (ICS), including mainly PLCs and DCS and other controllers. These systems also help human operators to start and stop the generators depending on the need. They play an important role in synchronizing and adjusting the voltage level with regards to the power grid to which they are connected.
Automation of electricity transmission: ØThe automation of the transmission power grid requires the use of Supervisory Control and Data Acquisition (SCADA). ØThe smart grid will bring a whole range of new specific applications and technologies to improve the transmission system automation. ØThe most relevant examples are the High. Voltage Direct Current (HVDC), Phasor Measurement Units (PMU), Dynamic Line Rating and Wide Area Measurement System (WAMS).
ØDynamic Line Rating uses sensors to identify the current carrying capability of a section of network in real time to optimize utilization of existing transmission assets, without causing overloads. ØPhasor Measurement Units (PMUs) are devices that provide high quality measurements of bus angles and frequencies using a common time source for synchronization. ØThey increase the reliability of the power grid by detecting faults early, increasing the power quality, enabling load shedding and other load control techniques.
ØWAMS evolved as an advanced measurement technology to collect information not available from contemporary supervisory control and data acquisition (SCADA) technology. ØWAMS technologies acquire field data and process them to extract value. ØData acquisition is accomplished with a new generation of data recording hardware (e. g. PMU) that produces high quality and high volume recordings that are virtually continuous. ØPMUs are considered the initial data source for Wide Area Monitoring and control (WAMS) applications, essential in regional transmission grids
Automation of power distribution Feeder automation aims at 4 main goals: üautomatic fault detection on feeders. üfault isolation and service restoration. üscheduled feeder section outage for maintenance. ümain transformer and feeder load transferring and balancing. ümain transformer and feeder phase load balancing.
ØRTUs and sensors are distributed all along the distribution grid at the distribution substations and transformers. ØBy monitoring digital signal status faults can be confined and alarms can be triggered in case of short-circuits, undercurrents and under-voltage conditions. ØThis is referred as Fault Detection, Isolation and Restoration (FDIR).
ØThe goal of Advanced Distribution Automation is the real-time adjustment of the distribution system to changing loads, generation, and failure conditions, usually without operator intervention in order to dramatically improve system reliability, power quality, and efficiency.
New technologies are developed to be part of the revolution of distribution automation towards ADA such as : Fault Detection Isolation and Restoration (FDIR). Topology Processor (TP). Distribution Power Flow (DPF). Integrated Voltage/Var Control (IVVC). Optimal Feeder Configuration (OFC). Distribution Contingency Analysis (DCA). Distribution State Estimation (DSE). Distribution Load Forecasting and Estimation (DLF/DLE).
ØDSO’s make the most of: ü Distributed Energy Resources (DER). ü Advanced Metering Infrastructure (AMI). ü Demand-Response strategies. ØBeing distributed all along the distribution system, including substations and feeders, Intelligent Electronic Devices (IED) will receive and send data from/to electronic multifunction meters, digital relays, controllers, etc.
Advanced metering infrastructure AMI infrastructure provides a two-way communication infrastructure between customers and utilities and it is one of the main ICT components to smarten the power grid. Such an infrastructure heavily depends on the installation of automated meter reading (AMR) devices, also simply known as smart meters.
ØMeasuring power usage in real-time, recording it, and sending these registers to the DSO or other third party providing energy services. ØMonitoring and informing the DSO, the customer and third parties about power quality. ØTrack customer usage parameters, such as total energy consumption, and keep a historical record. ØRemotely connect and disconnect customers from the power grid.
ØSend out alarms to the DSO in case of technical issues such as component failures or loss of power notifications. ØReact to real-time pricing signals received from the DSO or energy retailer. ØEnergy prepayment. ØRemotely receive and install firmware upgrades so as to incorporate new functionality. ØAnti-tampering and fraud detection.
ØThere are other elements that are a basic part of the AMI, such as the underlying communication infrastructure, the central Meter Data Management systems or the intermediate meter data concentrators. Meter data concentrators, or just data concentrators, are Intelligent Electronic Devices (IEDs) similar to RTUs that act as a gateway between MDM and smart meters. On the other hand, the Meter Data Management (MDM) system is a system comprised of several components, of which the customer records database is one of the most important.
Security in Smart Grid The challenges of ensuring cyber security in a smart grid are diverse in nature due to the diversity of the components and the contexts where smart grids are deployed. The cyber security objectives can be classified into the following three categories.
(i) Integrity. Protecting against the unauthorized modification or destruction of information. Unauthorized information access opens the door for mishandling of information, leading to mismanagement or misuse of power. (ii) Confidentiality. Protecting privacy and proprietary information by authorized restrictions on information access and disclosure. iii) Availability. Ensuring timely and reliable access to information and services. Availability can be compromised by disruption of access to information which undermines the power delivery


