582ae4436a316a93a84428f54c11d293.ppt
- Количество слайдов: 146
SERVICE SYSTEMS & ENGINEERING John Sum, Associate Professor Institute of Technology Management National Chung Hsing University 1
Outlines n n n n Service Systems Organization as a Service System (Oaa. S) Layer Structure of a Service System Service Management, SOT, Service Blueprint and SOA Service Science & Computing Service Engineering Epilogue: Service Labors Statistics
Service Systems 3
Systems View n Physical Systems q q Central nervous systems Immune systems Solar system Eco-systems n Business/Management q q q n Enterprises/NGO Information systems Factories Banks Accounting firms Engineering systems q q q Ventilation systems High Speed Rails Mechanical systems Information systems Internet 4
Systems View n What is a Service? q Service Science area Provider/client interaction that creates and captures value n A change in condition or state of an economic entity (or thing) caused by another n Intangible and perishable… created and used simultaneously n Deed, act, or performance n All economic activity whose output is not physical product or construction (http: //www. research. ibm. com/ssme/services. shtml) n
Systems View q Computer Science area n n A mechanism to enable access to one or more capabilities, where the access is provided using a prescribed interface and is exercised consistent with constraints and policies as specified by the service description (http: //www. oasisopen. org/committees/tc_home. php? wg_abbrev=soa-rm) A service is an abstract resource that represents a capability of performing tasks that represents a coherent functionality from the point of view of provider entities and requester entities. (http: //www. w 3. org/TR/ws-arch/#service)
Systems View q Economic Area n A service is a set of one time consumable and perishable benefits delivered from the accountable service provider, mostly in close coaction with his internal and external service suppliers, q effectuated by distinct functions of technical systems and by distinct activities of individuals, respectively, q commissioned according to the needs of his service consumers by the service customer from the accountable service provider, q rendered individually to an authorized service consumer at his/her dedicated trigger, q and, finally, consumed and utilized by the triggering service consumer for executing his/her upcoming business activity or private activity. (http: //en. wikipedia. org/wiki/Service_(economics)) q
Systems View n Examples of services q q q q q Transportation: Taxi, Bus, Train, Ferry, Airplane Logistics (carrier services), 3 PL Banking & Finance, Professional Consultant Government, Education, Health Care Travel Industry (e. g. Hotel, Travel Agents) Entertainment, Movies, Gambling Restaurant, Food & Beverage Google Search, Google Map, i. Tune, KKBox Internet Services, Telecom Services, Cloud Services
Systems View n In accordance with Service Research & Innovation Initiative, Special Interest Groups q q q q Healthcare IT Services Financial Intelligent Services/Knowledge Management Cloud Services Telco/Mobile Services Service Innovation/Engineering/Quality Cross Enterprise Collaboration Service Innovation for Public Sectors Service Innovation for Emerging Markets Environmental Services University Research Programs/New Curriculum Development IT for Agriculture HPC as Service Management & Marketing
Product-Service Systems n Definition q n A system that produces products and provides services to its customers is a product-service system. Examples q q Acer is a PS system. It produces notebooks and provides after-sell services. TV manufacturer is a PS system. It produces TV and provides after-sell services.
Product Systems n Definition q n This kind of systems does rarely exist. q q n n A system that solely produces products to its customers is called product system. Even an OEM will sell not just products manufacturing, but also with [service level] agreements in products delivery schedule, after-sell services, and others. So, better call these systems Product-Oriented System. Related concept: Good-Dominant Logic Supply Chain
Service Systems n Definition q A system that solely provides services to its customers is called service system. n Examples q Normally, companies in the service sector q Accounting firms, Banks, Law firms q Car repairing workshops q Restaurants, Hotels, KTV, Pubs/Bars q IT consultant firms q Marketing consultant firms Related Concept: Service-Dominant Logic Service Supply Chain n n
R&D: New product design, new service delivery process Customer Service Delivery Process (Routine work) -Repeated every month, every week, every day R&D Services/Products to Customers Services from Suppliers Management Process Bank & Investors -Quality Control Management Processes -Schedule Tracking Finance/Acct. (Process) HR (Process) Business Marketing/Sales IT Mgt Development Support Processes External Organizations
Service Systems n n n n The primary objective of an organization is to provide high quality services/products to the customers. The focus is on how to design the process to deliver high quality products and good services. Two processes have to be carefully designed: service delivery/production process and management process. Customers are expected to be involved in the process (i. e. service encounter). Each employee (department) is involved to accomplish this ultimate objective. Employee (department) could take part in more than one process. Employee (department) could take multiple roles in an organization. An organization is social network. In other words, it is a service system or a product-service system.
Service Systems n Such a system design is complicated. q q System approach, i. e. an organization is a system Three interrelated issues: n n n q Service encounter Service delivery process Organization design Required knowledge n n System Theory System Engineering and/or Service Marketing
Service Systems n Service encounter (c. f. User requirement specification) q q Customer interaction with the organization Tools: n n q Business model UML – User case diagrams Required knowledge n n Consumer Behaviors User Experience Design Human-Computer Interactions Imagination
Service Systems n Service delivery process (c. f. Process models) q q q Extended from the service encounter Detail specifications on the interactions amongst customers, employees within the organizations and employees in the suppliers Tools: n n q Service blueprint UML – Sequence diagrams Business operations design
Service Systems n Organization design (c. f. Design models) q Organization structure (i. e. architecture) n n q q Modular structure, quality measures, KPI, etc. Operation management specification Modeling and analysis for the optimal design Required knowledge n n Organization Theory (Principles in structuring) Organization Behavior (Human factors) Modeling & Simulations Principles of Management
Conceptual Diagram of an Organization Design Customer Service R&D Services/Products to Customers Services from Suppliers Service Delivery Process Management Processes Finance/Acct. (Process) HR (Process) Business Marketing/Sales IT Mgt Development Service Encounter
Organization as a Product-Service System Organization People/Machine Department Three levels of views of an organization: (1) Organization as a PS System (2) Department as a PS/S System, (3) People/Machine as a PS/S System 21
Organization as a Product-Service System Organization Core PS/S Systems 22
Organization as a Service System (Oaa. S) 23
Organization as a Composition of Service Units Organization Service Unit Organization can be defined as a PS System. Each department can then be defined as a Service Unit. Working Teams (color blocks) can also be viewed as service units. 24
Organization as a Composition of Service Units n Service unit transforms input resources to the products and/or services to other service units or customers. n Service unit is realized by Process, People, Tools. q q q Process defines the tasks to manufacture the physical goods and/or deliver the services. People are responsible to accomplish the tasks which are defined in the process. Tools (Technologies) can help people to do the job easier.
Organization as a Composition of Service Units Tools include (i) hardware like plastic molding machine, rice cookers, computers, scanners; and (ii) information systems. 26
Organization as a Composition of Service Units n Kitchen is a service unit in a restaurant. q q q Product to be delivered: Cuisines. Service to be added: Delicious. Cooking dishes is the process. The chefs and the waiters are the people who cook and serve the customers. Ovens, pans, gas cookers and rice cookers are the tools for the chefs to cook. Online ordering system is the tool for the chefs and waiters to better serve the customers.
Organization as a Composition of Service Units n SD Department is a service unit in an IT firm. q q q Product to be delivered: Information systems. Service to be added: System maintenance. System development is the process. Software engineers, analysts and programmers are the people who develop the system. CASE tools and UML are the tools for the SD team to develop the system.
Organization as a Composition of Service Units Organization Core Service Units 29
Organization as a Composition of Service Units n Human Resource Department is a service unit. q n Accounting Department is a service unit. q q n Releasing payrolls to the people. Paying the suppliers for their raw materials or services. Sales & Marketing Department is a service unit. q n Interview and recruit the right people to fill in the service units. Products/services promotion, Marketing survey. Customer Service Department is a service unit.
Organization as a Composition of Service Units n Board of Directors (Bo. D) is a service unit. q n Information System Department is a service unit. q n Analyze the five years plan, and the future development plan. Develop and maintain information system to support the processes to be done in the service units within the organization. R&D Department is a service unit. q Product design and Production scheduling
Organization as a Service Unit Industry is a network of organizations. An organization can be defined as a service unit which serves other organizations in the network. 32
Layer Structure of a Service System (Service Systems Model) 33
Layer Structure 34
Layer Structure C. F. OSI Open System Model for Network Protocol. 35
Layer Structure n Layered Structure q q n Systematic approach to analyze/design a service system. An overall picture for understanding, analysis (evaluate), design, develop and maintain/manage a service system. Lower layer provides services for the upper layer. The topmost layer is “customers”. Participants in the same layer provide services amongst each others. Similar idea comes from other layered models q q q Service blueprint OSI 7 -Layer model for computer networks Cloud computing
Layer Structure Service Blueprint
Layer Structure Service Oriented Architecture
1 Distribution Business Domain Purchasing Order Management Inventory 2 Business Processes create, modify, suspend, cancel orders, schedule orders, create, modify, delete bulk orders, order progress 3 Business Services 4 Infrastructure Services 5 Component-based service realizations 6 CRM Operational Systems ERP Databases Packaged Applications Legacy Applications 39
Layer Structure OSI 7 Layer Model for Computer Networks
Service Management, Service Oriented Thinking, Service Blueprint and Service Oriented Architecture 41
Service Management n Service Management q q n Managing the process, the people and the tools of all the service units within an organization (or industry) in order to deliver quality services/products to the end customers. Manage the services for managing the usage and the development of the services. Challenges in Service Management q q q Complexity of the service systems. Organization, partners, suppliers and customers are all participants in the system. Definition of “Service” is not unique (e. g. OEM is providing production service to its clients. )
Service Management n Information Management q Manage the usage of the information system, and the information technologies for the IS. q Develop the IS (as a tool) for people to do better job. q Manage the technologies for managing the usage and development of the IS. n Technology Management (Management of Technology) q Manage the usage of the tools for people to do better job. q Develop the right tools for people to do better job. q Manage the technologies for managing the usage and the development of the tools. q (Manage the tools for managing the usage and the development of the tools)
Service Management n Technology as a Product q Manage the usage and the development of the technologies for people to manage the design and production of new products. q Product-Related Issues n n n q Product Design, Product Innovation, Product Life-Cycle, Manufacturing, Quality Control, SCM Intellectual Property, R&D, Industry-Academia Collaboration Technology Commercialization, Technology Transfer Managerial Issues n Marketing, CRM, Project Management, Creative Management n Information Systems & E-Commerce, Knowledge Management Strategic Management, Business Ethic, Entrepreneurship n q Innovation Issues n n Social Networks, National Innovation Networks (facilitate product innovation), Industrial Analysis Organization Transform, Systems Thinking, Intellectual Property Law
Service Management n Technology as a Tool (Service) q Manage the usage and development of the tools for people to manage the organization. Manage the usage and development of the tools for people to manage the usage of the tools. q Tools-Related Issues q n n n q Managerial Issues n n n q Tools Design, Intellectual Property, Technology Forecasting & Assessment R&D, Industry-Academia Collaboration Software as a Service, Infrastructure as a Service Marketing, CRM, Project Management, Creative Management Information Systems & E-Commerce, Knowledge Management Strategic Management, Business Ethic Innovation Issues n n Social Networks, National Innovation Networks (facilitate the use of innovative technologies), Industrial Analysis Systems Thinking, Intellectual Property Law, Techno Park & Incubation
Service Oriented Thinking n Service dominant logic n An intuitive approach to develop an organization (a business) and the information system that supports the organization. n Question 1 q How to model and analyze the business processes from the service system point of view? n Question 2 q How to analyze, design and build the information system from the service system point of view? n Answer to Question 1: Service Blueprint, Sequence Diagrams, Use Case Diagram, Value Networks, Queuing theory Answer to Question 2: For IT-enable services, we can rely on service oriented architecture (SOA), web services n
Service Blueprint
Service Oriented Architecture n M. P. Papazoglou, Web Services: Principles and Technology, Prentice-Hall, 2007. (P. 22 -23) n SOA is a logical way of designing a software system to provide services to either end-user applications or to other services distributed in a network, via published and discoverable interfaces. n SOA as a design philosophy is independent of any specific technology. It can be implemented without the use of Web services.
Service Oriented Architecture 49
Service Oriented Architecture 50
Service Oriented Architecture n The service model allows for a clear distinction to be made between: q service providers (organizations that provide the service implementations, supply their service descriptions, and provide related technical and business support); q service clients (end-user organizations that use some service); q service registry a searchable directory where service descriptions can be published and searched. n n n Service requestors find service descriptions in the registry and obtain binding information for services. This information is sufficient for the service requestor to contact, or bind to, the service provider and thus make use of the services it provides. Note: IBM, SAP, and HP already shut down their service registration services in 2006.
Service Oriented Architecture Web services are implemented by a collection of several related technologies & standards. Choreography - CDL 4 WS Orchestration - BPEL 4 WS Business Processes Transactions Management n WS-Reliability WS-Security Coordination Quality of Service Context UDDI Discovery WSDL Description SOAP XML HTTP, JMS, SMTP Message Transport
Information System as a Service System n Peter Checkland Sue Howell, Information, Systems, and Information Systems: making sense of the field view on an information system. n A consequence of the nature of the process, in which intentions are formed and purposeful action is undertaken by people who are supported by information, is that ‘information system’ has to be seen as a service system: one which serves those taking the action.
Information System as a Service System n Hence its form and content will have to be dictated by how the action supported is conceptualized. n This means that ‘information systems development’ must start by carefully defining the action to be served, in its specific context, and using that definition to decide what information is needed and how technology can help provide it. (This reverses what often happens today in organizations – with poor results – which then lead to spectacular headlines about ‘another IT failure’. )” (Pp. 219 -220)
1 Distribution Business Domain Purchasing Order Management Inventory 2 Business Processes create, modify, suspend, cancel orders, schedule orders, create, modify, delete bulk orders, order progress 3 Business Services 4 Infrastructure Services 5 Component-based service realizations 6 CRM Operational Systems ERP Databases Packaged Applications Legacy Applications 55
Information System as a Service System 56
Service Science & Computing 57
The “Science” n Computer Science (From Wikipedia) q q Computer science or computing science is the study of theoretical foundations of information and computation and of practical techniques for their implementation and application in computer systems. Computer science has many sub-fields including computational complexity theory, computer graphics, programming language and complier, computer networks, database management, human-computer interaction, system programming, software engineering, artificial intelligence.
The “Science” n Management Science (From Wikipedia) q Management science (MS), is an interdisciplinary branch of applied mathematics devoted to optimal decision planning, with strong links with economics, business, engineering, and other sciences. It uses various scientific researchbased principles, strategies, and analytical methods including mathematical modeling, statistics and numerical algorithms to improve an organization's ability to enact rational and meaningful management decisions by arriving at optimal or near optimal solutions to complex decision problems. In short, management sciences help businesses to achieve their goals using the scientific methods of operational research.
The “Science” n Social Science (From Wikipedia) q The social "sciences" are the fields of scholarship that study society. "Social science" is commonly used as an umbrella term to refer to a plurality of fields outside of the natural sciences. These include: anthropology, archaeology, business administration, communication, criminology, economics, education, government, linguistics, international relations, political "science" and, in some contexts, geography, history, law, and psychology. The term may be used, however, in the specific context of referring to the original science of society established in 19 th century sociology. Émile Durkheim, Karl Marx and Max Weber are typically cited as the principal architects of modern social "science" by this definition.
The “Science” n Life Science (From Wikipedia) q The life sciences comprise all fields of science that involve the scientific study of living organisms, like plants, animals, and human beings. However, the study of behavior of organisms, such as practiced in ethology and psychology, is only included in as much as it involves a clearly biological aspect. While biology remains the centerpiece of the life sciences, technological advances in molecular biology and biotechnology have led to a burgeoning of specializations and new, often interdisciplinary, fields.
The “Science” n Behavioral Science (From Wikipedia) q The term behavioral science encompasses all the disciplines that explore the activities of and interactions among organisms in the natural world. It involves the systematic analysis and investigation of human and animal behavior through controlled and naturalistic observation, and disciplined scientific experimentation. It attempts to accomplish legitimate, objective conclusions through rigorous formulations and observation (E. D. Klemke, R. Hollinger & A. D. Kline, (eds. ) (1980)). Examples of behavioral sciences include psychology, cognitive science, and anthropology.
The “Science” n System Science (From Wikipedia) q q Systems science is an interdisciplinary field of science that studies the nature of complex systems in nature, society, and science. It aims to develop interdisciplinary foundations, which are applicable in a variety of areas, such as engineering, biology, medicine and social sciences. Systems sciences covers formal sciences fields like complex systems, cybernetics, dynamical systems theory, and applications in the field of the natural and social sciences and engineering.
The “Science” n W. D. Rowe, What is systems science and cybernetics? IEEE Transactions on Systems Science and Cybernetics, Vol. SSC-1, No. 1, pp. 2 -3, November, 1965. q q q Systems science is defined as the scientific theory and methodology that is common to all large collections of interacting functional units that together achieve a defined purpose. It includes the application of common methods in analysis, simulations, synthesis, implementation, evaluation, and parameter interaction. The field is concerned with large technological systems as opposed to specific control systems or components. It includes the economics, operation, logistics, and utilization as well as engineering design of systems. In general, the system science participants approach problems from an optimization point of view, i. e. , the system is described analytically by a set of cause and effect relationships whose parameters can be varied to optimize a particular measure of effectiveness.
Service Science n “Service Science, Management and Engineering (SSME) is a new multi-disciplinary research and academic effort that integrates aspects of established fields such as computer science, operations research, engineering, management sciences, business strategy, social and cognitive sciences, and legal sciences. ” [IBM's definition] n “Service Science, Management, and Engineering (SSME) is an interdisciplinary approach to the study, design, and implementation of service systems – complex systems in which specific arrangements of people and technologies take actions that provide value for others. ” [Wikipedia's definition]
Service Science n Jim Spohrer, Paul P. Maglio, John Bailey, and Daniel Gruhl, Steps toward a science of service systems, IEEE Computer Magazine, 71 -77, January 2007. q Service is a kind of action, performance, or promise that’s exchanged for value between provider and client. Service is performed in close contact with a client; the more knowledgeintensive and customized the service, the more the service process depends critically on client participation and input, whether by providing labor, property, or information. n n R. F. Lusch and S. L. Vargo, eds. , “The Service-Dominant Logic of Marketing: Dialog, Debate, and Directions, ” M. E. Sharpe, 2006. S. E. Sampson and C. M. Froehle, “Foundations and Implications of a Proposed Unified Services Theory, ” Production and Operations Management, summer 2006, pp. 329 -343.
Service Science n Jim Spohrer, Paul P. Maglio, John Bailey, and Daniel Gruhl, Steps toward a science of service systems, IEEE Computer Magazine, 71 -77, January 2007. q Service systems comprise service providers and service clients working together to co-produce value in complex value chains or networks. n n J. M. Tien and D. Berg, “A Case for Service Systems Engineering, ” Journal of Systems Science and Systems Eng. , Mar. 2003, pp. 113128. J. Gadrey, “The Misuse of Productivity Concepts in Services: Lessons from a Comparison between France and the United States, ” J. Gadrey and F. Gallouj, eds. , Productivity, Innovation and Knowledge in Services: New Economic and Socioeconomic Approaches, Edward Elgar Publishing, 2002.
Service Science n Jim Spohrer, Paul P. Maglio, John Bailey, and Daniel Gruhl, Steps toward a science of service systems, IEEE Computer Magazine, 71 -77, January 2007. q q Service Science, Management, and Engineering is the application of scientific, management, and engineering disciplines to tasks that one organization (service provider) beneficially performs for and with another (service client). SSME aims to understand how an organization can invest effectively to create service innovations and to realize more predictable outcomes. n n n Science–what service systems are and how to understand their evolution; Management–how to invest to improve service systems; and Engineering–how to invent new technologies that improve the scaling of service systems.
Service Science n Mary Jo Bitner, Stephen W. Brown, Michael Goul, Susan Urban, Services Science Journey: Foundations, Progress, and Challenges, 2008. q q Services Science is an emerging discipline that focuses on fundamental science, models, theories and applications to drive innovation, competition, and quality of life through services. Some of the research clusters we foresee developing within our Services Science Initiative include groups that would focus on: IT Services Solutions; Business Models for Services; Computing Models for Services; Healthcare Innovation; Technology and Service Delivery; Service Design; Customer Loyalty and Relationships.
Service Science n Kwei-Jay Lin, The design of an accountability framework for service engineering, Proceedings of the 41 st Hawaii International conference on System Science, 2008. q q The goal of our service science and engineering research is to advance IT-based services technology by developing a service framework and companion toolset for service innovation, composition and delivery. Our research also aim at inventing and reinventing business models to target toward the 21 st century societal and business environments.
Service Science n Kwei-Jay Lin, The design of an accountability framework for service engineering, Proceedings of the 41 st Hawaii International conference on System Science, 2008. q q The study takes a systematic approach to service engineering. By building a service infrastructure using current and next generation IT technologies (including wired and wireless Internet, SOA, embedded devices, sensor network, etc. ). We hope to provide the scientific and technical foundation necessary for many enterprises to transition from productoriented business operations to high-value service-centered businesses.
Services Computing n Liang-Jie (LJ) Zhang, EIC Editorial: Introduction to the Body of Knowledge Areas of Services Computing, IEEE Transactions on Services Computing, Vol. 1(2), 62 -74, 2008. q Services represent a type of relationships-based interactions (activities) between at least one service provider and one service consumer to achieve a certain business goal or solution objective.
Services Computing q 14 main knowledge areas of the Services Computing discipline included in the TSC taxonomy can be categorized into the following four categories: n n q Services and Services Systems Services Technologies Services Consulting and Delivery Services Solution and Management The connection between business architecture and IT architecture is one of the major focus areas of Services Computing.
Services Computing q The general topics of services lifecycle cover the following six phases: n n n q q Consulting and Strategic Planning, Services Engagement, Services Delivery, Services Operation, Services Billing, Services Management. Each phase of the services lifecycle can be performed by one or multiple parties. Key Factors in Services Lifecycle cover Data and Information, Processes, People, Resources, Financial Factors, Knowledge and Skills, as well as Innovation and Technology.
Service Engineering 75
The “Engineering” n Hsiao, S. L. and Yang, H. L. , A Service Experience Engineering (SEE) Method for Developing New Services, International Journal of Management, Vol. 27 No. 3 Part 1 437 -447, Dec 2010. q SEE describes the new service development framework completely from ideas creation to service market-launch. It divides the new service development into 3 phases: (1) FIND, including consumer demand survey and technology observing research; (2) Innovation. Net, including two research focuses respectively on specific service-related industrial value chain and service modeling; (3) Design Lab, including Po. C (Proof of Concept), Po. S (Proof of Service) and Po. B (Proof of Business). SEE is a potentially useful and easy to implement technique for improving the development of new services.
Note: It is just a reference model including all the related tasks in service system development. However, the sequence of the tasks has not been well defined.
The “Engineering” n A. D. Hall, Systems engineering from an engineering viewpoint, IEEE Transactions on Systems Science and Cybernetics, Vol. SSC-1, No. 1, pp. 4 -8, November, 1965. n Systems engineering is most effectively conceived of as a process that starts with the detection of a problem and continues through problem definition, planning and designing of a system, manufacturing or other implementing action, its use, and finally on to its obsolescence.
The “Engineering” n Software Engineering q q IEEE Definition: (1) The application of a systematic disciplined, quantifiable approach to the development, operation, maintenance of software; that is the application of engineering to software. (2) The study of approaches as in (1). Canadian Standards Association: The systematic activities involved in the design, implementation and testing of software to optimize its production and support.
The “Engineering” n Industrial engineering q It is concerned with the development, improvement, implementation and evaluation of integrated systems of people, money, knowledge, information, equipment, energy, materials, analysis and synthesis, as well as the mathematical, physical and social sciences together with the principles and methods of engineering design to specify, predict, and evaluate the results to be obtained from such systems or processes.
The “Engineering” n Business Process Reengineering (Redesign) q Davenport, T. H. & Short, J. E. (1990). "The New Industrial Engineering: Information Technology and Business Process Redesign, " Sloan Management Review, pp. 11 -27. The analysis and design of workflows and processes within and between organizations. q Teng, J. T. C. , Grover, V. & Fiedler, K. D. , (1994). Business Process Reengineering: Charting a Strategic Path for the Information Age, California Management Review, Vol. 36 Issue 3, p 9 -31. BPR refers to the critical analysis and radical redesign of existing business processes to achieve breakthrough improvements in performance measures
The “Engineering” Source: Wikipedia
Service Engineering (Definition) n n n So far, the concepts of SSME are mostly defined and explored by the researchers in the service marketing community. Information system is defined as a supporting system. Information system is assumed to be a superpower system that can support whatever the operational staffs and the customers want. However, there is always a GAP in between what the users need and what the developers develop. GAP model and the SERVQUAL can help to identify the gaps and measure the quality of service
Service Engineering (Definition) n John Sum Definition: (1) The application of a systematic disciplined, quantifiable approach to the development, operation, maintenance of service systems; that is the application of engineering to service systems. (2) The study of approaches as in (1). n Service engineering is a process for service systems development. To understand/analyze a service system, we need the layer structure as a model of reference. To understand how it can be developed, we need system development life cycle to elucidate the steps in the development process. n n
Service Engineering (Service System) Information System 85
Service Engineering (Service System) 86
Service Engineering (Service System) n Engineer q q q n n Face-to-Face Services Face-to-Machine Services Machine-to-Machine Services Customer focus (customer experience oriented) Operational staff focus (user experience oriented)
Service Engineering (Gaps) n Communication gaps q q q n Organization misunderstands the customers expectation. Design of the business process does not take customers expectation into account. IS developers misunderstand the system requirement, such as how the customers, operational staffs and the managers use the system. Layered Structure is aimed to minimize these gaps
Service Engineering (Service Development Life Cycle) n A process for service systems development, and a guideline for the people involved in development, usage and management of the new service system. n Service Development Life Cycle (c. f. system development life cycle) q System Analysis q System Design q Implementation q System Testing q Maintain & Review n Elucidate the steps of development and maintenance of a service system.
Service Engineering (System Analysis) n System Analysis q To analyze the performance and the potential problems in the existing service system n n n q If new services (or products) are delivered, analyze if the existing service system is able to support. n n q GAP model and SERVQUAL can be applied to analyze the quality of the face-to-face and face-to-machine services. Other measures should be designed for measure the quality of the machine-to-machine services. If the analysis result is negative, propose if new services should be added. If it is able to do so, finish! If it is not, analyze how the system should be modified and what new components should be added to. In this stage, Service Blueprint, Use Case Diagrams and other modeling tools (e. g. BPMN) should be applied.
Service Engineering (System Analysis) q Requirement analysis is also conducted in the “System Analysis” stage. n n Functional requirements – what services are provided for the users and for other systems. Quality requirements – response time, throughout, resource usage, reliability, availability, recovery from failure, allowances for maintainability and enhancement, allowance for reusability Platform requirements – computing platform, technology to be used. Process requirements – development process to be used, cost and delivery date.
Service Engineering (System Analysis) n Useful modeling tools for the analysis and design of a service system q q q n Service blueprints (Service marketing) Data flow diagrams (Structural analysis) Unified modeling language (e. g. Use case diagrams, Sequence diagrams, State diagrams, etc. ) Useful tools for review and evaluate a service system q q GAP model (Service marketing) SERVQUAL (Service marketing)
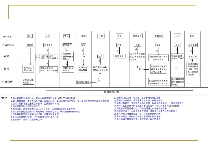
Service Engineering (System Analysis) n Service Blueprinting q q q The identification of the service process, that is supposed to be blueprinted The identification of the customer segment or the customers that are supposed to experience the service Picturing the service from the customer’s perspective Picturing the actions of the contact employee (onstage and backstage), and/or technology actions Linking the contact activities to the needed support functions Adding the evidence of service for every customer action step
Service Engineering (System Analysis) n Five components of a service blueprint q Customer Actions: All the steps that customers take as part of the service delivery process. q Onstage/Visible Contact Employee Actions: Those actions of frontline contact employees that occur as part of a face-to-face encounter. q Backstage/Invisible Contact Employee Actions: All the other actions that involve non-visible interaction with customers as well as any other activities that contact employees do in order to prepare to serve customers or that are part of their role responsibilities. q Support Processes: The activities carried out by individuals and units within the company who are not contact employees but that need to happen in order for the service to be delivered. q Physical Evidence: Customers come in contact with.
Service Engineering (System Analysis) Service Blueprint
Mary J. Bitner, Amy L. Ostrom, Felicia N. Morgan, Service Blueprinting: A practical technique for service innovation, California Management Review, Vol. 50 (3), 66 -94, SPRING 2008.
Service Engineering (System Analysis) Service Blueprint versus Layered Structure
Service Engineering (System Analysis) n n Service blueprint focus on the core process that delivers services to the customer. Management process and related information systems along with the blueprint should be added Final blueprint should include (i) core process and (ii) management process and (iii) the related information systems that monitor the quality of the core process. Gaps always appear in between the interfaces provided by the information systems and the interfaces that the customers and the operational staffs want. Service blueprint is unable to specify this part.
Service Engineering (System Analysis) Mapping service blueprint to the definitions of the services delivered by different process units and information system.
Service Engineering (System Analysis) n Use case analysis q q Its purpose is essential the same as service blueprint. A systematic approach to working out what users should be able to do with the software you are developing. The first step is to determine the types of users or other systems that will use the facilities of this system. A use case is a typical sequence of actions that an actor performs in order to complete a given task.
Service Engineering (System Analysis) Actors: (1) Administrator, (2) customer, (3) warehouse worker, (4) credit card service system
Service Engineering (System Design) n System design: Design the organization q Transforming the service blueprint to the definitions of the process units and the information system. q Transforming the process units into business components. q Transforming the information system into software services and components. q Specify how the customer interact with the service system (including face-to-face interaction and human-machine interaction) q Specify the quality factors for the system q In the end of this step, operation manual specifying the role and responsibilities of the people involved in the business processes should be ready. q Specification of the business components as well as the software components should be ready.
Service Engineering (System Design) Mapping each process (service) unit to a business component. Each BC provides services to other BCs. Each business process can then be realized by simply assembling a number of BCs.
Service Engineering (System Design) Mapping the services provided by the information system to software services and components.
Service Engineering (System Design) Mapping the services provided by the information system to software services and components.
Service Engineering (System Design) q Service-oriented architecture n n One architecture to be designed during the System Design stage. An architectural pattern that organizes an application as a collection of services (web services) that communicate with each other through well-defined interfaces. A web service is an application accessible through the Internet that can be integrated with other web services to form a web-based application. To use a web service, you send a correctly formatted http request to an http server. The server will run the service application and return the response as a document, typically structured using XML.
Service Engineering (System Design)
Service Engineering (System Design) n Remarks on system design q q q Once a system has been designed, we will have a bunch of models including service blueprint (process model) and the business components (service units). The activities in each business component can be defined precisely (and even mathematically). The interactions amongst the business components can be defined precisely (and even mathematically).
Service Engineering (System Design) n Remarks on system design q q Simulations, if possible, should be conducted to investigate the behaviors of the system under different environments (including exception situations). Theoretical analysis, if possible, should also be done to prove the behaviors. Simulations and theoretical analysis are the analysis done after the system design. They aim to identify potential problems that might occur after the system is implemented.
Service Engineering (Implementation) n System Implementation q q q After the service system has throughout designed, the specifications of all the business components and software components have been settled. Business Components: Train the people to execute the process flows, assuming that the information system is ready to use. Software Components: Analysis, design, coding and unit testing, assuming that the people know how to use the software components.
Service Engineering (Implementation) Training people to execute the business components Develop the software components. In this stage, software engineers have to gone through four additional steps: IS analysis, IS design, IS implementation, IS testing.
Service Engineering (Testing) n System Testing q q q All the people involved in the business process and the information system are ready. The process flows are re-run to see if there is any discrepancy between the design specification and the actual process flows. To check if the performance of the overall service system fulfills all the quality factors.
Service Engineering (Maintain & Review) n Maintain and Review q q Once the system has been testified with no error and everything is fine, services can then be delivered. In regular basis, the quality of service, the performance of the system have to be reviewed. Potential problem could be analyzed by using GAP model and the quality service could be evaluated by SERVQUAL. If anything goes wrong, review the system and make (minor) modification.
Service Engineering (Maintain & Review) GAP Model
Service Engineering (Maintain & Review) SERVQUAL Questionnaire
Service Engineering
Service Engineering
Other Development Process Models n n n n New Service Development Process (Service Marketing) IEEE TSC Service Life Cycle IBM Service-Oriented Modeling and Architecture ITIL Lifecycle Process Model Microsoft Operations Framework Microsoft SOA Reference Model Oracle SOA Suite Software Development Life Cycle
Other Development Process Models n New Service Development Process q q q q q D. Gremler, MJ. Bitner, V. A. Zeithaml, Services Marketing, 6/e, Mc. Graw-Hill/Irwin, 2012. Business strategy development or review New service strategy development Idea generation Concept development and evaluation Business analysis Service development and testing Market testing Commercialization Post-introduction evaluation
Other Development Process Models n IEEE TSC Services Lifecycle q q LJ Zhang, EIC Editorial: introduction to the body of knowledge areas of services computing, IEEE Transactions on Services Computing, Vol. 1 (2), 62 -74, 2008. Consulting and Strategic Planning n q Services Engagement n q Get socialized with clients and help identify pair points and strategic directions through consulting services. Get the memorandum of understanding or contract signed. Services Delivery n Analyze the captured business requirements, designing a solution and then deliver the solution for the client by working with its assigned team.
Other Development Process Models q Services Operation n q Services Billing n q To get the reward from delivering a service, service billing is a very important step to charge the usage of services based on some pricing strategies. Services Management n n Deliver services to its own customers on a daily basis. The operation process could be done by the client or a dedicated service operation team from other companies. A critical phase to make sure the deployed service can be consumed based on the original service level agreements. Each phase of services lifecycle can be performed by one or multiple parties.
Other Development Process Models IBM Service-Oriented Modeling and Architecture
ITIL Lifecycle Process Model for IT service management
Other Development Process Models Microsoft Operations Framework
Other Development Process Models Hans-Jörg Bullingera, Klaus-Peter Fähnrichb, Thomas Meirena, Service Engineering Methodical Development of New Service Products. (Download from Internet)
New Product Development Process
Shostak, L. and J. Kingman-Brundage, 1991, How to Design a Service, in: C. A. Congram, ed. , The AMA Handbook of Marketing for the Service Industries (AMACOM, New York) 243 -261.
Service Eng. IBM SOMA Bitner Model IEEE TSC n. SS Analysis n. Business modeling & transformation n. Identification n. Specification n. Business strategy development or review n. New service strategy development n. Idea generation n. Concept development and evaluation n. Service design(*) n. Consulting and strategic planning n. SS Design n. Realization n. Prototyping n. Service n. SS Implementation n. Deployment, n. Commercialization n. Services monitoring & management n. Post-introduction engagement n. Service delivery Training IS Implementation n. SS Testing Maintain & review evaluation operation n. Services billing n. Services Management (*) Service design in service marketing has already included steps “system modeling”, “system analysis” and “system design”.
Modeling Languages n n n The diagrams, documents (e. g. operation manual), languages (programming languages or mathematical equations) for describing the detail specifications of the components and the interfaces (conversations and message passing) amongst components. A component can be a single person or a single piece of program. By using such modeling language, analyst (or system modeler) is able to describe the service system with no ambiguity. The challenge of developing such modeling language is the trade -off between the complexity of the modeling language and the readability of the models. Types of modeling languages: Informal versus formal.
Modeling Language Agent oriented modeling. An agent can be a person, a software program or a robot. 130
Modeling Languages n Informal Models q Service blueprint n n n It is essentially one of the model for presenting a service system. It is easy for the management people to outline their ideas. Definitions on the processes, interactions amongst customers, employees and the support processes are not clearly stated. It could lead to misspecification and eventually an erroneous service system is built. Further refinements are needed.
Modeling Languages n Formal Models q q Data Flow Diagram, Entities Relationship Diagram OMG Unified Modeling Language (UML) n n q OMG Web Service Business Process Execution Language (WSBPEL) n q A formal model for implementing web services to execute business processes OMG Business Process Modeling Notation (BPMN) n q A formal model for software and information system It consists of 14 diagrams to model a system. The are categorized into two groups: structural (static) diagrams and behavioral (dynamic) diagrams. A formal model for business process modeling IDEF (Integration Definition)
Modeling Languages Diagrams in UML
Some diagrams in BPMN
Some diagrams in BPMN
Some diagrams in BPMN
Modeling Languages
Modeling Languages n Mathematical Models q q Petri Net Event Driven Systems Discrete Time System Models Continuous Time System Models
Modeling Languages n n n Informal Models q Qualitative/ Descriptive models q Analysis can be accomplished by quantitative methods q Model validation is not possible Formal Models q Logical Models q Analysis can be accomplished by theoretical analysis and/or computer simulations q Model validation is possible Mathematical Models q Analysis can be accomplished by theoretical analysis and/or computer simulations q Model validation is possible
Epilogue: Service Labors Statistics 140
Service Labors By Industry. Source: Dietel Fensel (2009)
Service Labors n (Bureau of Labor Statistics, USA www. bls. gov) q n Services includes transportation, communication, public utilities, trade, finance, public administration, private household services, and miscellaneous services (National Statistics, Taiwan ROC, www. stat. gov. tw) q q q Services includes Professionals, Technician & Assistant Professionals, Administration & Affairs Workers, Service Workers & Sales. Technical Service Worker: Professionals, Technician & Assistant Professionals Non-Technical Service Worker: Administration & Affairs Workers, Service Workers & Sales.
Service Labors By work nature. Source: National Statistics, ROC (www. stat. gov. tw)
Service Labors n In 2007 Taiwan, number of labors in service industry is approximately 6 Millions. But, service industry includes many different type of companies.
Service Labors 2007 Labors in the service industry. Source: National Statistics Taiwan.
Service Labors n n n The statistics is always misleading. The main problem is that we do not have a formal definition for a service labor. Clearly, service labors should not be restricted to the people who are working in the service industry. It should cover those people who are working in R&D, System Support, Marketing, etc. However, even we have, how do we collect those statistics is yet another difficult problem.


