Prezentatsia_FOE_4.pptx
- Количество слайдов: 9
Режимы работы транзистора По включению переходов: • Активный (или усилительный), эмиттерный переход открыт, коллекторный переход закрыт; • Насыщения (или режим двойной инжекции), оба перехода открыты); • Отсечки (оба перехода закрыты). По величине входного сигнала: • усиления (сигнал малой амплитуды); • переключения (иногда называемым ключевым или режимом большого сигнала).
Uк=Eк- Iк Rк + Eк - I к= 0 U к = Eк U к= 0 Rк VT Iб'' Iк Iк Uк Iб ' Iб=0 Eк Uк
Uк=Eк- Iк Rк Iб Uк 2 Uк = 0 I к = I б Uк 4 Uк 1 Uк 4 > Uк 3 > Uк 2 > Uк 1 Uб
Порядок Графо-аналитического расчета: 1. Задаются или считаются известными статические характеристики транзистора. 2. Задается или выбирается напряжение питания коллектора. 3. Определяются границы допустимых режимов по Uк max, Iк предел. , Pк max и граничного режима Iк предел 4. Строим выходную нагрузочную характеристику с учетом полученных ограничений и получения максимального неискаженного усиления. Сопротивление нагрузки Rн определяем из Rн = Eк/Iк Iб'' Iк Pк max Iб ' Iб=0 Uк max Uк
Iб B НРТ Iбп А Uбэп На входной характеристике транзистора с нагрузкой выбираем линейный участок (АВ). 5. Посередине линейного участка выбираем начальную рабочую точку (0) и определяем напряжение смещения Uбэп и ток базы Iбп в рабочей точке, опуская перпендикуляры на оси координат. 6. Определяем амплитуды переменных составляющих тока базы и напряжения на базе Imб и Umб. 7. Определяем входную мощность Pвх = 0, 5 Imб Umб 8. Определяем коэффициенты усиления по току, напряжению и мощности.
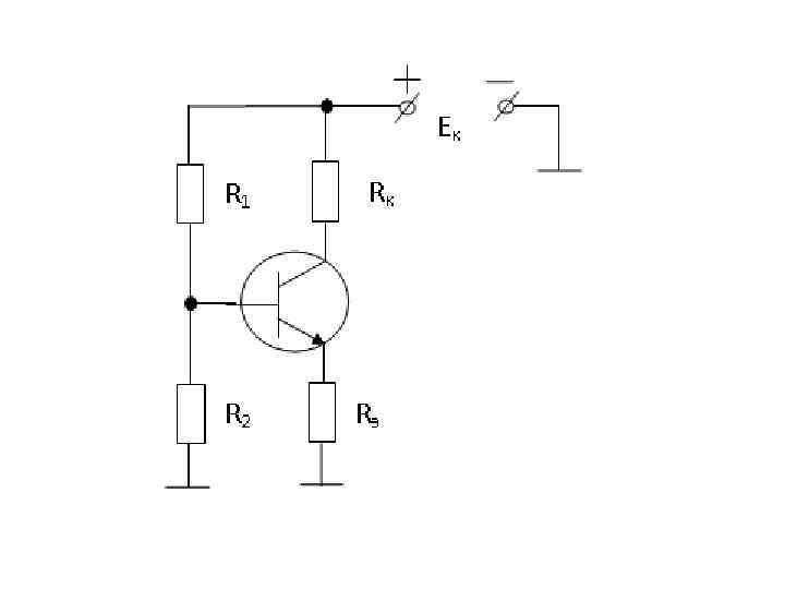
СХЕМА УСИЛИТЕЛЯ Uвх
СХЕМА УСИЛИТЕЛЯ Iдел=(2 -10)Iбп. Eк Rк R 1 R 2
Prezentatsia_FOE_4.pptx