БИ_неделя3.pptx
- Количество слайдов: 120
+ Реинжиниринг бизнес-процессов
+ n По показателям эффективности Россия, как и СССР, серьезно отстает от развитых стран n На макроэкономическом уровне причины отставания более менее ясны n Однако на микроуровне , то есть, на уровне отдельно взятого предприятия, все не столь очевидно n Одна из причин кроется в плохой организации производства, в том числе несовершенстве бизнеспроцессов
+ Взлет и падение корпоративных героев
Hi! I’m Bob. I’ll be back… NOOO!!!
Glad to see u, Bob!
+ Спору нет, Боб – отличный парень n Подход к выполнению работ в компании никуда не годится n Бобу приходится быть героем, ведь иначе ему не справится с тем хаосом, который порождают неорганизованные бизнеспроцессы n Но что еще хуже, поведение Боба поддерживает всеобщее представление о том, что каждый должен приноравливаться к системе, какой плохой она ни была бы n Похоже, никто не понимает, что если наладить работу как следует, то надобность в таких героях, как Боб просто отпадет
+ Предприятий, где общая задача разделена на фрагменты, а эффективность работы оставляет желать лучшего, великое множество n Они выживают только благодаря людям вроде Боба, которые постоянно латают прорехи в системе n На выполнение заказа уходят месяцы, из них только 3 дня действительно посвящены работе n Это происходит не потому, что исполнителям не хватает ума или трудолюбия n Как раз наоборот.
+ Еще один пример. Работники одного предприятия не смогли удержать нового перспективного клиента.
+ Торговый представитель n Нашел покупателя – крупную компанию, занимающуюся продажей товаров n Поступил небольшой заказ – пробный n Густо облепляет заявку стикерами со словами «срочно» и «безотлагательно» , а затем передает ее в обработку Склад отгрузки n Менеджер не заполнит грузовой фургон полностью n Принято ждать, пока фургон заполнится другими товарами, иначе доставка выходит слишком дорогой n От умения сэкономить затраты на доставку зависит размер премиальных менеджера n Готовый к отправке заказ остается на складе
+ Мы понимаем, чем может обернуться такая отсрочка n С другой стороны, менеджер склада сделал все правильно n Его задача — по max сократить затраты на доставку, за это ему и платят деньги n Быстро отослав товар, он нарушил бы те принципы, которых обязан придерживаться в своей работе n Менеджер доставки, как назло, оказался отличным исполнителем, и это не его вина что компания потеряла клиента n Проблема заключается в самой системе, частью которой является склад отгрузки n Задачи менеджера определены так узко и так обособлены от задач других отделов, что, выполняя их на отлично, он только мешает достижению общей цели предприятия
+ Такое положение дел не случайно n Больше 100 лет менеджеры успешно повышали эффективность работы крупных предприятий путем дробления работы на мелкие задачи n Появились современные корпорации, состоящие из множества отделов, каждый из которых специализируется на выполнении какой-то одной функцию. Например: n n Отдел продаж Отдел проектирования n Отдел маркетинга n n Производство Бухгалтерия n ……….
+ n Сотрудники полностью сосредоточены на выполнении задач своего участка: n отдел рекламы продвигает продукт на рынок n отдел доставки перевозит товар клиенту n отдел снабжения покупает запчасти Help! n Руководитель отдела оценивает работу подчиненных и рассчитывает их вознаграждение, опираясь на показатели эффективности, которые характерны именно для этого отдела
+ Такой способ ведения дел достался нам от промышленной революции Но ведь революция закончилась давнымдавно и все эти ваши методы давно устарели Темп жизни повысился, а конкуренция стала острее
+ Банкротство Чтобы поверить в неэффективность старых методов, достаточно вспомнить последствия недавнего кризиса Миллионы людей, про которых говорили: «Персонал – наш самый ценный актив» … …. Потеряли работу, пенсионные сбережения и даже жилье.
+ Сегодня благодаря развитию ИТ потребитель – главное лицо в любом бизнесе Хотите купить телевизор с плоским экраном? Компания вышла на мировой уровень? n Когда клиент составляет заказ, его совершенно не заботит то, что продукты разработаны в Техасе, запчасти к ним производятся в Испании и Бразилии, а сборочный цех находится в Турции n В один прекрасный день — или Боб не подоспеет вовремя, или конкуренты окажутся проворнее и предложат цену ниже — и вы потеряете клиента. n Это лишь вопрос времени
+ «Быстрее, лучше, дешевле» - каждый предприниматель мечтает достичь триединства, но это так сложно!
+ Ответ найден Внедрение сквозных процессов на предприятии
+ Процессный подход представляет собой новый способ ведения бизнеса и достижения целей, обеспечивающий клиентам максимальный уровень удовлетворенности
n В конце 2010 г. у Anderson Aerospace — крупного производителя деталей и оборудования для авиации — возникли серьезные проблемы: с ней отказался работать ее главный клиент n Сотрудничество строилось + следующим образом: n клиент передавал компании свои пожелания, n в ответ получал схематическое описание оборудования, которое она собиралась произвести, n а вместе с ним расчет стоимости n и дату выполнения заказа
+ n Если клиент одобрял представленный проект, то компания получала заказ и выполняла его, допуская при этом массу ошибок: n Нарушение сроков поставки n Качество оставляло желать лучшего n Плохая сборка n Нехватка отдельных элементов, брак n Неправильно составленные сопроводительные документы n Время от времени клиент негодовал и ругался, угрожая компании расторжением договора. n Руководство Anderson Aerospace приносило извинения и заверяло, что в будущем постарается не совершать подобных ошибок. На самом же деле ничего не происходило, и все повторялось заново….
+ Клиент дал 60 дней на сворачивание деятельности n Руководство AA решило перейти на процессный способ менеджмента n Если крупный клиент решит вернуться, это сделает компанию более надежной в глазах остальных заказчиков, т. к. и у них были те же самые проблемы n Руководство AA и раньше пыталось наладить работу на предприятии n До этого уже применялись методы популярной статистической методики постепенного улучшения бизнес-процессов « 6 сигм» , но результатов не последовало n Проблема заключалась не в качестве выполнения работы, она носила системный характер — на предприятии были плохо налажены процессы
+ Этапы преобразований Собрали многофункциональную команду Члены которой до этого работали в отделах, занимающихся приемом и обработкой заказов n В команду вошли сотрудники n отдела продаж n отдела обслуживания n отдела проектирования n производственного отдела n Оказалось, что до сих пор в компании никто не знал, как выглядит рабочий процесс от начала и до конца
+ На первый взгляд, на предприятии все было отлично организовано, но на самом деле рабочий процесс представлял собой хаос Каждый сотрудник был сосредоточен лишь на своем участке работы и никто не знал и знать не хотел, чем занимаются другие n n Сотрудники отдела проектирования могли выявить неполадку или усовершенствовать конструкцию и никому об этом не сказать Если нужных для производства деталей не было на складе, работники отдела управления запасами спрашивали у инженеров, какими деталями можно их заменить Отдел управления запасами мог направить на другие цели те детали, которые отдел обслуживания клиентов планировал использовать при выполнении заказа Торговый представитель, получавший премию за умение сэкономить средства компании, останавливал работу по заказу, чтобы дождаться поступления на склад более дешевых запчастей
+ Нельзя сказать, что так получалось из-за непрофессионализма и глупости работников или какого -то злого умысла Сотрудники старались даже слишком сильно и не успевали согласовать свои действия с работой коллег n Каждый сотрудник отлично вел свой участок работы, мог сам выбрать лучший способ выполнения задачи, многие напрямую общались с клиентами n У каждого отдела имелись свои цели и показатели эффективности — одним необходимо было обеспечить высокую точность выполнения заказов, другим улучшить оборачиваемость запасов или увеличить выручку n Но не было ни одного показателя эффективности, общего для нескольких отделов, и ни один показатель не учитывал интересы покупателей n Никто не отвечал за рабочий процесс в целом, начиная с поступления заявки и заканчивая своевременной доставкой n А раз не было ответственных, то и внимания этому никто не уделял n
+ Мы видим классические симптомы фрагментированного рабочего процесса n неумение воспринять общую картину n незнание того, чем занимаются другие сотрудники n полное равнодушие к делам компании n никто не несет ответственности за конечный результат n и никто не виноват, если клиент оказывается недоволен Если эту болезнь не лечить, она может оказаться для компании гибельной
+ n Посмотрев на деятельность предприятия в контексте процессов, многие моменты предстали совершенно в ином свете Весь рабочий процесс был разбит на 94 этапа и разделен на группы: n действия, прибавляющие ценность продукту, то за что клиент платит деньги n действия, не прибавляющие ценности, позволяющие организовать основную работу n действия, являющиеся напрасной тратой времени, это потери: ненужные и бесполезные действия, например повторно выполняемая работа, исправление ошибок, составление отчетов, которые никто не читает n Оказалось, что из 94 выявленных шагов, только 11 прибавляли ценность. Только 11 действий действительно имели значение для клиента
+ Главная проблема старого процесса – фрагментация. Решение — интеграция разрозненных фрагментов в единый процесс Амаль n n Ведущий специалист по продажам Выполняет обязанности торгового представителя, работника отдела обслуживания клиентов+собирал технические данные по заказу Единственный, кто общается с клиентом до момента окончательного одобрения заказа Принимал заявку, придумывал решение, проверял наличие необходимых деталей, рассчитывал стоимость и называл дату поставки готового оборудования. Джейн n n Заведует операционной частью Есть ли в наличии необходимые для производства детали? При отсутствии, заказывает детали и отслеживает их поступление Отвечает за то, чтобы производственные рабочие были готовы в нужный момент приступить к сборке оборудования Как и Амаль, может обращаться за помощью к другим специалистам, но ответственность за выполнение заказа лежит на ней.
+ Новый процесс содержал всего 28 этапов: 11, прибавляющих ценность и 17, помогающих организовывать работу n Был принят для всех подразделений один общий показатель эффективности – «своевременная поставка» n На разработку нового процесса ушло 3 месяца n На применение его в работе с клиентов – еще 2 месяца n Но результат превзошел все ожидания n Раньше A A удавалось вовремя поставить заказ в 15% случаев, теперь это удавалось на 90% n Раньше требовалось мин 48 часов, чтобы рассчитать цену, теперь – около 6 часов n Рабочих никто не торопил – для брака не осталось причин n Доля «безупречных заказов» выросла с 10 до 85% n Клиент был поражен и на следующий год увеличил количество заказов на 34%
+ Сквозной рабочий процесс – непростая концепция. n Иногда она объясняется следующим образом – «посмотри направо, посмотри налево» n Что это значит? Не надо зацикливаться на своих задачах. Думайте о задачах компании в целом.
+ Проектирование процессов: от деталей к общему плану
Рассмотрим, как одна страховая + компания под названием Progressive Insurance, разработав новые процессы, сменила правила игры на рынке страхования, после чего вырвалась из рядов отстающих и стала одним из лидеров в своей отрасли.
+ На сегодняшний день компания Progressive Insurance— № 3 страховая компания США Ее годовой доход в 2008 г. составил почти $13 млрд — по сравнению с $1 млрд в 1991 г. это огромный скачок n Средний прирост доходности в год составил 17% n Выглядит впечатляюще, особенно если учесть, что в отрасли автострахования редко происходят какие-то перемены. n Что же стало причиной столь неожиданного взлета представителя застойной отрасли? n n Секрет заключается в процессном подходе
+ Специалисты компании проанализировали такие аспекты выполнения работы, как «кто» , «что» , «когда» , «где» Что позволило им не просто отследить эффективность выполнения задач каждым работником, но и оценить, насколько хорошо эти задачи согласуются друг с другом и укладываются в общую картину n Прежде всего в компании был пересмотрен процесс приема претензий от клиентов. n Давайте сравним ситуацию до и после проектирования, что поможет нам понять саму его суть n
+ Процесс обработки претензий в Progressive Insurance проходил также как и в других компаниях
+ Единственное с чем хорошо справлялся старый процесс – оптимизация труда аварийных комиссаров Обычно до прибытия аварийного комиссара на место проходило не менее 5 дней n Причины – задержки при передаче информации из отдела в отдел n Для страховой компании в этом есть определенный интерес, но клиента совершенно не интересуют такие нюансы n Вам нужно получить деньги и вернуть машину ( а с ней и нормальную жизнь) n Теперь в компании Progressive Insurance новый процесс, который называется «Немедленный ответ»
Теперь в 3 смены
+ Внедрение нового процесса привело к поразительным результатам n Обслуживание при наступлении страхового случая укладывается в 1 день n Сократилось время на обработку претензий n Компания сократила и свои издержки n Аварийный комиссар приезжает еще до того, как тормозной след исчезнет, а свидетели уйдут с места аварии – легче отследить случаи мошенничества n С претензиями работает меньше людей n Клиенты соглашаются и на меньшие суммы, если получать их быстро и без лишних хлопот
+ Старый процесс n 3 шага, добавляющие ценность: n сбор информации об аварии n осмотр машины n определение суммы выплаты Новый процесс n 3 шага, добавляющие ценность n Сами операции не изменились. n Они иначе согласуются и от этого меняется картина в целом n Теперь внимание уделено конечному результату, который действительно важен для клиента
+ 7 принципов реинжиниринга
+ n Какие операции будут выполняться n Будут ли они выполняться и при каких условиях n Кто будет их выполнять n Когда n Где это будет происходить они будут выполняться n Насколько n Какая точно они будут выполняться информация будет при этом использоваться
Будут ли выполняться операции + И при каких условиях n Вспомним как в кейсе Anderson Aerospace все процессы поделили на 3 группы: n добавляющие ценность n не добавляющие ценность n напрасная трата времени n Как правило, все процессы выполняются в привычном порядке: этап № 1, этап № 2 … n Давайте оставим только те операции, которые приносят пользы больше, чем забирают времени и средств Вы получили счет на оплату и перечислили сумму меньшую, чем в ней указано n n n Большинство компаний будут добиваться полной оплаты -> вы получите еще один счет на оставшуюся сумму, независимо от ее размера Сколько стоит рассылка счетов? Руководство одной компании по обслуживании компьютеров подсчитало затраты на рассылку и изменило процесс. Теперь – если недоплаченная сумма меньше, чем стоимость выписки и отправки, то она просто списывается В результате экономит деньги.
+ n Еще пример n n n В страховой компании State Farm аварийные комиссары выезжали на осмотр в 2 -х случаях n необходимо оценить ущерб n убедиться в наличии повреждения Довольно часто водители обращаются из -за трещин на лобовом стекле Для оценки ущерба – выезжать не надо, стекло все равно подлежит замене Цель выезда – проверить действительно ли повреждено стекло n n n Постоянные клиенты, которые добросовестно оплачивают полиса, ни разу не сообщили об аварии. Вряд ли выйдут на тропу преступлений и начнут при этом с лобового стекла. Теперь, если кто-то из таких клиентов обращается с заменой стекла – компания пропускает шаг с осмотром и без вопросов выписывает чек на замену.
+ На сколько точно должны выполняться определенные действия В одной клинике в Чикаго руководство приняло смелое решение Даже если какой-то шаг необходим n n n n Может быть его можно выполнять не так тщательно или не настолько полно? Пример. В большинстве клиник пациенты получают счет за лечение, в котором указаны все затраты. Некоторые позиции действительно важны (пребывание в палате, врачебные услуги) Большая часть – мелкие расходы (салфетки, таблетки…) Закон Парето: незначительные детали – 80% списка, 20% - действительно важны. Вписать и составить такой счет – немалый труд для персонала n n n n Отказаться от точности при составлении счетов. Позиции стоимостью меньше 25$ в счет просто не включаются, хотя раньше составляли большую часть К счету просто плюсуется средняя стоимость салфеток, таблеток и других медикаментов в расчете на дневную стоимость пребывания в стационаре Что получилось? Пациенты не стали расходовать больше салфеток, хоть те и не учитываются У медсестер освободилось больше времени и они уделяют его пациентам Переработки персонала сократились на 37%
+ Какая информация будет использоваться General Mills При наличии огромного количества разнообразных данных не ясно, какая информация сделает работу эффективной n n Часто при планировании опираются на устаревшие данные, или наоборот – на результаты прогнозов на будущее, а может на чье-то субъективное мнение Возьмем прогноз продаж На его основе руководство принимает важные и дорогостоящие решения, связанные с заказом материала, составлением графика производства Если прогноз оказался ошибочным – все последующие действия будут неудачными n n Долгое время составляли график производства, опираясь на прогнозы продаж (хотя они никогда не сбывались) Прогнозы основывались на заказах, которые делали оптовые покупатели
Заказ от оптовиков Запрос ? ? ? Распределительный центр Заказ от розничных магазинов • График производства составляется в соответствии с реальными потребностями рынка • Объем складских запасов сократился на 25% • Случаев, когда товар на складе отсутствует стало в 2 раза меньше
+ Принцип когда может сработать даже в отрасли производства модной одежды, где конкуренция очень жесткая и все зависит от умения уловить сезонные тенденции моды
+ Zara – это супер, Zara – это круто, Zara – одна из самых быстро растущих компаний по производству одежды в мире, к тому же одна из самых прибыльных n n n Успех компании многие объясняют невероятным чутьем ее руководства, ведь в производство всегда запускаются самые актуальные модели, по самой лучшей цене и в самый нужный момент. Но секрет Zara – вовсе не толпа мировых дизайнеров, работающих от зари до зари В основе успеха этой марки лежат особенности процесса производства, которые с одной стороны, не представляют ничего особенного, но с другой – обеспечивают фирме высокую эффективность.
+ Большинство производителей одежды по вполне очевидной причине основную часть свое продукции шьют на азиатских фабриках. n n Zara действует иначе Вся одежда Zara выпускается в Европе, причем небольшими партиями n Разумеется производственные затраты у компании выше, чем у конкурентов Конкурентам требуется масса времени на то, чтобы запустить в производство новую модель. n Решение о том, что производить, принимается за несколько месяцев до начала сезона А ведь боги модной индустрии очень непостоянны – вот в чем проблема такого подхода n n n Что же касается Zara, то здесь все наоборот: n Более 80% продукции запускается в производство уже после начала сезона n В первые его дни компания реализует лишь мелкие партии одежды разных стилей После этого становится ясно, что будет продаваться, а что – нет. Когда сезон заканчивается компании приходится продавать со скидкой не так уж много моделей, да и распродажные цены не такие низкие, как у конкурентов
+ Кто? Кто и какую работу выполняет и как при этом взаимодействует с другими? n n n Многие компании допускают ошибку, подстраивая процесс под определенного человека, а не под реальные нужды предприятия Специальный менеджер получает доступ ко всем «шахтам» , берт из каждой все необходимое для выполнения процесса, координирует работу подразделений так, чтобы работа шла быстрее и эффективнее. Когда за все этапы процесса отвечает один человек, отпадает необходимость передавать дела из отдела в отдел и исчезают связанные с этим ошибки. Телефонная компания n n Раньше n Когда клиент сообщал о повреждении на линии, в работу включались 3 работника: один разговаривал по телефону, другой диагностировал неполадку, третий ее исправлял Теперь n Всем занимается один специалист, используя компьютерную программу. n Если с помощью компьютера не удалось устранить неполадку – выезжает специалист n Доля случаев, когда проблема устранялась за время телефонного разговора с клиентом, выросла до 74%, раньше она составляла 0, 5%
+ Организация назначает специального менеджера ответственным за процесс разработки продукта. n n n Получается, он должен руководить работой проектировщиков, инженеров, проводить маркетинговые исследования, оценивать затраты и делать выводы об экономической эффективности производства. В таких сложных случаях есть отличная альтернатива специальному менеджеру – специальная команда. Перед ней стоят те же задачи, однако для их решения задействовано несколько работников разного профиля. Они действуют согласованно, как единое целое. Чем команда отличается от обычной группы менеджеров, передающих другу дела? 1. 2. 3. У всех членов – одна общая цель. Члены команды лучше осведомлены о том, что происходит на разных этапах процесса. Члены команды обычно находятся в одном месте.
+ Транспортная компания Schneider Electric Процесс «Поиск новых клиентов» n n Цель процесса – увеличение выручки Раньше n Клиент отправлял запрос на перевозку с описанием всех доп условий n При расчете стоимости доставки в работу включались специалисты разных отделов n Отдел ценообразования n Отдел оформления договоров n Бухгалтерия n Запрос переходил из отдела в отдел, ожидание ответа затягивалось Как поступили в Scneider Electric n n Расчетом стоимости доставки теперь занимаются несколько команд для каждого типа клиентов n Для владельцев розничных магазинов n Для производителей Раньше на то, чтобы определить точную стоимость доставки требовалось 30 дней Теперь – не больше 2 -х дней. Количество заказов увеличилось на 70%
+ В некоторых случаях создать специальную команду невозможно Медицинские учреждения n n Большую часть времени сотрудники n работаю отдельно друг от друга В клиниках пациентами с серьезными n заболеваниями занимаются несколько врачей разной специализации. Назвать их командой нельзя – каждый сосредоточен на своей области, они могут n даже ни разу не встретиться за время лечения. Могут возникать проблемы: n одновременное назначение несовместимых лекарств, несогласованное лечение, неспособность ответить на элементарные вопросы: «Когда можно поехать домой? » , неэффективное расходование медикаментов Появилась новая врачебная специальность - госпиталист Пример того, что мы называем специальный менеджер Он согласовывает работу всех участников процесса – тем самым значительно повышает общую эффективность В его обязанности входит управление процессом предоставления медицинской помощи и координация деятельности врачей. Отслеживает все лечебные процедуры, составляет расписание, проверяет назначенные препараты, дает разъяснения по всем непонятным вопросам.
+ Где? К проектированию процессов применима известная среди риелторов поговорка: «Главное при выборе недвижимости – это место, место и еще раз место» n n n Рабочий процесс не обязательно должен происходить в одном месте. Пример компании HP. Принтеры продаются по всему миру. Их конструкция одинаковая и не зависит от места реализации -> производить их лучше в одном месте. С другой стороны, принтер нужно подключать к электросети и каждому покупателю нужна инструкция на его языке. Решение HP – все принтеры производят на одном заводе, затем их развозят по странам, где они будут продаваться, и там в коробку кладут кабель питания и и руководство пользователя, после чего запечатывают коробку.
+ Самый важный вопрос – какие операции нужно выполнять – оставили под конец, потому что ответ на него охватывает все принципы, изученные ранее Что нужно делать, чтобы дать клиенту желаемое? n n Progressive Insurance – в процесс был введен новый шаг – деление клиентов на дополнительные категории с целью более точного определения страховых рисков. Все страховые компании для мужчин до 25 лет рассчитывают стоимость страховки по одинаковой ставке. А в PI эту группу клиентов поделили на категории, расчет страховых рисков стал точнее. Но компания пошла еще дальше – менеджеры сообщают клиенту во сколько ему обойдется страховка у других компаний, даже если у конкурентов выходит дешевле. Зачем Progressive Insurance сделала так? 1. 2. 3. Потенциальные клиенты благодарны за эти сведения, и они начинают доверять PI, ведь больше никто так не делает. 1. Доверие клиентов нелегко заслужить, его не оценить в стоимостном выражении, но оно является ключевым преимуществом перед конкурентами. Водителям из группы с высокими страховыми рисками предлагается застраховаться у конкурентов (оценка рисков у тех менее детализирована и стоимость полиса ниже), где дешевле. 1. Теперь в PI обращаются в основном аккуратные водители, ведь полис им обойдется дешевле, чем в других компаниях. Компания остается в выигрыше в любом случае.
+ n n n Служащих ВВС США, как и работников любой другой организации, необходимо обучать и тренировать. Раньше, чтобы записать на курсы надо было пройти сложный и нелепый процесс. Человек, заинтересованный в обучении, получает одобрение непосредственного руководителя. Запрос направляется командиру базы. Запрос подписывает секретарь. Что плохого? Процесс занимал 40 дней, а обучение надо было пройти немедленно. n n При ближайшем рассмотрении оказалось: n Ни командир базы, ни высшее руководство не отклоняли запрос на обучении n То есть, если руководитель группы давал добро, то окончательное согласование становится делом решенным. Из нового процесса исключили все согласования – время рассмотрения сократилось с 40 дней до 1.
+ MIT и Harvard расположены в одном городе – в Кембридже, штат Массачусетс. Студенты этих заведений могут посещать лекции и там, и тут. n Раньше руководство ВУЗа определяло количество часов для студента, в конце семестра ему выставлялся счет на определённую сумму. n При изучении процесса оказалось, что разница между суммами по счетам двух вузов меньше, чем затраты на их составление. n Теперь студенты, как и раньше посещают занятия, только выписка счетов отсутствует. n
+ Что можно и чего нельзя делать при проектировании процессов n Изучите процесс, который хотите перестроить. n Изобразите текущий процесс в виде «плавательной дорожки» . n Подготовьте команду по проектированию процесса n Каждая команда должна заниматься лишь одним процессом n Не слишком увлекайтесь анализом процесса n не включайте в команду по проектированию больше 9 и меньше 5 человек n Не создавайте процесс по образу и подобию старого.
+ «Трудное – это, что можно сделать немедленно. Невозможное требует несколько больше времени» Ф. Нансен
+ Что такое бизнес-инжиниринг и зачем компании используют этот метод • При проведении кардинальных изменений количество и скорость изменений требуют от руководителей применения все более формализованных и технологичных методов. • Ноу-хау бизнес-инжиниринга заключается в детальном и формализованном описании элементов управления бизнесом, в том числе ее бизнес-процессов, способствующих реализации функций. • Применение методов бизнес-реинжиниринга (реинжиниринга бизнес-процессов) дает возможность проводить необходимые изменения в компании более фундаментально, радикально и технологично.
+ На каких принципах основан бизнесинжиниринг компании? • Изменения бизнеса при помощи реинжиниринга основано на признании ценности процессов деятельности (бизнеспроцессов) и ориентации на потребности так называемых "клиентов бизнес-процессов", то есть тех лиц внутри или за пределами организации, которые являются получателями результатов различных процессов деятельности компании. • Поскольку при реинжиниринге приходится существенно изменять процессы деятельности и, следовательно, выходить за рамки функционального принципа построения подразделений, это сопровождается столь же радикальными переменами в построении и характере подразделений, осуществлявших прежние бизнес-процессы.
+ Реинжиниринг невозможен без моделирования исследуемого объекта n При реинжиниринге пересматривается модель бизнеса, так как появляются новые способы деятельности предприятия. n Моделирование бизнес-процессов позволяет временно абстрагироваться от структуры предприятия и сосредоточиться на выполнении его основных функций. n При это м модель должна: n Отвечать требованиям формализации процессов n Выявлять недостатки процессов n Содержать изменяющиеся параметры и структурные характеристики процессов
+ n n Из каких этапов состоит реинжиниринг компании? Работа состоит из 2 -х этапов n «обратного» инжиниринга n «прямого» инжиниринга Чтобы изменить ситуацию, ее сначала описать и оценить. n Реинжиниринг начинается с описания и оценки ситуации «как есть» . n Чтобы понять, как и зачем менять, надо разработать цели и стратегию изменений, модель «как нужно» n n n n После этого разрабатывается план перехода от «как есть» к «как нужно» . Отсюда можно выделить основные шаги: 1. Выбор стратегических приоритетов. 2. Создание модели «как есть» на основе моделирования бизнеспроцессов и функциональной структуры 3. Анализ модели и выявление узких мест 4. Разработка новой функциональной структуры и бизнес-процессов 5. Разработка и организация ИС 6. Внедрение новой системы управления
+ Обязательно ли выполнять все этапы? Различают реинжиниринг (перепроектирование отдельных БП) и реорганизацию (полная реструктуризация орг структуры и БП) n Многие компании ограничиваются «обратным» реинжинирингом – построением и анализом модели процессов «как есть» . n Дает возможность выявлять узкие места компании, оценивать последствия увеличения/уменьшения ресурсов, сравнивать последствия
+ Актуально ли использование технологий реинжиниринга для небольших компаний? Даже в маленькой компании число функций исчисляется десятками. Небольшие компании обычно применяют технологии бизнес -реинжиниринга в упрощенном виде: • вместо использования специального программного обеспечения бизнес-процессы документируются в "бумажном" виде • компания может сосредоточиться только на более крупных элементах бизнес-реинжиниринга – • на стратегии, • организационной структуре, • функциональной модели компании и • только на нескольких наиболее важных бизнеспроцессов для компании.
К каким конкретным результатам + приводит реинжиниринг? Как правило в компаниях, которые провели реинжиниринг: n Уменьшается количество ошибок и отпадает необходимость в специальной группе сотрудников для устранения этих ошибок n Улучшает управляемость компании за счет более четкого распределения ответственности между сотрудниками n Минимизируется количество необходимых согласований n Исполнители получают возможность самостоятельно принимать решения n Наделение сотрудников большими полномочиями в сочетании с четкостью организации работы приводит к значительному повышению отдачи
+ Можно ли использовать опыт других компаний при проведении реинжиниринга? Реинжиниринговые команды могут использовать бенчмаркинг (benchmarking) n Бенчмаркинг – поиск компаний, которые делают что-то лучше всех, и изучение того, как они этого добиваются, чтобы использовать информацию при реинжиниринге своей компании. n Проблема бенчмаркинга – может ограничить мысленную работу реинжиниронговой команды рамками того, что уже сделано в отрасли.
+ «Огромная ошибка – делать выводы, не имея необходимой информации» А. Конан Дойл «Время, потраченное на разведку, не следует считать проведенным зря» Сан Дзу
+ Для целей бизнес-инжиниринга бизнес-процессы изображаются или моделируются в виде схемы Бизнес-процесс 2 Бизнес-процесс 1 Бизнес-процесс 3
+ В какой последовательности нужно осуществлять моделирование БП? 1. Идентификация бизнес-процессов компании Например, термин "производство" подходит для процесса, происходящему от момента закупки сырья до момента отгрузки готовой продукции. Примеры типичных бизнес-процессов в компании: "Разработка продукта" - от выработки концепции до создания образца; "Продажи" - от выявления потенциального клиента до получения заказа; "Выполнение заказа" - от оформления заказа до осуществления платежа; "Обслуживание" - от получения запроса до разрешения возникшей проблемы. • Компания может построить схемы своих процессов так же, как она создает схему организационной структуры. • Сначала выделяются наиболее крупные или основные процессы компании, которые в совокупности и составляют бизнес. • Потом на отдельных схемах каждый крупный бизнес-процесс может быть детализирован до той степени подробности, которая будет необходима.
2. Выбор бизнес-процессов для реинжиниринга После того, как бизнес-процессы идентифицированы и построены их схемы, необходимо решить, какие именно процессы требуют реинжиниринга и каким должен быть его порядок. Обычно компании используют три критерия, помогающие им сделать выбор: 1. Факт нарушения процесса: осуществление каких бизнеспроцессов сопряжено с наибольшими трудностями? 2. Фактор значимости: какие процессы оказывают наибольшее воздействие на клиентов компании? 3. Фактор осуществимости: какие из происходящих в компании процессов могут быть перепроектированы в данный момент наиболее успешно?
+ 1. Изучение выбранных для реинжиниринга бизнес-процессов n Из чего состоит бизнес-процесс n Насколько хорошо(плохо) он функционирует n Какие основные проблемы влияют на его результаты
+ Как обнаружить нарушенные бизнес-процессы? n Наиболее очевидной мишенью являются процессы, уже вызывающие трудности у руководителей компании n Симптомы сбоя 1. Переделки и повторные работы 2. Необходимость в большом количестве учетных и контрольных функций 3. Постоянно возникающие особые обстоятельства и исключения из правил 4. Слишком большое количество коммуникаций
+ Современные методы построения моделей бизнес-процессов Структурный анализ
Структурный анализ n Метод исследования системы, которое начинается с общего анализа и затем детализируется, приобретая иерархическую структуру n В этом случае компания представляется как набор функций, преобразующих поступающий поток информации в выходной поток n В структурных методах широко используются графические нотации, что существенно упрощает восприятие моделей. n Нотация – система условных обозначений, принятая в какой-либо области знаний.
Наиболее часто используемые системы условного обозначения n DFD (Data Flow Diagrams) – диаграммы потоков данных совместно со спецификациями процессов нижнего уровня n SADT (Structured Analysis and Design Technique) – диаграммы структурного анализа и проектирования систем n ERD (Entity – Relationship Diagrams) – диаграммы «сущность – связь» n STD (State Transition Diagrams) – диаграммы переходов состояний. n Все они содержат графические и текстовые средства моделирования для удобства отображения основных компонентов модели и для обеспечения точного определения ее компонентов и связей
+ Проектирование бизнес-процессов n Имея формализованную стратегию, можно приступить к проектированию бизнеспроцессов компании n Наиболее популярные нотации n IDEF 0 n Basic Flowchart n Cross Functional Flowchart n EPC
+ Нотацию IDEF 0 целесообразно использовать для построения иерархической модели БП верхнего уровня n Нотации Basic Flowchart (Процесс), Cross Functional Flowchart (Процедура) и EPC для моделирования процессов нижнего (операционного) уровня. n В соответствии с процессным подходом для процесса задаются: n n Входы/Выходы n n Владелец процесса Требования Сочетание наглядных графических нотаций и параметров процесса обеспечивает максимально комфортную работу бизнес-аналитика от начала проектирования до выпуска регламентирующей документации.
+ Обязательным элементом процессного управления являются ключевые показатели эффективности KPI ( Key Performance Indicators) C помощью KPI планируется и контролируется деятельность, протекающая в рамках процесса. n Это инструмент оперативного управления. n + KPI используется для построения системы мотивации персонала, при этом величина вознаграждения сотрудника прямо зависит от результативности процессов, которые он исполняет. n KPI Система измерения/ расчета Коммерческие показатели Выручка План/факт Прибыль План/факт Некоммерческие (качественные) показатели Своевременность подачи отчетов План/факт Выполнение плана посещений клиентов План/факт Количество новых привлеченных клиентов План/факт
+ Нотация IDEF 0 или матрёшка для бизнес-аналитика «Divide et impera» Максима римского сената
IDEF 0. Шел 1981 год…. n Департамент ВВС США разрабатывал программу автоматизации промышленных предприятий- ICAM (Integrated Computer Aided Manufacturing) Фактически это целое семейство методов от IDEF 0 до IDEF 14 n n IDEF 0 – моделирование функций n n n Необходимо было уметь моделировать автоматизированное предприятие всем участникам параллельно IDEF 1 и IDEF 1 Х – информационная модель и модель данных соответственно n Был разработан набор стандартов IDEF(ICAM DEFinition) IDEF 2 - модель динамического развития организации n IDEF 3 – методология документирования БП в организации n IDEF 4 – объектноориентированные методы проектирования. Одним из стандартов набора являлась нотация функционального моделирования под кодовым названием IDEF 0, спецификация для последней на данный момент версии была выпущена в декабре 1993 года
+ n Функциональный блок (Activity box) Блоки обозначают процессы или функции, рассматриваемой системы Стрелка (Arrow) n Стрелки отображают связи между процессами или с внешней средой Особенность IDEF 0 Декомпозиция (разбить процесс на подпроцессы) до необходимого уровня подробности n 4 типа стрелок: 3 типа входов – вход, управление, механизм, и 1 выход n
+ Нотация IDEF 0 служит прежде всего для описания состава процессов, а не их последовательности.
Аристарх Григорьевич Мария Федоровна Сын Коля Дочь Юля
В голове у Марии Федоровны существует множество схем типичных её занятий: • рецепт борща, • последовательность уборки квартиры, • время полива каждого цветочка, • расписание работы музыкальной школы дочки и секции карате сына, • а также информация об огромном количестве дел, которые она делает ежедневно и не по разу.
И вот однажды
Аристарх Григорьевич в шоке: как что делать? • Кастрюля с бульоном на месте, морковка и свёкла есть, но борщ-то как сварить? • Сын требует срочно постирать кимоно, а дочь – погладить жабо для выступления. • Чем стирать кимоно и как его засунуть в непонятное круглое окошко, Аристарх Григорьевич не знает.
В панике Аристарх Григорьевич звонит Марии Фёдоровне, которая начинает терпеливо и устно описывать… …бизнес-процессы: «Приготовление борща украинского» , «Стирка белых вещей в стиральной машине» , «Глажка воротничка типа жабо»
Функциональное моделирование начинается с того, что n выделяется основная задача, которая решается путём выполнения этого бизнес-процесса n В нашем случае эта задача формулируется следующим образом: «Приготовить борщ» n Входные данные / Input n Выходные данные / Output OUT IN
n Нужно выделить механизм (mechanism), т. е. тех исполнителей, которые будут задействованы в бизнес-процессе. n В нашем примере в качестве механизма выступает собственно Аристарх Григорьевич и сын Коля. n Правильное выполнение процесса должно чем-то контролироваться (какими-то стандартами, методиками, технологиями и проч. ). n Это что-то в нотации IDEF 0 называется «управлением» (control) и обязательно должно фигурировать на функциональной диаграмме.
Контекстная диаграмма Кулинарная книга Овощи Мясо Советы Марии Федоровны Приготовить борщ Аристарх Григорьевич Коля Борщ
n Контекстная диаграмма важна при компоновке общего взгляда на решаемую бизнес-задачу: n n что нам требуется и в каком количестве, что мы получим на выходе, кто задействован в бизнес-процессе, какие регулирующие документы нам необходимы для качественного решения поставленной задачи. n Контекстная диаграмма не даёт полного видения процесса, а лишь общий взгляд n Для того, чтобы просмотреть последовательность выполнения процесса, нужно декомпозировать диаграмму, т. е. дать чуть более детальное описание процесса n Удобнее разбивать гигантскую общую задачу на 4 -5 более мелких, примерно равной степени детализации n Задачи эти могут быть как последовательными, так и параллельными по времени их выполнения
Контекстная диаграмма Кулинарная книга Овощи Мясо Советы Марии Федоровны Приготовить борщ Аристарх Григорьевич Коля Борщ
Диаграмма декомпозиции 1 -го уровня Кулинарная книга Мясо Приготовление бульона 1 Овощи Советы Марии Федоровны Бульон Подготовка овощей 2 Варка супа 3 Подготовленные овощи Аристарх Григорьевич Коля Подача супа на стол 4 Борщ
Для IDEF 0 имеет значение сторона процесса и связанная с ней стрелка: • слева входящая стрелка – вход процесса – информация (документ), ТМЦ, который будет преобразован в ходе выполнения процесса; • справа исходящая стрелка – выход процесса – преобразованная информация (документ), ТМЦ; • сверху входящая стрелка – управление процесса – информация или документ, который определяет как должен выполняться бизнес-процесс, как должно происходить преобразование входа в выход; • снизу входящая стрелка – механизм процесса – то, что преобразовывает вход в выход.
+ • Выход одного процесса является входом/управлением/механизмом другого бизнеспроцесса. • На диаграмме процессы принято располагать по диагонали с верхнего левого угла в нижний правый. • Количество процессов не более 6 -8. • Основные потребители нотации IDEF 0 – руководители, которым необходимо видеть и понимать взаимосвязь процессов, не вникая в мелочи. n Преимущества IDEF 0 n Показывает взаимодействие процессов в общем виде, без лишних подробностей n Недостатки IDEF 0 n Нельзя увидеть алгоритма выполнения бизнес-процессов n Требует определенной подготовки для разработки и чтения нотации
+ Нотация Процесс (Basic Flowchart) В MS Visio
+ n Данная нотация используется для представления алгоритма выполнения процесса (класс workflow) n Используются графические элементы: n Событие n Процесс n Решение n 2 типа стрелок n Стрелки предшестования n Стрелки «Поток объектов» n Нотация Basic Flowchart поддерживает декомпозицию на подпроцессы n Эту нотацию можно применять при моделировании отдельных процессов компании, а также на нижнем уровне модели бизнес-процессов, созданной в нотации IDEF 0.
Как составить Flowchart? ! Читается сверху вниз! Старт/Стоп Закруглённым блоком обозначается начало и конец процесса Потоки информации, документов. .
Решение/Decision Анализ информации о потенциальных поставщиках «НЕТ» Информации достаточно «ДА» Информации достаточно Процесс/Process Формирование счета на оплату Connector B Круг содержит цифру или букву. Означает что диаграмма имеет ссылку на другую диаграмму или страницу
+ Соберем все вместе
Получен бланк на заполнение счета Ф 2 Женат/заму жем Семейное положение Single ДА ДА Возраст: меньше 45 лет? Месячный доход меньше 40 000 руб? Не надо заполнять бланк Стоп НЕТ Месячный доход меньше 60 000 руб? НЕТ Надо заполнять бланк Стоп ДА Не надо заполнять бланк Стоп
+ Преимущества Basic Flowchart Недостатки Basic Flowchart n Просто, наглядно n Простота. n Можно быстро описать n Набор графических шаги бизнес-процесса. n Использование не требует специальных знаний. n Легко воспринимается сотрудниками с разным уровнем подготовки. элементов очень ограничен для передачи информации о бизнеспроцессе. n Например, на диаграмме никак не обозначены участники процесса
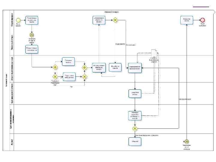
+ Нотация процедура Cross Functional Flowchart MS Visio
+ Нотация используется для представления алгоритма выполнения процесса (класс workflow) n Дополнительно к графическим элементам применяемых в Basic Flowchart, используются дорожки (Swim Lanes), обозначающие организационные единицы – исполнителей действий процесса. n Cross Functional Flowchart поддерживает декомпозицию на подпроцессы n Нотацию можно применять для моделирования отдельных процессов компании, а также на нижнем уровне модели бизнес-процессов, созданной в нотации IDEF 0
+ Недостатки Cross Functional Flowchart n В некоторых случаях может быть удобней использовать дополнительные графические элементы, которые имеются в других нотациях. Преимущества Cross Functional Flowchart значительные n Нотация является очень простой для создания и понимания сотрудниками с разным уровнем подготовки
+ Нотация EPC (Event-Driven Chain)
+ n n n Данная позиция используется для представления алгоритма выполнения процесса (класс workflow) Диаграмма, описанная в нотации EPC (событийная цепочка процессов), представляет собой упорядоченную комбинацию событий и функций Для каждой функции могут быть определены начальные и конечные события, участники, исполнители, материальные и документальные потоки, сопровождающие ее. В нотации EPC ветвление стрелок осуществляется с использованием операторов. Нотация поддерживает декомпозицию на более низкие уровни. Диаграмма декомпозируемой функции EPC может быть описана только в EPC Можно применять для моделирования отдельных процессов, а также на нижнем уровне модели бизнес-процессов, созданной в нотации IDEF 0
n Нотация EPC была разработана в начале 1990 -х гг. в ходе разработки методологии ARIS, как процессная её составляющая n Отцом-основателем EPC считается профессор Вильгельм- Август Шеер n Целью создания нотации EPC была возможность описания процессов так, чтобы выполняемые внутри них функции имели глобальную в рамках диаграммы семантику, что означает, что выполнение функции на диаграммах EPC необязательно является чётко прописанным, а может быть зависимым от состояния других узлов диаграммы, порой очень далеко отстоящих друг от друга
EPC n Центральным элементом диаграмм нотации EPC являются события n События порождают выполнение неких действий некими участниками n Завершение выполнения действий, в свою очередь, генерирует другое событие и так далее, пока система не придёт в состояние, появление которого в рамках процесса считается конечным событием
Bates HOTEL n Сотрудник рецепции Иво Петков получает запрос от одного из постояльцев на срочную замену умывальных принадлежностей в номере. n В терминах EPC – привести систему из состояния «Получен запрос от клиента на смену умывальных принадлежностей» в состояние «Запрос клиента удовлетворён»
Что есть что в EPC ОПЕРАТОРЫ СОБЫТИЕ AND ФУНКЦИЯ OR XOR ИСПОЛНИТЕЛЬ
+ Недостатки EPC Обладает очень широким набором графических элементов, что может быть сложным для понимания по сравнению с другими нотациями n Для разработки и чтения процессов в этой нотации требуется предварительная дополнительная подготовка n Преимущества EPC Позволяет очень детально и точно описать выполнение процесса n Показывает на диаграмме в графическом виде всех исполнителей, все используемые объекты n
БИ_неделя3.pptx