Л_02_тема_2_Назначение САУ и САР.ppt
- Количество слайдов: 35
Развитие автоматики на транспортной технике 1. Логические автоматические устройства 2. Автоматический контроль параметров движения на транспортной технике 3. Автоматические устройства транспортной техники, обеспечивающие функционирование технических систем
Автомат – это система механизмов и устройств (электрических, электронных, механических, пневматических, гидравлических и т. п. ), в которой процессы получения, преобразования, передачи и использования энергии, материала и информации выполняются без непосредственного участия человека. Различают технологические, транспортные, вычислительные, управляющие и другие автоматы. Важнейшей особенностью любого автомата является полная механизация процессов переработки информации. Основой логических схем автоматов являются способы введения и использования информации. Рабочий цикл преобразования информации, в автомате А определяется программой которая может задаваться в аналоговой форме, цифровым способом и в комбинации аналоговой и цифровой форм.
Разомкнутые Замкнутые Цифровые Аналоговые А АЦ Адаптивные
Логические автоматы AI, A 2 и АЗ предельно просты - поток информации от программы поступает к устройствам управления, и от них к исполнительным механизмам. Пример – торговые автоматы. Информация из блока программы передается в специальный узел, где она преобразуется в вид, удобный для управления источником энергии и исполнительными механизмами. Такие автоматы имеют один поток информации, который реализуется разомкнутой схемой управления А 4. Копировальный принцип
Автоматы более высокого класса имеют два автономных потока информации, которые передаются по прямой и обратной цепям управления. В таких автоматах первым источником потока информации служит исходная программа, вводимая извне, а вторым источником - устройство, измеряющее параметры отдельных звеньев исполнительного механизма или обрабатываемого изделия. Прямая цепь управления Обратная цепь управления
1 – балансируемое изделие; 2 – передаточное устройство привода; 3 – управляющее устройство; 4 – электродвигатель; 5 – сверлильный агрегат; 6 – блок управления; 7 – датчик дебаланса.
Автоматы, обладающие свойством запоминать и обобщать опыт своей работы, вырабатывая оптимальную программу, называются адаптивными автоматами А 6 УУ Двигат. У Рабочие органы Программа Блок памяти Блок адаптации Устройство сбора информации, измерения параметров двигательного устройства или изделия
Адаптивные автоматы А 6 можно характеризовать тремя потоками информации, поступающими из блоков программы 1, измерений 4 и оперативной памяти 7. При этом автомат А 6 имеет значительно расширенные функциональные возможности и новые свойства, обеспечивающие стабильное выполнение оптимальной программы. В основе построения и функционирования автоматов лежат принципы алгебры логики, которая является одной из основных частей математической логики и широко используется в теории релейных схем, электронновычислительных и управляющих машин, логических устройств управления и дискретных автоматов.
Классические виды логических элементов. Наиболее распространенный тип интегральных микросхемы – аналоговые. Их ассортимент необычайно широк и разнообразен, но основное поле деятельности в звуковой технике (усилители и т. д. ), поскольку они оперируют сигналами, уровень которых может меняться плавно, непрерывно, приобретая в процессе этих изменений бессчётное множество разных значений. Дискретные (цифровые) применяются в компьютерных областях, там где нужны быстрые и чёткие сигналы.
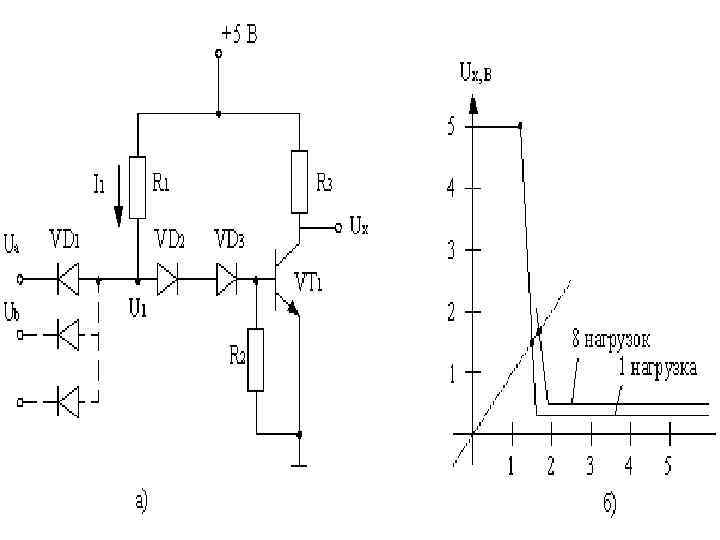
Одним из первых семейств цифровой логики мы рассмотрим диодно -транзисторную логику. Если напряжение на входе А равно 0, то диод VD 1 смещен в прямом направлении и напряжение U 1 равно +0, 6 В. Эта величина недостаточна для открывания диодов VD 2 и VD 3 и перехода база-эмиттер транзистора VТ 1. Поэтому ток i 1 течет через диод VD 1, источник напряжения Ua и на землю. Транзистор VТ 1 закрыт, при этом Ux = +5 В. Если Ua увеличивается, то U 1 также растет до тех пор, пор пока не достигнет 1, 2 В. При этом U 1 = 1, 8 В. В этот момент VD 2, VD 3, VТ 1 открываются и ток i 1 течет через транзистор VТ 1 и переводит его в насыщение. Дальнейшее увеличение напряжение Ua запирает диод VD 1. но не может повлиять на величину U 1 или состояние транзистора VТ 1. Это относительно резкое изменение величины напряжение Ux от +0, 5 В до величены на насыщенном транзисторе Uкэ нас приведено, в соответствии с рисунком 1 б. Из графика видно, что интервалы напряжений, соответствующие логическим состояниям 0 и 1, примерно равны
Автоматический контроль параметров движения: перемещения, положений, скорости и частоты вращения, ускорений 1. Принципы регистрации параметров движения 2. Приборы и оборудование для регистрации параметров движения Основы ТАУ лекция 3
2 Способы регистрации изменения положения в пространстве Изменение положения материального объекта в пространстве происходит под действием механических усилий при взаимодействии деталей по следующим траекториям: 1. линейные возвратно-поступательные перемещения 2. вращательные полнооборотные и угловые перемещения (малой и большой величины) 3. вибрации 4. деформация формы детали 5. внутренние твердотельные упругие колебания 6. зазоры между деталями
Датчик перемещений поплавка
Автоматизация ТПН
Стуки и шумы ДВС
Пьезоэлектрический датчик
1 - Элемент Холла 2, 3 - Полюса магнита 4 - Аттенюатор 5 - Окно
Шаговые распределители имеют щетки, которые перемещаются шагами, производя поочередное переключение цепей. При включении электромагнита 5 якорь 4 притягивается и собачка 6 взводится на один зуб храповика, укрепленного на одной оси со щетками. При выключении электромагнита якорь под действием пружины и рычага 3 возвращается в прежнее положение и собачка поворачивает храповик с щетками на один шаг. Положение храповика и щеток фиксируется стопорной собачкой 2.
Перемещением луча управляет внешнее вращающееся магнитное поле
Для программирования последовательности включения и выключения цепей автоматических электрических схем часто применяются реле моторного типа. Этими реле (командоаппаратом), можно управлять различными механизмами, имеющими большое количество электрических цепей
В системах автоматического контроля и регулирования в процессе измерения физическая величина сравнивается с образцовой мерой. Приборы и схемы, выполняющие эту функцию, представляют группу элементов сравнения. К ним относятся автоматические компенсаторы, уравновешенные мосты и устройства с дифференциально-трансформаторными схемами
Форсунка и плунжерная пара
Спасибо за внимание !!!


