РСБНА-317.ppt
- Количество слайдов: 99
Разновидности бортовой радионавигационной аппаратуры РСБН и П РСБН-6 С «Ромб» - бортовая радионавигационная аппаратура ближней навигации и посадки с БВП и БВН А-312 бортовая радионавигационная аппаратура ближней навигации и посадки "Радикал. НП" (ЕУ 1. 247. 193) А-312 -ОВК аппаратура определения взаимных координат "Радикал-ОВК" А-312 СМ бортовая радионавигационная аппаратура ближней навигации и посадки КА А-313 - бортовая цифровая вычислительная машина "Маневр В" (ЕУ 1. 247. 199) для А 317 А-315 аппаратура определения взаимных координат самолетов группы "Окружность" А-317 - бортовая радионавигационная аппаратура ближней навигации и посадки (ЕУ 1. 247. 230) для СУ 27 А-320 бортовая радионавигационная аппаратура ближней навигации и посадки "Веер-М" А-321 бортовая радионавигационная аппаратура ближней навигации и посадки "Коралл-И" А-323 - бортовое радионавигационное оборудование БРНО-29 (ЕУ 1. 247. 228) для Ми. Г 29 А-324 бортовая радионавигационная аппаратура ближней навигации и посадки "Клистрон" (ВШ 1. 247. 012) А-325 бортовая радионавигационная аппаратура ближней навигации и посадки А-326 аппаратура контроля местоположения в групповом полете "Роговица" А-327 аппаратура контроля местоположения в групповом полете А-330 ? ? ? А-331 бортовая радионавигационная аппаратура ближней навигации и посадки (ЕУ 1. 247. 273) А-340 бортовая радионавигационная аппаратура ближней навигации и посадки "Привод. СВ-Борт" (ЕУ 1. 247. 216) А-380 бортовая радионавигационная аппаратура ближней навигации и посадки "Резистор. К 42 -Борт" палубной авиации А-380 МК бортовая радионавигационная аппаратура ближней навигации и посадки палубной авиации
РСБН-6 С «Ромб» : Самолетный Приемник Азимута и Дальности «СПАД 2 И» Самолетный Запросчик Дальности «СЗД ПМ» моноблок БИО в составе: Блок Измерения Азимута и Дальности «БИАД 01» (БИАД 04) Блок отработки «БО» (БО 01, БО 04) Блок сопряжения «БС» (БС 04) Блок Вычисления Наигации «БВН» Блок Вычисления Посадки «БВП» Щиток Перключения Кодов «ЩПК» Щиток Контроля Посадки «ЩКП» Щиток Управления «ЩУ» Прибор Показывающий Дальность «ППД 2» РСБН 6 СВ РСБН 7 С РСБН ПКВ с режимом «Встреча» РСБН «изделие А-324» «Клистрон» (литеры ДК 18, ДЛ 18, ДМ 18, ДН 18) блок А 312 001 (азимутально дальномерный приёмник) блок А 312 002 (самолетный запросчик дальности) блок А 324 031 или А 324 050 (щиток управления) блок А 324 016 (процессор сигналов) блок А 312 026 РСБН 85 В
Радиотехническая система РСБН позволяет в зоне действия решать следующие задачи самолетовождения: непрерывно определять место самолета; выполнять полет по заданному маршруту; выводить самолет в любую заданную точку независимо от условий видимости с указанием момента подхода к точке и момента ее пролета; определять навигационные элементы полета (ФМПУ, путевую скорость самолета и угол сноса); осуществлять контролируемое пробивание облачности и заход на посадку.
Радиотехническая система ближней навигации дециметрового диапазона РСБН 4 Н(М) СОСТАВ: Аппаратная РСБН 4 НМ; Выносной индикатор кругового обзора (ВИКО); Блок дистанционного управления ТУ ТС; Дизельная электростанция типа ЭД 16; Преобразователь сети ВПЛ исключен
Наземные радиомаяки РСБН 4 Н, совместно с бортовым оборудованием предназначены: • для непрерывного указания экипажам местоположения самолетов и вертолетов при полетах по любому заданному маршруту в зоне действия радиомаяка; • для автоматического привода самолета в любую заданную точку (в зоне действия системы) независимо от условий видимости; • для ведения наземного контроля за движением самолетов, работающих с маяком. Технические характеристики Точность определения по дальности + 200 м + 0, 03% Точность определения азимута + 0, 25' Диапазон частот дециметровый Число частотно кодовых каналов 88 Дальность действия радиомаяка при работе с бортовой аппаратурой РСБН-2 С: при высоте полета 35 000 м 500 550 км при высоте полета 20 000 м 450 км при высоте полета 5 000 м 250 км при высоте полета 250 м не менее 50 км ЭЛЕКТРОПИТАНИЕ Сеть 380/220 В, 50 Гц Потребляемая мощность не более 30 к. ВА (с использованием преобразователей ВПЛ З 0)
Радиотехническая система ближней навигации (сокр. РСБН) до последнего времени являлась основным средством ближней навигации военной и гражданской авиации России и СНГ. РСБН представляет собой комплекс наземного и бортового оборудования (РСБН 2, 4, 6, 7 и др. ), обеспечивающий (в различных комплектах и модификациях): определение места самолёта (МС) в режиме "Навигация" по непрерывно измеряемым азимуту и наклонной дальности; обеспечение полёта по заданному маршруту; вывод ВС в любую заданную точку в пределах дальности действия радиоканала; определение условных отклонений на посадке в режиме “Посадка” и выдачу на навигационно пилотажные и командно пилотажные приборы; режим межсамолётной навигации ( «Встреча» ); индикацию и опознавание самолета на экране наземной РЛС из состава РСБН; опознавание радиомаяков на борту самолета. Для каждой стационарной (для военной авиации могут применяться передвижные комплексы) наземной станции РСБН фиксируются географические координаты и номер канала. В отличии от зарубежных систем ближней навигации VOR/DME, ориентированных по магнитному меридиану, РСБН выдают значение азимута ЛА от истинного севера. Несмотря на большую точность и наличие дополнительных функциональных возможностей по сравнению с VOR, после прекращения существования СССР, РСБН дальнейшего распространения в ГА не получила. Диапазоны частот: канал азимута 873. 6 812. 8 м. Гц, канал дальности: запрос 772 812. 8 Мгц, ответ 939. 6 1000. 5 Мгц Количество каналов “Навигация” 88, “Посадка” 40; точность по А=0, 25° по Д=± 200 м; время готовности 1, 5 мин. Дальность действия 380 км при высоте полёта ВС 10 км;
РСБН 6 С представляет собой комплекс радиотехнических устройств и вычислителей, обеспечивающих определение текущих координат самолета с выдачей информации о положении самолета в пространстве, построение траектории полета и формирование управляющих сигналов на следующих этапах полета: полет по заданному маршруту; возврат самолета на запрограммированный аэродром посадки, оборудованный наземными радиосредствами; полет на крейсерской высоте и пробивание облачности вниз до высоты H = 630 ± 30 м; выполнение предпосадочного маневра; заход на посадку до высоты H = 60 м; повторный заход на посадку; возврат и посадка на незапрограммированный аэродром, оборудованный наземными радиотехническими средствами. Тактико-технические данный РСБН-6 С 1. Дальность действия аппаратуры в режиме радиокоррекции в пределах геометрической видимости, но не более 496 км. при H = 20 км Д = 450 км; H = 10 км Д = 360 км; H = 5 км Д = 250 км; H = 1 км Д = 110 км; H = 250 м Д = 50 км. 2. Погрешность определения полярных координат по сигналам наземного радиомаяка: по каналу азимута – 2σ = 0, 25°; по каналу дальности – 2σ = (0, 2 0, 03 % Д) км. 3. Погрешность выдачи полярных координат на индикаторные приборы НПП и ППД 2: по курсовому углу на радиомаяке – 2σ = 2°; по дальности – 2σ = (0, 2 0, 03 % Д) км. 4. Диапазон частот аппаратуры по каналу связи САМОЛЕТ ЗЕМЛЯ – от 712– 808 МГц. 5. Число частотно кодовых каналов в режиме навигации и в режиме посадки – 40. 6. Рабочая область в режиме автономного счисления ортодромических координат – 6000 x 6000 км. 7. Инструментальная погрешность определения ортодромических коор динат – σ = (0, 03·S+5) км, 2 где S – путь, пройденный в режиме автономного счисления. 8. Погрешность расчета выхода в створ ВПП по боковому отклонению для 4 х запрограммированных аэродромов посадки ± 500 м на удалении 21, 0 км. 9. Погрешность формирования сигнала отклонения от заданной высоты на крейсерской высоте 10, 5 км – не более ± 500 м, на высоте предпосадочного маневра 630 м – не более 30 м. 10. Пробивание облачности вниз осуществляется по траектории с углом наклона 6 ± 1°. 11. Мощность, потребляемая аппаратурой РСБН 6 С: по сети 27 В ± 10 % постоянного тока не менее 160 Вт; по сети ~115 В ± 5 % 400 Гц ± 5 % не более 350 ВА; по сети ~36 В ± 5 % 400 Гц ± 2 % не более 250 ВА. 12. Масса комплекта – 77, 5 кг.
КОМПЛЕКТ 1. Антенно фидерная система (АФС); 2. СПАД 2 И – приемник; 3. СЗД ПМ – передатчик; 4. БСи. О – блок сигнализации и ограничения; 5. БИО 01 – моноблок измерения и отработки: а) БИАД 04 – блок измерения азимута и дальности; б) БС – блок сопряжения; в) БО – блок отработки; 6. ЩПК – щиток переключения каналов; 7. БВП – блок вычисления посадки; 8. ЩУ – щиток управления; 9. ППД 2 – прибор, показывающий дальность; 10. БВН – блок вычисления навигации; 11. ЩКП – щиток контроля посадки; 12. БПАД – блок питания автономных датчиков; 13. УБ – усилитель блокирования. 2 Принцип действия РСБН-6 С, взаимодействие с наземным оборудованием Измерение дальности осуществляется по принципу ЗАПРОС ОТВЕТ с помощью радиодальномера импульсного типа (рисунок 1. 1). Наклонная дальность определяется суммарным временем распространения запросного сигнала с самолета на землю и ответного сигнала с земли на самолет. Двух импульсные посылки запроса дальности излучаются АФС (1) самолета. (Расстояние между радиоимпульсами кода запроса задается шифратором, входящим в состав передатчика самолетного запросчика дальности СЗД П (2). Принятые наземным приемником (2) посылки дальномерных сигналов декодируются и после преобразований кодируются и излучаются наземным дальномером П 20 Д (4), всенаправленной антенной (5). Сигналы принимаются АФС самолета, поступают в блок СПАД 2 И (3), где декодируются и поступают на измерительную схему, в которой производится автоматическое измерение временного сдвига между запросным и ответным сигналом. Измеренный временной интервал преобразуется в показания дальности на прямо показывающем приборе дальности ППД 2 (6). Азимут самолета измеряется с помощью принимаемых на борту ЛА опорных сигналов « 35» , « 36» и непосредственно азимутального сигнала, излучаемых соответственно передатчиком П 20 А (7) и П 200 (8). Частотные каналы П 20 А и П 200 совпадают. Азимутальный сигнал (непрерывный ВЧ сигнал) формируется вращающейся антенной, имеющей остронаправленную двухлепестковую диаграмму направленности (ДН). Антенна вращается со скоростью 100 оборотов в минуту. На оси антенны азимутального сигнала установлены магнито электрические датчики опорных сигналов серии « 35» , « 36» (количество сигналов за 1 оборот вращения антенны излучается соответственно 35 и 36). Датчики опорных сигналов « 35» и « 36» установлены таким обра зом, что при направлении равносигнальной зоны 2 х лепестковой диаграммы направленности азимутальной антенны на географический север происходит совпадение сигналов серии « 35» и « 36» . Это совпадение служит началом отсчета азимута.
Бортовое оборудование ПРМ (СПАД-2 И) 3 1 АФС θ 6 11 Д ПРД (СЗД-ПМ) Д НПП ВЧ сигнал азим. 10 Схема измерения (БИАД) ППД-2 « 35» « 36» ВЧ сигнал азим. Д 5 9 Ответ Д С 19 ВЧ сигнал « 35» « 36» Приемное устройство С 20 ВЧ сигнал Запрос индикации ВЧ сигнал Ответ индикации 2 Приемное КВП устройство 8 П-200 «C» « 35» Азимутальный канал « 36» Дальномерный канал « 180» 4 П-20 Д 7 П-20 А ИКО Наземное оборудование
Закодированные двух импульсными кодами опорные сигналы « 35» и « 36» поступают на передатчик П 20 А (7) и излучаются в эфир через антенну (9), имеющую всенаправленную характеристику излучения. Сигналы передатчиков П 200 (8) и П 20 A (7) принимаются бортовой АФС, поступают на СПАД 2 И (3), преобразуются и поступают на схему измерения БИАД (10), где происходит измерение временного интервала между моментами совпадения опорных сигналов « 35» и « 36» и моментом поступления на борт сигнала, излучаемого вращающейся азимутальной антенной. Этот временной интервал характеризует угловое положение самолёта относительно географического меридиана, то есть его азимут. Временной интервал (азимут) в схеме БИАД (10) преобразуется в угол поворота оси датчика схемы измерения азимута и передается на навигационно пилотажный прибор (НПП) (11). Кроме того, наземное оборудование системы азимутально дальномерного радиомаяка позволяет получить на экране выносного индикатора кругового обзора (ВИКО) индикацию и опознавание самолетов, работающих с радиомаяком.
Для осуществления посадки самолета на аэродроме размещаются, кроме наземной части системы РСБН, также курсовые глиссадные радиомаяки (рисунок 1. 2). Курсовой радиомаяк (КРМ) предназначен для формирования на ЛА сигналов отклонения от заданного курса посадки. Работает на антенну направленного действия. ДН имеет вид двух пересекающихся лепест ков, модулированных частотами F 1 = 2100 Гц (правый), F 2 = 1300 Гц (левый). Коммутация облучателей производится с частотой F = 13 Гц (рисунок 1. 3). Глиссадный радиомаяк (ГРМ) предназначен для формирования сигналов отклонения от заданной траектории глиссады планирования. Работает на направленную антенну параболического типа. ДН в верти кальной плоскости имеет вид двух пересекающихся лепестков, промодулированных частотами F 1 = 2100 Гц (нижний), F 2 = 1300 Гц (верхний). Коммутация облучателей производится с частотой F = 13 Гц (рисунок 1. 4) ГРМ ВПП КРМ F 2 = 1300 Гц F 1 = 2100 Гц 150 м 400 1000 м ГРМ 250 м 200 м а) рисунок 1. 2 8 F 1 = 2100 Гц Направлен ие посадки ВПП 400 1000 м рисунок 1. 3 8 F 2 = 1300 Гц 250 м б) Рисунок 1. 4 (а – вид сверху, б – вид сбоку)
1. Метод измерения дальности, применяемый в РСБН-6 С Измерение дальности (Д) самолета производится путем измерения времени распространения запросного сигнала с самолета до наземно го радиомаяка и от наземного маяка до самолета. Измерение Д осуществляется по принципу «ЗАПРОС ОТВЕТ» с помощью радиодальномера им пульсного типа. Запросные сигналы излучаются самолетным передатчиком на частоте запроса. Каждый запросный сигнал представляет собой группу из двух импульсов, временной интервал между которыми соответствует установленному запросному коду. Запросные сигналы принимаются наземным приемным устройством и декодируются. Ответные импульсы переизлучаются на частоте ответа в виде кодированной двухимпульсной последовательности передатчиком ретранслятора (рисунок 3. 1). приемник схема измерения Д передатчик АФС ППД-2 сигнал ответ Д бортовое оборудование сигнал запрос Д передатчик Д приемник Д ИКО наземное оборудование Измерение временного интервала, содержащего информацию о дальности в бортовой аппаратуре РСБН 6 С, производится цифровым способом. Отсчет дальности производится по прибору ППД 2. На точность измерения дальности оказывают в первую очередь влияние те факторы, которые искажают временное положение фронта ответного импульса. К числу таких факторов относятся отражения от местных предметов, помехи и частотные искажения в бортовом приемнике. Снижение влияния отражений от местных предметов в дальномерных радиомаяках обеспечивается за счет применяемого в канале дальности импульсного кодирования.
Измерение дальности производится цифровой измерительной схемой с двухканальной (грубо – точно) системой отсчета. Принцип измерения дальности заключается в подсчете числа опорных импульсов частотой, близкой 1 МГц (150 м по дальности) с момента излучения импульса запроса, формируемого генератором запросных импульсов с частотой 30 Гц, до момента прихода импульса ответа. Генераторы измерительных и запросных импульсов находится в блоке измерения азимута и дальности (БИАД). Количество импульсов N, записанное в счетчик соответствует расстоянию D = N (c. Ton/2) = 0, 15 N км Для обеспечения режима ответа наземной индикации принимаемые приемником АДПК 1 ВЧ 2º ные запросные сигналы частотой следования 300 Гц преобразуются в видеосигналы, стробируются азимутальным импульсом через АФС излучаются на наземный ИКО для определения местоположения самолета. В режиме опознавание передатчик СЗД П обеспечивает приходе с пульта управления сигнала «Опознавание» в виде напряжения +27 В двукратную посылку сигнала «Ответ НИ» , которая отображается на ИКО в виде раздвоения метки. Кроме того в этом режиме 2º ные сигналы, принятые АДПК преобразуются и в виде позывных поступают для прослушивания членам экипажа. Технические характеристики системы РСБН: частотный диапазон – 772 … 1000, 3 МГц; стабильность излучаемой частоты 3· 10 4 ; поляризация ВЧ сигналов – горизонтальная; дальность действия при высоте полета Н= 250 м – 50 км, при Н=5000 м – 250 км, при Н=12000 м – 380 км. ; радиус зоны неустойчивой работы при пролете над РМ на высоте Н=3000 м – 3 км, при Н=5000 м. – 5 км; погрешность измерения (2σ) азимута – 0, 25º, дальности 200 м;
Измерение дальности до радиомаяка в аппаратуре РСБН 6 С производятся по принципу «ЗАПРОС ОТВЕТ» путем измерения времени между запросным импульсом и ответным импульсом от маяка. Запросный импульс частотой 30 Гц формируется в блоке измерения азимута и дальности (БИАД) и поступает на запуск передатчика СЗД П. В шифраторе передатчика формируется двух импульсная кодовая группа «ЗАПРОС» при запуске его от БИАД и трех импульсная кодовая группа «ОТВЕТ ИНДИКАЦИИ» при запуске СЗД П от приемника СПАД 2 И. При нажатии на кнопку «ОПОЗНАВАНИЕ» на ЩУ передатчик выдает два раза повторенную трех импульсную кодовую группу «ОТВЕТ ИНДИКАЦИИ» . Временной интервал между импульсами кодовой группы «ЗАПРОС» определяется сигналами КОД №, поступающими из щитка переключения каналов (ЩПК) при полете на запрограммированный аэродром или из ЩУ при полете на аэродром в режиме «СБРОС» . Двухимпульсная кодовая группа «ЗАПРОС» из шифратора поступает на модулятор субблока генератора высокой частоты (ГВЧ), работающего в импульсном режиме, который состоит из четырех каскадов усиления мощности. Управление колебаниями субблока ГВЧ осуществляется через модулятор кодированными импульсами шифратора. Субблок ГВЧ имеет высокочастотный выход на блок ВУ 003 (высокочастотное устройство), предназначенный для подавления высших гармонических колебаний на выходе передатчика, а также для обеспечения контроля наличия мощности передатчика. Субблок ГВЧ работает на 22 фиксированных частотах, каждая из которых стабилизируется кварцем. В аппаратуре РСБН 6 С используется 10 частот, выбираемых переключателем блока ЩПК. Из ЩПК в передатчик СЗД ПМ поступают сигналы в виде напряжения +27 В. В задающем генераторе передатчика СЗД ПМ возникают высокочастотные (ВЧ) колебания, стабилизированные кварцевым резонатором. Количество кварцевых резонаторов соответствует числу рабочих каналов передатчика СЗД ПМ и равно 22. После утроения частоты и усиления по мощности ВЧ сигналы с выхода генератора поступают на вход возбудителя, где происходит дальнейшее удвоение частоты и усиление по мощности сигнала импульсами, поступающими с шифратора. Импульсный ВЧ сигнал с выхода субблока ГВЧ поступает через устройство ВУ 003 в АФС и излучается. С антенно фидерной системы ответные сигналы ретранслятора дальномера вместе с другими сигналами наземного маяка поступают в приемник СПАД 2 И на смеситель. Одновременно на смеситель подается напряжение гетеродина. Частота гетеродина стабилизирована кварцем и определяется сигналами KB № и КОД №, поступающими из ЩПК и ЩУ. В результате преобразования на выходе смесителя выделяются разностные частоты, которые поступают в УПЧ на разделительные контуры. На этих контурах происходит выделение промежуточных частот азимутального и дальномерного трактов.
Выделенные сигналы промежуточной частоты дальности усиливаются, детектируются, ограничиваются по низу в УПЧ Д и поступают на субблок дешифратора. В блоке дешифратора формируются импульсы дальности, поступающие в блок измерения азимута и дальности. В субблоке измерения дальности на измерительном счетчике измеряется время между запросным и ответным импульсами ретранслятора. Пусковой импульс с генератора рабочих тактов с частотой 30 Гц поступает на ключевое устройство и открывает его, задавая начало рабочего такта субблока. Измерительные импульсы с генератора измерительных меток, пройдя через открытое ключевое устройство, поступают на вход 12 разрядного измерительного счетчика. Импульсы с 3 го разряда счетчика подаются на схему формирования запросных импульсов, которая из 1 го поступающего на нее импульса формирует импульс запроса. Ответный стробирующий импульс, приходящий из стробирующего устройства, закрывает ключевое устройство и, таким образом, останавливает счетчик. На счетчике устанавливается число d , пропорциональное дальности с точностью до Ц 3 р – цена третьего разряда. В случае отсутствия ответного импульса при достижении в измерительном счетчике величины числа, соответствующей дальности 500 км, счет прекращается. Счетчик, посредством цепи обратной связи ОС, сбрасывается до величины дальности 20 км, после чего начинается следующий цикл счета. В запоминающем устройстве (ЗУ) переписывается число, полученное на счетчике после поступления импульса переписи из устройства контроля. После этого по импульсу вычитания происходит вычитание из записанного числа величины, равной цене третьего разряда. Импульс вычитания подается из схемы контроля на третий разряд запоминающего устройства. Таким образом, в ЗУ устанавливается число, пропорциональное измеренной дальности. Это число меньше числа, полученного на измерительном счетчике, на цену третьего разряда. Для повышения помехозащищенности осуществляется временное стробирование ответных импульсов. Сигнал начала стробирования выдается схемой запуска стробов, которая сравнивает непрерывно растущее число в измерительном счетчике с числом, находящимся в ЗУ, и в момент совпадения этих чисел выдается сигнал на запуск рабочего строба на стробирующую схему. Схема стробирования осуществляет запуск контрольного строба. Ответный импульс, пройдя через усилитель, поступает на схемы совпадения 1 и 2, на вторые входы поступают рабочий и контрольный стробы. Стробированные ответные импульсы со схемы совпадения 1 идут на сброс ключевого устройства, а стробированные импульсы с выхода схемы совпадения поступают на устройство контроля.
Сброс рабочего строба происходит от генератора рабочих тактов, который завершает такт (равный 1/60 с) импульсом сброса. Этот импульс сбрасывает в исходное состояние также схему формирования запросных импульсов и измерительный счетчик. Длительность контрольного строба равна 8 10 мкс. В устройстве контроля из импульса сброса формируется импульс переписи и импульс вычитания, поступающий в запоминавшее устройство. Импульс вычитания задержан относительно импульса переписи на 10 30 мкс. Импульс вычитания завершает рабочий такт схемы измерения дальности. Устройство контроля осуществляет перевод субблока из режима поиска в режим слежения и обратно. После пятикратного попадания ответного импульса в контрольный строб устройство контроля переводит субблок в режим слежения. При восьмикратном пропадании ответного импульса схема контроля переводит дальномер в режим поиска. В режиме поиска устройство контроля снимает поступающий в блок сопряжения (БС) сигнал СОПРОВОЖДЕНИЯ ДАЛЬНОСТИ. Из запоминающего устройства значение дальности в двоичном коде выдается в субблок преобразования. Максимальное значение дальности в точном канале 20 км, а максимальное значение дальности в грубом канале – 500 км. Из субблока преобразования значение дальности в виде постоянного напряжения, пропорциональное дальности, поступает в блок сопряжения (БС). Для проверки правильности работы субблока на схему встроенного контроля подается сигнал КОНТРОЛЬ, при этом к усилителю ответного импульса подключается выход 12 го разряда счетчика (цена 320 км) и устанавливается число 319, 4 км. Из блока БИАД напряжение, пропорциональное значению дальности в грубом канале (Дгр. ), поступает на вход датчика рассогласования грубого канала блока БС. На другой вход этого датчика поступает напряжение обратной связи (ОС) с блока отработки (БО), пропорцио нальное положению грубой оси механизма дальности (Дгр. ос. ). Эти напряжения сравниваются и на выходе датчика рассогласования блока БС получается напряжение, пропорциональное разности ΔДгр = Дгр – Дгр. ос. На выходе датчика рассогласования точного канала (ДТ) получается напряжение, которое пропорционально ΔДТ = ДТ ДТ. ОС. , где ДТ – значение дальности в точном канале субблока преобразования блока БИАД; ДТ. ОС. – текущее значение дальности на точной оси механизма дальности блока БО. Сигналы рассогласования ΔДгр и ΔДТ поступают на селектор грубого канала (блок БС). На выходе его в зависимости от величины ΔДгр появляется либо сигнал ΔДгр, либо сигнал ΔДТ. Если ΔДгр < 5 км, то на выходе селектора грубого канала имеется напряжение ΔДт.
Когда ΔДт становится больше 5 км, выдается сигнал «СЕЛЕКТОР ГРУБОГО КАНАЛА ДАЛЬНОСТИ» (С. Г. К. Д. ) и через 5 с на выходе селектора появляется сигнал ΔДгр. Любое напряжение на выхода селектора ΔДгр или ΔДТ будет ΔД рассогласования. Сигнал ΔДТ подается на вход селектора точного канала. При ΔДТ > 5 км селектор выдает сигнал «СЕЛЕКТОР ТОЧНОГО КАНАЛА ДАЛЬНОСТИ» (С. Т. К. Д. ). Напряжение ΔДрасс. поступает на вход ключа 1 (блока БС). При наличии радиоданных (есть сигнал «СОПРОВОЖДЕНИЕ ДАЛЬНОСТИ» с блока БИАД) напряжение ΔДрасс. проходит на выход ключа. При отсутствии сигнала «СОПРОВОЖДЕНИЕ Д» в режиме поиска ключ 1 запирается. С выхода ключа 1 напряжение ΔДрасс. проходит на сравнивающее устройство. На другой вход этого устройства поступает напряжение, пропорциональное разности между дальномерной составляющей путевой скорости и скоростью вращения механизма дальности блока БО, т. е. WД – Д'. Разность Δ = ΔДрасс. – (WД – Д') поступает на вход усилителя интегрирующего привода блока БС и затем в виде напряжения управления на интегрирующий двигатель механизма дальности блока БО. Интегрирующий двигатель вращается, сводя к нулю сигнал Δ. С датчиков механизма дальности снимаются напряжения обратной связи Дгр. ос. и ДТ. ОС. , пропорциональные положениям грубой и точной осей механизма, и дальность, пропорциональная скорости вращения механизма (блок БО). Напряжения, пропорциональные Дгр. ос. и ДТ. ОС. , поступают на выходы датчиков рассогласования блока БС. Таким образом осуществляется слежение механизма за значениями дальности, полученными в блоке БИАД (слежение по положению). Скорость измерения дальности в механизме блока БО (Д') сравнивается с дальномерной составляющей воздушной скорости от СВС, пройдя через устройство выработки сигнала РСБН, ключ 2 (Wд) на сравнивающее устройство (блок Б 3). Из разности этих скоростей вырабатывается напряжение поправки по дальности в устройстве выработки поправки блока БС (Uд). На суммирующем устройстве интегри рующая поправка д складывается с дальномерной составляющей воздушной скорости Vд, U поступающей с раскладчика воздушной скорости механизма КУР блока БС. На выходе суммирующего устройства получается дальномерная составляющая путевой скорости Wд = Vд + Uд. При наличии сигналов «СОПРОВОЖДЕНИЕ Д» , «ГОТОВНОСТЬ СВС» и отсутствии сигнала «ОТКАЗ. СВС» (радийная и автономная системы исправны) отработка дальности на механизме блока БО осуществляется по радиотехническим и автономным данным (режим сопряжения). При этом вычисляется поправка Uд. Сигнал на выходе усилителя интегрирующего привода будет равен Δ = ΔДрасс – (Wд – Д'), где ΔДрасс – сигнал, поступающий с ключа 1; Wд – Д' – сигнал, поступающий с устройства выработки поправки.
Если появляется сигнал «ОТКАЗ СВС» или снимается сигнал «ГОТОВНОСТЬ СВС» , то вырабатывается сигнал «РСБН» . При этом отключаются автономные данные (скорость Wд не поступает на сравниваю щее устройство) и поправка д списывается до 0. Отработка дальности происходит лишь за U счет радиосредств. На выходе усилителя интегрирующего привода напряжение будет равно Δ = ΔДрасс – Д'. Если отсутствует сигнал «СОПРОВОЖДЕНИЕ Д» (с блока БИАД), автономные системы СВС и СКВ исправны (нет сигнала «РСБН» ), то радиоданные отключаются (запирается ключ 1) и отработка дальности на механизме идет только по автономным данным (режим автономного счисления). Интегрированием дальномерной составляющей воздушной скорости, поступающей из СВС, производится счисление дальности. И на выходе усилителя интегрирующего привода рассогласование будет равно: Δ = Wд – Д'. Вычисление поправки прекращается и значение Uд, вычисленное в режиме сопряжения списывается до 0. В течение времени списывания поправки производится корректировка воздушной скорости. При отсутствии радиоданных счисление радиоданных происходит по мере накопления ошибки. Если имеется сигнал «СОПРОВОЖДЕНИЕ Д» из БИАД, а отсутствуют сигналы «СЕЛЕКТОА ТОЧНОГО КАНАЛА ДАЛЬНОСТИ» (С. Т. К. Д. ) и «СЕЛЕКТОР ГРУБОГО КАНАЛА ДАЛЬНОСТИ» (С. Г. К. Д. ), то в блоке БС вырабатывается сигнал «ИСПРАВНОСТЬ Д» . Через 10 20 с после появления одного из сигналов (выше говорилось о них) сигнал «ИСПРАВНОСТЬ Д» снимается и поступает на схему формирования сигнала «РАЗРЕШЕНИЕ КОРРЕКЦИИ ВЫЧИСЛИТЕЛЯ» . Это сигнал формируется при наличии двух сигналов: «ИСПРАВНОСТЬ Д» и «ИСПРАВНОСТЬ θ» . При наличии сигнала «ВОЗВРАТ РАДИЙНЫЙ» из ЩПК значение дальности в грубом канале блока БО сравнивается со значением дальности на ППД 2. Значение дальности в точном канале блока БО подается на сельсин приемника ППД 2 и с выхода схемы сравнения поступает на селектор блока БО. В зависимости от величины рассогласования грубого канала на выходе блока БО появляется напряжение рассогласования. Это рассогласование отрабатывается до момента пока оно не станет равным 0. При нулевом рассогласовании значение дальности на приборе ППД 2 и механизме блока БО совпадают. Информация о дальности считывается с прибора ППД 2.
1 Метод измерения азимута, применяемый в РСБН-6 С Азимут определяется на борту ЛА путем измерения временного интервала между моментом приема опорных импульсов, соответствующих северному направлению, и азимутальных сигналов. Для формирования начала отсчета соответствующего северному направлению меридиана, проходящего через место установки радиомаяка, используются двухимпульсные кодированные последовательности серии « 35» и « 36» , излучаемые передатчиком опорных импульсов. Сигналы двухлепестковой вращающейся антенны азимутального радиомаяка излучаются передатчиком азимутального сигнала, работающего в непрерывном режиме. Измерение азимута бортовой аппаратурой РСБН 6 С осуществляется цифровым способом. Результаты измерения отображаются на навигационно пилотажном приборе НПП. Точность определения азимута зависит от степени соответствия азимутального и опорных сигналов, поступающих на вход приемника. Так как на выходе на сигналы приемника влияют разнообразные факторы, такие, как характер диаграммы направленности антенны азимутального радиомаяка, рельеф местности, движение ЛА и др. , то это отражается на точности измерения азимута. Наличие различного рода объектов (строения, холмы) приводит к появлению отраженных сигналов, которые принимаются на ЛА одновременно с полезным сигналом. При этом определяемый азимут отличается от истинного. Искажение огибающей азимутального сигнала также приводит к ошибке измерения азимута.
Наземная часть РСБН имеет три передатчика: П 200 – передатчик азимутальных сигналов; П 20 А – передатчик опорных сигпалов « 35» с частотой 38, 3 Гц и « 36» с частотой 60 Гц; П 20 Д передатчик дальномерных и 20 – ных сигналов, следующих с частотой 300 Гц. П 20 и П 20 А работают в импульсном режиме, а передатчик П 200 работает в режиме непрерывного генерирования и питает двухлепестковую ненаправленную антенну, вращающуюся со скоростью 100 об/ мин. Наземное приёмное устройство принимает: запросные сигналы дальности с борта самолёта, ответные сигналы наземной индикации и сигналы опознавания самолёта.
Принцип действия канала азимута основан на временном (импульсном) методе определения угловой координаты между северным направлением (импульс «СС» ) и азимутальным сигналом (сдвоенный колокол АС) и на запросно ответном методе измерения дальности. Вращающая антенна передатчика радиомаяка имеет острую диаграмму направленности в горизонтальной плоскости, состоящую из 2 х лепестков. Азимут самолета определяется по моменту прохождения через точку приема минимума диаграммы направленности антенны. Частота следования азимутальных сигналов Fа. с. = Fвр = 1, 66 Гц, что соответствует частоте вращения антенны, равной 100 об/мин. Опорный сигнал, относительно которого отсчитывается временной интервал прихода азимутального сигнала, формируется при совпадении двух последовательностей сигналов « 36» , следующих ч частотой 60 Гц (через каждые 10º оборота антенны) и « 35» , следующих с частотой 58, 33 Гц, так чтобы выполнялось выражение F 36 F 35 = Fвр = 1, 66 Гц. Датчики импульсов 35 и 36 связаны с валом привода и юстируются так, чтобы их импульсы совпадали при совмещении диаграммы направленности антенны с северным направлением. Измерение азимута осуществляется 15 разрядным счетчиком и сводится к измерению временного интервала между импульсом совпадения опорных сигналов « 35» , « 36» (северное совпадение и азимутальным импульсом. Счетчик запускается генератором измерительных меток, частота следования которых 30720 Гц. Двоичный разрядный счетчик состоит из 2 х частей: счетчика «Точно» , включающего первые 9 разрядов и счетчика «Грубо» , включающего последние 6 разрядов.
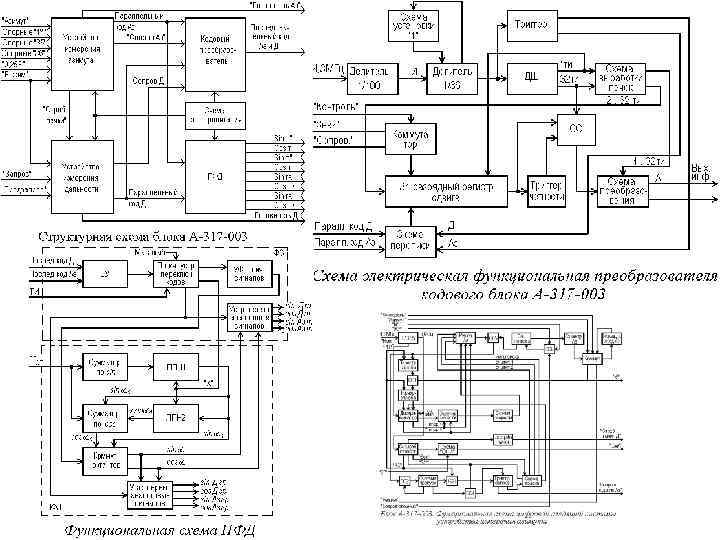
РАДИОТЕХНИЧЕСКАЯ СИСТЕМА БЛИЖНЕЙ НАВИГАЦИИ( А-317) Изд. А 317 предназначено для: измерения азимута и наклонной дальности относительно радиомаяка; определение углового положения самолета относительно равносигнальных зон курсового и глиссадного радиомаяков и выдачу в САУ, ПНП 72 сигналов, пропорциональных этому отклонению; измерение дальности до ретранслятора в режиме ПОСАДКА; измерение дальности до взаимодействующего самолета и определения направления на взаимодействующий самолет; ретрансляции запросных сигналов взаимодействующих самолетов; приемы позывных сигналов радиомаяков и выдачу их в СПУ; формирование сигналов ОНИ, ОПОЗНОВАНИЯ. Внешние связи А 317 1. Изд. ПОТОК Н 01. А 317 формирует и выдает в АФС ПОТОК Н 01 сигналы, определяющие порядок включения антенн при работе в различных режимах НАВИГАЦ, ПОСАДКА, МСН. 2. Изд. БПК А 317 обеспечивает коррекцию А 313 по каналам азимута и дальности через БПК в режиме НАВИГАЦ 32 х разрядным ПК. В режиме НАВИГАЦ в А 317 реализуется автоматическое управление ЧКК приемопередатчика по сигналам А 313. 3. ПНП 72 А 317 формирует синус косинусные сигналы, соответствующие значения азимута и дальности самолета в режиме НАВИГАЦ, сигналы отклонения самолета от равносигнальных зон курса и глиссады в режиме посадка, сигналы готовности курса и глиссады, сигналы отклонения по курсу от линии направления на взаимодействующий самолет, сигнал ГОТОВНОСТЬ РПК в режиме МСН.
Структурная схема, объясняющая функции РСБН А 317
Основные тактико - технические данные 1. Дальность действия при работе с радиомаяком РСБН 4 Н: на высоте полета 10000 м 350 км; на высоте полета 5000 м 250 км; на высоте полета 1000 м 110 км; на высоте полета 250 м 50 км. 2 Точность определения полярных координат: по азимуту (0, 25); по дальности (0, 2 + 0, 3) % Д) км. 3. Дальность действия с маяком ПРМГ: на Н = 3000 м: КРМ 145 км; ГРМ 115 км; на Н = 1000 м: КРМ 75 км; ГРМ 50 км; на Н = 300 м: КРМ, ГРМ 20 км. 4. Дальность действия в режиме МСН при углах места на взаимодействующий самолет не более 45 на Н = 7000 м не менее 200 км. 5. Количество частотно кодовых сигналов: в режиме “Навигация” 176; в режиме “Посадка” 40; в режиме МСН 28. 6. Время готовности к работе не более 3 мин.
ПРИЕМНИК МЕЖСАМОЛЕТНОЙ СВЯЗИ Преобразователь видеосигналов ПМСС Схема АРУ Плата коммутации ТАЛЬНО ДАЛЬНОМЕРНЫЙ ПРИЕМНИК азователь видеосигналов азователь посадочных сигналов ратор дальномерных и опорных сигналов БЛОК ИЗМЕРЕНИЯ АЗИМУТА И ДАЛЬНОСТИ А 317 003 ТЧИК Устройство измерения азимута тор ЦСС ор Устройство измерения дальности Возбудитель. Транзисторный усилитель мошности. Преобразователь кодовый Усилитель высокой частоты Преобразователь функциональный тор. Устройство входное. декодирующий РСБН А-317 ДР 17 ЕУ 1. 247. 230 01 кабель ЕУ 4. 895. 643 01 азимутально дальномерное приемное устр. А 312 001 ВШ 2. 026. 034 приемник межсамолетной связи А 312 010 ЕУ 2. 026. 196 Самолетный запросчик дальности А 317 002 ВШ 2. 016. 030 блок измерения азимута и дальности А 317 003 ЕУ 2. 598. 091 блок межсамолетной навигации ВШ 2. 068. 042 01 А 317 007
2. 4. 1. Канал измерения азимута Для РСБН А 317 являются характерными три режима работы: "Навигация", "ОВК" и "Посадка". Обработка информации происходит в указанных режимах поканально. В режиме "Навигация" имеется два канала: канал измерения азимута и канал измерения дальности; в режиме "ОВК" – канал измерения дальности и канал измерения курсового нулевого направления на взаимодействующий ЛА; в режиме "Посадка" – канал измерения посадочных сигналов и канал измерения дальности. В режиме "Навигация" принятые АФС ВЧ сигналы опорных импульсов "35", "36", "10" (при работе с радиомаяком Е 324) и азимутальный колообразный импульс поступают на приемные устройства А 312 001, где они усиливаются и детектируются. Далее опорные сигналы дешифруются, а из колообразного азимутального сигнала в субблоке ФАИ формируется азимутальный импульс. С выхода приемных устройств все сигналы поступают на вход блока А 317 003. Измеренное в блоке А 317 003 значение азимута выдается в виде последовательного кода для коррекции ЦВМ или в виде переменного напряжения sin (cos) для отработки на индикаторных приборах. Электрическая функциональная схема канала измерения азимута приведена на рис. 2. 9. Приемник А 312 001 супергетеродинного типа с двойным преобразованием частоты обеспечивает прием ВЧ сигналов. Принятые антенной сигналы через ограничитель мощности поступают на вход СВЧ и далее делителем мощности поровну распределятся между двумя трактами, условно названными азимутальным и дальномерным. Такое определение трактов справедливо при работе с всенаправленными радиомаяками типа РСБН 2 Н, РСБН 4 Н. При работе с направленными радиомаяками типа Е 324 азимутальные и дальномерные сигналы на каналах 1 88 идут по первому (азимутальному) тракту , а на каналах 89 – 176 идут по второму ( дальномерному) тракту. Схемно и конструктивно тракты аналогичны другу, за исключением выходных частот первых гетеродинов и частот настройки входных полосовых фильтров. Выделение необходимых сигналов в каждом тракте осуществляется соответствующими полосовыми фильтрами ПФА и ПФД. Дальнейшее построение трактов для прохождения азимутальных и дальномерных сигналов одинаково, поэтому рассматривается один азимутальный тракт. С выхода ПФА радиосигналы поступают на вход первого смесителя, куда поступают также сигналы с первого гетеродина, и далее – на вход усилителя промежуточной частоты УПЧ, где происходит основное усиление сигналов. На втором смесителе производится второе преобразование частоты, после чего сигналы, имеющие разную ширину занимаемой полосы, разделяются и подаются на входы узкого и широкого УПЧ, на выходах которых имеются детекторы.
Полученные на выходе детекторов УПЧ видеосигналы поступают в преобразователь видеосигналов ПВС. В ПВС находятся схемы АРУ, ШАРУ, схема контроля исправности приемника и схема ФАИ. Импульсные каналы с выхода ПВС через дешифратор дальномерных и опорных сигналов поступают на выход приемника. Определение значения азимута производится в субблоке измерения азимута и сводится к измерению временного интервала от момента совпадения оси диаграммы направленности азимутальной антенны радиомаяка с географическим меридианом СЕВЕР до момента ее направления на самолет. С выхода приемника опорные импульсы "35", "36". "10" и азимутальный сигнал поступают в устройство управления блока А 317 003 и после соответствующей обработки данных поступают в ЦСС азимута, которая предназначена для выполнения следующих задач: поиска и обнаружения азимутальных сигналов; измерения азимута; измерения величины и знака скорости измеренного азимута; экстраполяции значения азимута при кратковременном пропадании информации на входе блока А 317 003.
2. 4. 2. Канал измерения дальности Электрическая функциональная схема канала измерения дальности приведена на рис. 2. 10. Запросный видеоимпульс ЗАПРОС Д выдается из блока А 317 003 на передатчик А 317 002, обеспечивающий передачу через АФС ВЧ запросных сигналов на наземное приемное устройство радиомаяков типа РСБН 2 Н, РСБН 4 Н, РСБН 6 Н, Е 326, МНЦА 7 в режиме "Навигация" или ретранслятора дальномера ПРМГ 4 , ПРМГ 5 в режиме "Посадка". Ретранслированные ВЧ ответные сигналы ОТВЕТ Д поступают через АФС на вход приемных устройств А 312 001, где они усиливаются, детектируются и дешифруются. Работа дальномерного тракта А 312 001 происходит аналогично азимутальному. С выхода приемника видеосигнал ОТВЕТ Д поступает в блок А 317 003. Работа схемы измерителя дальности происходит следующим образом. Пусковой импульс из устройства управления и контроля и кварцевые метки поступают на вход измерительного счетчика. Одновременно открывается селектор, на который поступают импульсы рабочего и контрольного стробов. Если на выходе селектора нет импульсов ответа, то измерительный счетчик считает до переполнения и закрывает ключевое устройство. В этом случае в счетчике 1 остается "0". Это значение переписывается в запоминающее устройство, а затем в стробирующий счетчик. В следующий такт стробы опять будут выработаны вначале (на "нулевой дальности"). Если на входе селектора есть импульсы ответа, то первым из них ключевое устройство будет закрыто и в измерительном счетчике будет насчитано число Дизм, пропорциональное дальности.
Далее импульсом переписи число из счетчика 1 переписывается в запоминающее устройство ЗУ и счетчик 1 будет установлен в исходное состояние. Из ЗУ через схему переписи число перепишется в счетчик П, а счетчик 1 будет установлен в исходное состояние в Дзад ( в зависимости от типа радиомаяка). При поступлении следующего пускового импульса селектор откроется только на интервале Дизм , где τ ширина контрольного строба. Если импульс ответа повторяется в пределах контрольного строба, тогда обнаружитель начинает оценку этого интервала, заключающуюся в проверке статистики повторения ответа на соответствие заложенной логике 8 из 16. В случае несоответствия заданной логике (8 из 16) остановка ключевого устройства будет произведена следующим импульсом, и процесс оценки повторится. При удовлетворении заданной логике устройство управления и контроля формирует сигналы СОПРОВОЖДЕНИЕ и ГОТОВНОСТЬ, при появлении которых обнаружитель превращается в цифровую следящую систему и увеличивает период следования запросных импульсов. При появлении сигналов СОПРОВОЖДЕНИЕ и ГОТОВНОСТЬ постоянно включается управление переписью. Остановка ключевого устройства производится только средним импульсом дискриминатора, который вырабатывается схемой формирования стробов, то есть в запоминающем устройстве оказывается число, соответствующее измеряемой дальности. Оно каждый такт циркулирует по кольцу; измерительный счетчик I, ЗУ, стробирующий счетчик, схема формирования стробов, ключевое устройство, измерительный счетчик I. В том случае, если объект "неподвижен", положение среднего импульса дискриминатора будет соответствовать положению ответного импульса. Когда объект перемещается, ответный импульс начнет попадать в один из четырех стробов дискриминатора (в зависимости от знака и величины рассогласования), формируемых схемой формирования стробов.
При рассогласовании менее 240 м (1, 6 мкс) ответный импульс подается во второй строб и со знаком " " записывается в 1 разряд делителя К 1 и далее в 1 разряд регистра скорости (если ответ попадает в третий строб, то он записывается со знаком "+"). С выхода делителя К 1 импульсы поступают на вход измерительного и стробирующего счетчиков. Таким образом, через делитель К 1 будет происходить непосредственно коррекция дальности по положению. Число, записанное в регистре скорости, преобразуется в число импульсов и с соответствующим знаком будет введено в 1 разряд счетчика 1 (если знак "+") или в счетчик П (если знак " "). Так будет продолжаться до тех пор, пока в регистре скорости накопится число, компенсирующее динамику ответного импульса. Это число будет пропорционально скорости движения объекта. Измеренное в блоке А 317 003 значение дальности выдается в виде последовательного кода для коррекции ЦВМ или в виде переменного напряжения sin (cos) для отработки на индикаторных приборах. Для обеспечения режима ОТВЕТ НАЗЕМНОЙ ИНДИКАЦИИ принимаемые приемником запросные ВЧ сигналы наземной индикации преобразуются в видеосигналы, стробирующие азимутальным импульсом и поступают на модуляцию передатчика. Сигнал ОТВЕТ НАЗЕМНОЙ ИНДИКАЦИИ ретранслируется передатчиком А 317 002 и поступает на наземный индикатор кругового обзора.
Режим "ОВК" В режиме ОВК аппаратура А 317 ведомого ЛА обеспечивает измерение дальности до ведущего ЛА и определение направления на ведущий ЛА (режим "Измерение"). На основании полученной информации пилот ведомого ЛА осуществляет маневр с целью доворота на ведущего с последующим сближением с ним. Данная методика применена при решении задачи сбора группы ЛА (до 10) на ведущего. В этом случае ведущий группы является ретранслятором запросных сигналов дальномерного канала аппаратуры ведомого ЛА и измерения положения взаимодействующих ЛА группы относительно собственного не производит (режим "Ретрансляция"). При решении задачи встречи двух ЛА на объектах осуществляется взаимное определение дальности и нулевого курсового направления (режим "Измерение" – "Ретрансляция"). Измерение дальности в режиме ОВК производится аналогично, как и в режимах 2 Навигация" и "Посадка" по принципу ЗАПРОС ОТВЕТ. Сторона направления на взаимодействующий ЛА (ретранслятор) определяется методом радиополукомпаса. Этот метод заключается в амплитудном сравнении уровней ответных сигналов дальномерного канала, принимаемых поочередно антеннами левого и правого бортов ЛА. Диаграммы направленности этих антенн идентичны и образуют равносигнальную зону РСЗ, совпадающую с продольной осью ЛА. Сигналы, поступающие на антенну, диаграмма направленности которой ориентирована непосредственно на точку излучения, выше по уроню сигналов, поступающих на симметрично ей расположенную ("затененную") антенну противоположного борта. В частном случае, когда точка излучения находится на продолжении продольной оси ЛА (ведомого), спереди от него, уровни ответных сигналов, поочередно принимаемых на антенны АЛБ и АПБ, равны. При этом фиксируется нулевое курсовое направление на взаимодействующий ЛА (ретранслятор). Для обеспечения надежного приема информации АФС аппаратуры А 317 строится по четырех антенной схеме.
При этом две антенны размещаются на фюзеляже ЛА в его носовой части, образуя зоны обзора с секторами ± 1300 относительно продольной оси ЛА в направлении его движения. Взаимное перекрытие диаграмм направленности в направлении движения ЛА, совпадающем с его продольной осью, позволяет сформировать равносигнальную зону приема информации. Данные антенны являются основными измерительными антеннами, с помощью которых производится определение стороны направления. Две другие антенны размещаются в носовой и хвостовой частях ЛА и обеспечивают (дополняют) другую зону обзора. Наличие в составе АФС четырех антенн определяет необходимость наличия в аппаратуре А 317 приемника А 312 010, состоящего из двух полукомплектов. Один полукомплект приемника подключается к боковым антеннам, второй – к носовой и хвостовой антеннам. Характер подключения антенн к фидерному тракту (одновременный или поочередный) определяется режимом работы аппаратуры А 317. В режиме посадки к приемопередающему тракту аппаратуры подключается АП. Включение АП производится автоматически по получении блоком управления АФС сигнала "Посадка" с пульта управления навигационно посадочным режимом аппаратуры А 137. Канал измерения дальности. Электрическая структурная схема в режиме ОВК приведена на рис. 2. 11. Аппаратура А 317 в режиме межсамолетной навигации обеспечивает измерение и непрерывную индикацию значения дальности до другого ЛА, оборудованного аппаратурой А 317, а также индикацию направления на него относительно продольной оси ЛА. При работе в этом режиме используются следующие блоки: блок межсамолетной навигации А 317 007; приемник А 312 010; передатчик А 317 002; блок измерения А 317 003; Измерение дальности между двумя ЛА основано на том же принципе, что и изменение дальности до радиомаяка (ЗАПРОС ОТВЕТ). Ретранслятором в этом случае является аналогичная аппаратура, находящаяся на другом ЛА. Схема измерения дальности блока А 317 003 выдает запускающие импульсы, следующие с частотой 60 Гц ± 30%. Эти импульсы ЗАПРОС транслируются на запуск передатчика А 317 002.
Расположенный в передатчике шифратор обеспечивает кодирование запросного сигнала трехимпульсным кодом. Высокочастотные импульсы с выхода передатчика А 317 002 изучаются через антенно фидерную систему. Принятые, преобразованные и декодированные приемником А 312 010 запросные импульсы после задержки и необходимых преобразований поступают на запуск передатчика А 317 002 по ответному каналу. ВЧ импульсы, кодированные двухимпульсным кодом ответа в шифраторе передатчика, излучаются через АФС. Ответные сигналы поступают на вход приемника запросчика, преобразуются, декодируются и формируются в дальномерные ответные импульсы межсамолетной навигации, которые поступают в блок А 317 003, где сравниваются по временному положению с запросными сигналами. Аппаратура А 317 на данном ЛА может служить ретранслятором для другого ЛА. В этом случае осуществляется взаимное определение дальности между ЛА. При этом на каждом ЛА аппаратура работает в режиме "Измерение ретрансляция". Канал измерения курсового нулевого направления на взаимодействующий ЛА. Электрическая функциональная схема канала измерения курсового направления приведена на рис. 2. 12. Определение направления на другой ЛА при работе аппаратуры А 317 в режиме ОВК основано на сравнении амплитуд ответных сигналов, принимаемых поочередно на две (левую и правую) антенны. Диаграммы направленности этих антенн идентичны и образуют в горизонтальной плоскости равносигнальную зону, совпадающую с продольной осью ЛА. Антенны подключаются ко входу приемника А 312 010 поочередно с помощью антенного коммутатора, входящего в комплекс АФС. Управляющими сигналами при этом являются импульсы коммутации, вырабатываемые в блоке А 317 007. Радиополукомпас работает одновременно с дальномером. Для него используется тот же приемный канал, что и для дальномера. Пеленгуемым передатчиком является бортовой передатчик, установленный на другом ЛА и являющийся одновременно ответчиком дальномера.
Сигналы на входе приемника А 312 010 содержат информацию как о дальности до другого ЛА, так и о стороне расположения его относительно продольной оси пеленгующего ЛА. С выхода приемника сигналы подаются в блок А 317 007, где они преобразуются в напряжение постоянного тока, пропорциональное по величине разности амплитуд сигналов от левой и правой антенн. Полярность разностного напряжения зависит от стороны приема большего сигнала. Это напряжение (±Δ РПК) подается на курсовую стрелку пилотажных приборов, сторона отклонения которой будет соответствовать положению пеленгуемого ЛА относительно продольной оси ЛА с РПК. При нахождении пеленгуемого ЛА на продолжении продольной оси ЛА с РПК курсовая стрелка прибора находится в центре шкалы.
Система посадки ПРМГ 4 ( «Катет» ) с переключающими ДН Принцип формирования линии курса и глиссады с фиксацией направления путем сравнения глубин модуляции двух амплитудно модулированных сигналов может быть реализован также при поочередном излучении сигналов антеннами радиомаяка. КРМ системы «Катет» работает на частоте азимутальных каналов. Для указания глиссады планирования используется излучение глиссадного радиомаяка, работающего на частоте дальномерного канала. В диапазоне дециметровых волн нашли применение амплитудные курсовые и глиссадные равносигнальные и радиомаяки с «опорным нулем» . Диаграммы направленности радиомаяков создаются в пространстве поочередно с частотой коммутации Fком. Излучаемые сигналы модулируются по амплитуде напряжением прямоугольной формы ( «меандр» ) с частотой F 1 в одной ДН и F 2 в другой. Структурные схемы каналов курса и глиссады аналогичны и отличаются только диаграммами направленности антенн и несущими частотами каналов. Бортовое оборудование отработки сигналов строится по схеме, применяемой в каналах курса и глиссады систем посадки с обычными равносигнальными радиомаяками или с радиомаяками с «опорным нулем» . Основным параметром, характеризующим индикацию курса и глиссады, для амплитудных дециметровых систем является коэффициент разнослышимости (КРС) КРС = (Um 1 Um 2) /(Um 1 +Um 2), где Um 1 и Um 2 – амплитуды сигналов, модулированных соответственно частотами F 1 и F 2. Отклонение от равносигнальных зон курса и глиссады определяется из формулы: εк, г = ν·КРС, где ν – коэффициент пропорциональности.
ПРМГ Посадочная радиомаячная группа. Комплект оборудования курсового (КРМ) и глиссадного (ГРМ) радиомаяков и ретранслятора дальномера. Применялась обычно на аэродромах военного базирования СССР. Бортовые комплекты РСБН обеспечивают приём сигналов ПРМГ, что позволяло использовать её совместно с наземной станцией РСБН в качестве системы обеспечения захода на посадку. С данным режимом захода связан термин "Заход по "Катету". Вероятно "Катет" название одной из модификаций ПРМГ. Краткое описание ПРМГ 76 [1]Модернизированная инструментальная система посадки ПРМГ 76 УМ обеспечивает заход на посадку днем и ночью на полевые стационарные аэродромы при метеоминимумах I, II категории ICAO в режимах ручного, полуавтоматического и автоматического управления самолетов, оборудованных аппаратурой РСБН 2 С или ее модификациями. Рекомендуется для использования на стационарных аэродромах в режиме дистанционного управления с КДП. Может использоваться на полевых и временных аэродромах. Состав: глиссадный радиомаяк (ГРМ) курсовой радиомаяк (КРМ) ретранслятор дальномера (РД), размещенный совместно с КРМ в аппаратной дальномерно курсового радиомаяка (ДКРМ) аппаратура телеуправления и телесигнализации (ТУ ТС), устанавливаемая на диспетчерском пункте
СЗД П передатчик, АФС антенно фидерная система, ПУ А, ПУ Д предварительные усилители канала азимута и дальности, ДМ делитель мощности, СМ А, СМ Д смесители канала азимута и канала дальности, Гет гетеродин, УПЧ У, УПЧ Ш усилители промежуточной частоты узкополосный и широкополосный. БИС А, БИС Д блоки импульсных сигналов канала А и канала Д. БП блок посадочных сигналов, БСС блок суммирования сигналов Принцип работы бортовой аппаратуры заключается в следующем. При входе самолета в зону курсового (глиссадного) маяка самолетный приемник принимает ВЧ сигналы КРМ (ГРМ), преобразует, усиливает и детектирует их, после чего они поступают на вход НЧ усилителя и разделительные фильтры, последние выделяют соответственно сигналы частоты 1300 и 2100 Гц. Далее эти сигналы подаются на балансную схему сравнения. Схема измерения дальности, находящаяся на борту самолета, запускает бортовой передатчик, который излучает кодовую группу «Запрос» , а затем получает от наземного ретранслятора импульсы «ответ» . Временной интервал между запросными и ответными импульсами, принимаемыми приемником, пропорциональны дальности до наземного ретранслятора дальномера. Вместе с сигналами отклонения от равносигнальных зон курса и глиссады в приемнике вырабатываются сигналы «Готовность К» и «Готовность Г»
Режим "Посадка" Переключение ПНК с режима "Возврат" на режим "Посадка" на запрограммированных аэродромах происходит автоматически. Траектория захода на посадку является естественным продолжением траектории предпосадочного маневра. Определение режима "Возврат" от режима "Посадка" обусловлено рядом специфических особенностей, присущих последнему. Основной задачей, решаемой ПНК в данном случае , является обеспечение стабилизации самолета на линии глиссады планирования как в вертикальной, так и в горизонтальной плоскостях. Современная система ПРМГ состоит из курсового КРМ, глиссадного ГРМ радиомаяков и ретранслятора дальномера РД. Курсовой и глиссадный радиомаяки состоят, в свою очередь, из двух комплектов передающих и контрольных устройств (один комплект рабочий, второй – резервный). Обобщенные структурные схемы радиомаяков КРМ и ГРМ, их рабочие зоны и основные характеристики приведены на рис. 2. 13. Принцип действия КРМ состоит в следующем. Две пары облучателя курсовой антенны радиомаяка, переключаемые бесконтактным антенным коммутатором с частотой 11… 14 Гц, излучают направленные высокочастотные колебания, моделируемые по амплитуде частотами F 1 = 2100 Гц и F 2 = 1300 Гц. Рабочие частоты КРМ совпадают с рабочими частотами азимутального передатчика радиомаяков РСБН 2 Н, 4 Н на 1 – 40 ЧКК.
При отключении ЛА от курсовой линии на вход самолетного приемника поступает сигнал, в котором напряженности поля сигналов частот F 1 и F 2 не равны между собой. При преобладании сигнала, модулированного частотой F 1 планка прибора отклонится в одну сторону, а при преобладании сигнала, модулированного частотой F 2, в другую сторону. При полете ЛА по курсовой линии на выход приемника поступает сигнал, в котором напряженности полей сигналов частот F 1 и F 2 равны между собой. В этом случае планка прибора ПНП стоит в центре черного кружка. Курсовой маяк устанавливается на расстоянии 400… 1000 м за концом ВПП таким образом, чтобы ось ВПП, будучи продолжена, пересекла ось центра антенны КРМ. Принцип действия ГРМ состоит в следующем. Высокочастотные модулированные колебания, генерируемые передатчиком, поступают на бесконтактный коммутатор, через который колебания, модулированные частотой F 2 = 1300 Гц, в антенну верхнего луча. Рабочие частоты ГРМ совпадают с рабочими частотами дальномерного передатчика радиомаяков РСБН 2 Н, 4 Н на 1… 40 ЧКК. Создаваемые верхней и нижней антеннами в вертикальной плоскости лепестки диаграммы направленности пересекаются и образуют равносигнальную зону, которая и определяет линию глиссады. При входе ЛА в зону планирования самолетный приемник принимает высокочастотные сигналы ГРМ. При равенстве сигналов частот F 1 и F 2 глиссадная планка прибора ПНП стоит в центре черного кружка. При отклонении ЛА от линии глиссады на вход приемника поступает сигнал, в котором напряженности полей частот F 1 и F 2 не равны между собой. При преобладании сигнала, модулированного частотой F 1, планка прибора отклонится вверх, а при преобладании сигнала, модулированного частотой F 2, вниз. Антенная система ГРМ устанавливается слева или справа от оси ВПП на расстоянии от 120 до 180 м.
Ретранслятор дальномера предназначен для ответа на запрос самолетного дальномерного устройства системы в режиме "Посадка" и устанавливается совместно с ГРМ. Принцип измерения дальности аналогичен рассмотренному в режиме "Навигация". Рабочие частоты ретранслятора посадочного дальномера полностью идентичен рабочим частотам дальномерного передатчика радиомаяков РСБН 2 Н, РСБН 4 Н в диапазоне с 1 го по 40 й ЧКК. Канал измерения посадочных сигналов. Электрическая функциональная схема канала посадочных сигналов приведена на рис. 2. 14. Принятые АФС радиоимпульсы типа МЕАНДР с частотой модуляции 1300 Гц и 2100 Гц поступают на приемник А 312 001. Для приема сигналов курса и глиссады в приемнике А 312 001 используются азимутальный и дальномерный тракты соответственно. Кроме того, на одной частоте с глиссадными сигналами передаются сигналы ретранслятора дальномера. После разделения сигналов на делителе мощности и двойного преобразования частоты курсовые сигналы подаются на азимутальный УПЧ узкий, а глиссадные – на дальномерный УПЧ – узкий и затем на преобразователь посадочных сигналов (ППС). С выхода ППС снимаются постоянные токи, пропорциональные отклонению самолета от равносигнальной зоны курса и глиссады. В ППС вырабатываются также сигналы ГОТОВНОСТЬ К и ГОТОВНОСТЬ Г. Сигналы отклонения от оси равносигнальной зоны εк и εг совместно с сигналами ГОТОВНОСТЬ К и ГОТОВНОСТЬ Г с приемника А 312 001 поступают в систему автоматического управления и на индикаторные приборы.
Встроенная система контроля В аппаратуре А 317 применена система встроенного контроля, обеспечивающая два метода контроля. Первый метод, метод функционального контроля, в аппаратуре навигации и посадки осуществляется автоматически при наличии сигналов наземных радиомаяков и свидетельствует о работоспособности всего тракта аппаратуры. В режиме ОВК этот метод осуществляется при нажатии кнопки КОНТРОЛЬ ВЧ. Возможность режима КОНТРОЛЬ ВЧ определяется тем, что работа передатчика и приемника в режиме ОВК ведется на одной частоте, что позволяет "закольцевать" линии передачи и приема сигналов дальномерного тракта аппаратуры. Принцип действия данного метода следующий. При включении аппаратуры с пульта управления сбором в режим ОВК и включении подрежима "Контроль ВЧ" в аппаратуре А 317 осуществляется формирование и излучение передатчиком трехимпульсного кода сигнала ЗАПРОС ρ. При этом сигналы отключения антенн от АФС не формируется, т. е. излучаемый сигнал принимается антеннами и поступает на вход приемника А 312 010. Принятый приемником сигнал ЗАПРОС МСС декодируется и поступает затем в блок А 317 007, где задерживается на 136± 0, 5 мкс и в виде импульсного сигнала ОТВЕТ МН поступает на передатчик. Передатчик излучает сигнал ОТВЕТ МН в виде двухимпульсной посылки. Приемником А 312 010 принимается этот сигнал в виде сигнала ОТВЕТ ρ, на базе которого формируется сигнал ОТВЕТ ЛИНЕЙНЫЙ и декодированный сигнал ОТВЕТ ρ. В субблоке РПК блока А 317 007 на основе сигнала ОТВЕТ ЛИНЕЙНЫЙ формируется сигнал ГОТОВНОСТЬ РПК, который в виде бленкерного сигнала поступает на прибор ПНП 72. При этом положение курсовой планки прибора произвольное. Декодированный сигнал ОТВЕТ ρ поступает в блок А 317 003, на его основе происходит измерение нулевой дальности и формируются сигналы СОПРОВОЖДЕНИЕ ДАЛЬНОСТИ и ГОТОВНОСТЬ ДАЛЬНОСТИ.
Второй метод осуществляется в аппаратуре по сигналу КОНТРОЛЬ и используется для контроля работоспособности аппаратуры по низкой частоте. Сигнал КОНТРОЛЬ может выдаваться: нажатием кнопки КОНТРОЛЬ на пульте управления (при включении режимов "Навигация" или "Посадка"); нажатием кнопки КОНТРОЛЬ на пульте управления сбором( при включенном режиме ОВК); со стороны пультов самолетного оборудования. Исправность аппаратуры при этом индицируется на лампе КОНТР. РСБН на пульте А 317 004 в режиме "Навигация" и "Испр. ОВК" пульта А 0317 005 в режиме ОВК или на пультах самолетного оборудования. На приборе ПНП индицируются при этом тестовые значения азимута и дальности, формируемые блоком А 317 003 (режим "Навигация", контрольные значения сигналов ±Δ РПК (режим ОВК) или сигналов ±εк, ±εг (режим "Посадка") и загорается одна из ламп ВПЕРЕДИ –РАЗВОРОТ пульта А 317 005. При использовании комплектации изделия А 317 ЕУ 1. 247. 230 01 исправность в режиме "Контроль" индицируется на пультах, входящих в самолетное оборудование.
Внешние связи аппаратуры А-317, которыми являются: антенно фидерная система (АФС); блок преобразования команд (БПК), осуществляющий связь с навигационным вычислителем А 313; индикаторный прибор типа ПНП 72. Основной связью является связь с АФС типа "Поток –НР". Параметры АФС определяют энергетику линии связи и точностные характеристики при определении курсового направ ления на взаимодействующий ЛА. В свою очередь, аппаратура А 317 формирует всю исходную командную информацию для управления режимами работы АФС. Аппаратура А 317 формирует и выдает в АФС: сигналы, определяющие режимы работы аппаратуры и АФС "Навигация", "Посадка", "ОВК"; сигналы, определяющие порядок вклю чения антенн четырехантенной АФС при работе аппаратуры в различных подрежимах ("Ретрансляция", "Измерение Ретрансляция"). Данными сигналами являются сигналы АЛБ, АП, АЗ и ПЕРЕДАЧА. Аппаратура предусматривает связь с ЦВМ А 313 в части коррекции вычислителя радиотехническими средствами в режиме "Навигация" по каналам азимута и дальности. Информация об азимуте и дальности выдается в виде 32 разрядного последовательного кода, вид и уровни электри ческих сигналов которого соответствуют ГОСТ 18977 79. Последовательный код азимута и дальности с выхода блока А 317 003 поступает на вход блока БПК, осуществляющего связь изделия А 317 с вычислителем А 313. В режиме "Навигация" в аппаратуре А 317 реализует ся автоматическое управление частотно кодовыми навигационными каналами приемопере дающих устройств аппаратуры. Дополнительно в режиме "Навигация" при наличии в составе бортового оборудования вычислителя А 313 управление включением соответствующей антенны ( одной из четырех), ориентированной на точку размещения наземного радиомаяка, осуществляется по командам из вычислителя, формируемым, в свою очередь, на основе определения вычислителем величины курсового угла радиомаяка. При переходе в режим ОВК эта связь принудительно разрывается и управление работой АФС производится по сигналам, формируемым блоком А 317 007.
Аппаратурой А 317 формируются следующие информационные сигналы для их последующей индикации на приборе ПНП 72: синусно косинусные сигналы, соответствующие текущему значению азимута и дальности ЛА в режиме "Навигация", с функционально декодирующего преобразователя блока А 317 003; сигналы отклонения ЛА от равносигнальных зон курса и глиссады посадочных радиомаяков (εк и εг ) в режиме "Посадка" на курсовую и глиссадную планки прибора, а также сигналы готовности указанных каналов на соответствующие бленкеры; сигналы отклонения по курсу от линии направления на взаимодействующий ЛА ±Δ РПК на курсовую планку прибора и бленкерный сигнал ГОТОВНОСТЬ РПК на курсовой бленкер прибора в режиме "ОВК"; синусно косинусные сигналы, соответствующие текущему значению дальности ЛА до ретранслятора дальномера в режиме "Посадка" или до ведущего ЛА в режиме "ОВК"; сигнал готовности канала дальности на бленкер прибора. При наличии в составе бортового оборудования ЦВМ информация о текущих значениях азимута и дальности выдается на прибор с ЦВМ (при условии исправности ЦВМ). При этом не исключается необходимость индикации ряда иных параметров навигационно пилотажного комплекса на рассматриваемом приборе ПНП 72. Выбор индицируемых параметров (в зависимости от первоочередности текущих задач и реализуемых режимов) производится посредством коммутирующего устройства навигационно пилотажного комплекса.
БОРТОВАЯ ЦИФРОВАЯ ВЫЧИСЛИТЕЛЬНАЯ МАШИНА- ИЗД. А-313 предназначено для обработки навигационной информации с целью формирования сигналов управления, обеспечивающих автоматическое, полуавтоматическое (директорное) и ручное управление самолетом. Решаемые задачи: автоматизированный програмно логический контроль навигационного комплекса; автономное счисление координат местоположения самолета в инерциальном или курсовоздушном режиме; коррекция счисленных координат местоположения самолета по данным РСБН. формирование и выдача сигналов, обеспечивающих управление самолетом при выполнении: полеты по маршруту, заданному навегационными точками запрограммированными перед полетом, маршрутным, путевым или комбинированными способами; повторного захода на вновь обнаруженную цель; повторного захода на запрограммированную НТ; построение траектории возврата и предпосадочного маневра в горизонтальных и вертикальных плоскостях с выходом в зону действия аэродромных и посадочных средств с любой высоты полета; сбора и встречи самолетов в воздухе. Имеется возможность программирования 8 ППМ 3 АР 5 РМ. Для управления самолета при полете изд. А 313 формируются и выдаются следующие параметры: текущий истинный курс Ки; заданный истинный курс Кз; дальность до текущей навигационной точки Д; боковое отклонение от линии заданого пути Z; вертикальное отклонение от заданной траектории снижения в режиме “ВОЗВРАТ”; сигналы ЗОНА и ПОСАДКА. Для коррекции с численных в автономном режиме координат самолета в изд. А 313 из изд. А 317 вводится наклонная дальность Др и азимут самолета Ар относительно наземного радиомаяка. Для определения ошибок счисления ортодромические координаты самолета пересчитываются в полярные относительно этого же радиомаяка, а затем определяются погрешности по дальности и азимуту, которые изд. А 313 списываются. Хранение программы полета осуществляется в ППЗУ. Ввод исходных данных осуществляется с ПО. При отказе БЦВМ высвечивается сигнал НАВИГАЦ или сигнал ВЫЧИСЛИТ. НАВИГАЦ.
Бортовая цифровая вычислительная машина А-313 ППЗУ А 313 1 блок защиты ЕУ. 061. 057 А 313 12 ЕУ 3. 229. 063 ЦВУ А 313 2 И 13. 031. 009 ППЗУ А 313 21 ВШ 3. 065. 010 ППЗУ А 313 22 ВШ 3. 065. 027 ДЯ 15[17] ЦВУ А 313 2 А И 13. 031. 009 01 устройство ввода вывода и питания А 313 3 ЕУ 3. 048. 002 ППЗУ А 313 4 Б ЕУ 4. 138. 495 пульт оператора А 313 6 ЕУ 3. 624. 414 ДМ 15 ЕУ 1. 247. 199 13 ЕУ 3. 624. 414 Бортовая цифровая вычислительная машина А 313 пульт оператора А 313 6 М
Навигационный комплекс (изделие 911 01) обеспечивает решение следующих задач: полет по заданному маршруту с программированием до 6 ППМ и до 5 наземных радиомаяков с возможностью оперативного изменения маршрута по 2 дополнительно запрограммированным ППМ(ППМ 7, ППМ 8); непрерывное автоматическое определение местоположения самолета в географической и частноортодромической системах координат относительно очередного ППМ или аэродрома по данным бортовых автономных средств; автоматическую коррекцию счисленных координат по данным радиотехнической системы ближней навигации (РСБН) и визуально при пролете над запрограммированной НТ или информации от СУВ при пролете в стороне от НТ; непрерывное автоматическое определение углов крена , тангажа и курса; возврат с любой точки маршрута на один из трех запрограммированных аэродромов по кратчайшему расстоянию с выходом в точку третьего(четвертого) разворота и снижением до высоты предпосадочного маневра для АЭР 1 от 600 до 1500 м, в зависимости от предварительно введенной программы в изделие А 313 и для АЭР 2 и АЭР 3 600 м; автоматический предпосадочный маневр в горизонтальной и вертикальной плоскостях в соответствии с введенной схемой посадки , в том числе повторного захода на посадку левым или правым кругом; автоматическое и директорное управление при заходе на посадку до высоты 60 м при горизонтальной видимости 800 м на запрограммированный аэродром по сигналам курсоглиссадных радиомаяков типа ПРМГ 4; возврат на незапрограммированный аэродром посадки в ручном режиме управления по информации азимута и дальности до радиомаяка РСБН и выполнение посадки; сбор группы до 10 самолетов для полета в боевом порядке и встречу двух самолетов для дозаправки топливом.
Навигационный комплекс (изделие 911 01) –СУ 27 Состав: информационный комплекс вертикали и курса ИК ВК 80 6; радиотехническая система ближней навигации РСБН А 317; бортовая цифровая вычислительная машина БЦВМ А 313; автоматический радиокомпас АРК 22 пульт оператора; пульт управления ПУ 187
Взаимодействие аппаратуры А 317 в навигационном комплексе НК МИГ 29
РСБН обладает рядом дополнительных функций, отсутствующих в зарубежных системах. В РСБН реализованы: двусторонняя цифровая линия передачи данных; аналоговая линия передачи сигналов управления "корабль борт", используемая при посадке летательного аппарата на авианесущий корабль; принцип вторичной радиолокации, обеспечивающий наблюдение и опознавание отметок от летательного аппарата на устройствах отображения наземного или корабельного радиомаяка либо командно диспетчерского пункта; принцип автоматического зависимого наблюдения при взаимодействии бортового радиоэлектронного оборудования типа А 380 палубных самолетов Су 33 и вертолетов Ка 27 с аппаратурой авианесущего корабля; режим сбора и встречи самолетов в воздухе для дозаправки топливом.
ТЕХНИЧЕСКИЕ ХАРАКТЕРИСТИКИ РСБН-85 Определение дальности и азимута в режиме «навигация» по маякам РСБН-4 Н, Е-324, Е-326, Е-329 Определение отклонения от равносигнальной зоны курса и глиссады и определение дальности в режиме «посадка» с маяками ПРМГ-4, ПРМГ-5 Число рабочих каналов с маяками: Е 324, Е 326, Е 329 176 РСБН-4 Н, Е-329 88 ПРМГ 40 Мощность запросного сигнала не менее 500 Вт Чувствительность по узкополосным сигналам не хуже минус 131 д. Б/Вт по импульсным сигналам не хуже минус 118 д. Б/Вт Погрешность измерений при работе с радиомаяком: азимута(2σ) ± 0, 25° дальности (2σ) ± (200 м + 0, 03 %Д) м в режиме «посадка» соответствует ГОСТ 15827 -70 и обеспечивает II категорию посадки Управление две входные цифровые линии по ГОСТ 18977 -79 и РТМ 1495 -75, 12 разовых команд Выходные данные три выходные цифровые линии по ГОСТ 18977 -79 и РТМ 1495 -75 Средняя наработка на отказ 4000 час Код внешних воздействий НЛГС-3 по группе исполнения ВV/IV, зона А, грунт, ХIIУЛ-ДРIII-ТII-ВЛII-ТМI-РО-ППХ-РСX-ПГ-ВДХ-АШX Электропитание от бортовой сети + 27 В или 115 В 400 Гц не более 120 ВТ Габариты 157 x 194 x 319 мм (2. 5 К) Масса не более 11, 5 кг
БОРТОВАЯ АППАРАТУРА РАДИОТЕХНИЧЕСКОЙ СИСТЕМЫ БЛИЖНЕЙ НАВИГАЦИИ (ИЗДЕЛИЕ‑ 323) Бортовая аппаратура входит в состав Рис. 1. Расположение органов управления радиоаппаратуры самолетовождения в кабине МИГ-29 изделия 915 и обеспечивает определение текущих координат, определение и выдачу навигационных параметров, необходимых для управления самолетом на следующих этапах полета: полет по заданному маршруту; возврат на запрограммированный аэродром посадки, оборудованный радиотехническими средствами; выполнение предпосадочного маневра; заход на посадку до высоты 50 м; повторный заход на посадку. В режимах радионавигации и посадки аппаратура обеспечивает измерение азимута и дальности при совместной работе с наземными радиомаяками и формирование сигналов отклонения от равносигнальных зон, при этом: количество ч. к. к навигации – 176; количество ч. к. к посадки 40. Дальность действия при работе с навигационными радиомаяками составляет 350 км при высоте полета 10000 м. Время готовности аппаратуры после включения питания не более 3 х
Электропитание аппаратуры осуществляется постоянным током, напряжением 27 В, от генератора постоянного тока ГСР и переменным током, напряжением ~115 В 400 Гц ~36 В 400 Гц, ~5, 5 В 400 Гц (подсвет и индикация) от генератора переменного тока ГТ. Мощность, потребляемая аппаратурой, составляет: по цепи 27 В 270 Вт; по цепи 115 В 400 Гц 80 ВА; по цепи 36 В 400 Гц 46 ВА; по цепи 5, 5 В 400 Гц 25 ВА. Рис. 1. Схема электропитания аппаратуры
Рис. 2. Схема соединений и комплектации аппаратуры Аппаратура с комплектующими изделиями установлена на самолете в следующем составе (рис. 2): приемник А‑ 312‑ 001; передатчик А‑ 312‑ 002; блок измерения А‑ 317‑ 003; блок ЦВУ М А‑ 340‑ 071 М; блок УВВ А 340 052; блок питания А 340 053; рама амортизационная А 323 005; устройство защиты А 312 026; блок преобразования кодов А 323 006 (с индексом "А" в заводском номере; блок управления А 323 007; щиток управления А 323 008; пульт ввода программы А 323 008; выключатель МОЛЧАНИЕ РСБН, РВ; АЗК РСБН. Примечание. Блоки А 312 001, А 312 002, А 317 003, А 340 071 М, А 340 052, А 340 053 и. амортизационная рама А 323 005 входят в состав моноблока А 323.
Рис. 3. Схема размещения блоков аппаратуры 1‑моноблок; 2‑устройство защиты; 3‑блок преобразования кодов; 4‑блок управления; 5‑пульт ввода программы Размещение блоков аппаратуры на самолете Блоки аппаратуры размещены на самолете в следующих местах (рис. 3. ): моноблок А 323 и блоки А 323 006, А 323 007, А 312 026 установлены в отсеке между шпангоутами № 2 2 В; блок А 323 009 установлен в отсеке основания левого крыла между шпангоутами № ЗГ ЗД; блок А 323 008 установлен на вертикальной части правого пульта в кабине; лампа ПОВТОР. ЗАХОД установлена на пульте САУ (левый пульт кабины); АЗК РСБН установлен на кабинном энергоузле постоянного тока; выключатель МОЛЧАНИЕ РСБН, РВ установлен на горизонтальной части правого пульта. Меры предосторожности Категорически ЗАПРЕЩАЕТСЯ при включенной аппаратуре: снимать защитные кожухи с блоков и заменять предохранители; отсоединять и подсоединять разъемы; производить ремонт, монтаж и замену блоков;
Ввод начальных данных осуществляется с помощью пульта ввода программы ПВП (рис. 4) в угловых и линейных величинах. Контроль введенной программы осуществляется на пульте ПВП. Введенные данные хранятся в неразрушаемой памяти вычислителя в течении 30 суток, а константы ПЗУ 2 постоянно. При наличии в эксплуатирующей организации аппаратуры ввода программы (АВП) ввод начальных данных может осуществляться с помощью этой аппаратуры, что позволяет сократить время ввода начальных данных. АВП состоит из устройства автоматизированного ввода программы (УАВП) и устройства набора программы (УНП). УНП предназначено для ввода информации в УАВП и обеспечивает программирование маршрута полета аналогично программированию с ПВП. УАВП предназначено для автоматизированного ввода программы в вычислитель и содержит память для хранения 4 х программ. УАВП обеспечивает: Рис. 4. Пульт ввода программы ПВП (блок А‑ 323‑ 009) прием и запоминание информации от УНП или Лампы 1‑ 7 сигнализируют об исправности: от ПВП при программировании; 1‑приемника А‑ 312‑ 001; запись принятой информации в 2‑передатчика А‑ 312‑ 002; автоматизированном режиме в память 3‑блока измерения азимута А‑ 317‑ 003‑А; вычислителя; 4‑блока измерения дальности А‑ 317‑ 003‑Д; сохранение записанной информации в течение 5‑блока УВВ А‑ 340‑ 052; 30 суток. 6‑ЦВУ с блоком питания А‑ 340‑ 071 М, ‑ 052, ‑ 053; Для подключения УАВП к изделию А 323 в левом 7‑блока преобразования кодов А‑ 323‑ 006 наплыве крыла установлен разъем 41 БН.
Взаимодействие аппаратуры с самолетными системами Одной из основных систем, обеспечивающих работу аппаратуры, является АФС ПИОН‑НМ‑ 02. Помимо ВЧ сигналов при связи с АФС используются сигналы ПОСАДКА, выдаваемые из аппаратуры для включения носовой антенны, и сигнал ГОТОВНОСТЬ А 3 для управления выбором антенн нос хвост в режиме НАВИГАЦИЯ. При взаимодействии с САУ из аппаратуры в САУ поступают в режиме посадки сигналы εК, εГ , Гот. К и Гот. Г, а в режиме навигации разовые команды совместно со значениями азимута и дальности в виде sin/сos напряжения , выдаваемого на прибор ПНП. Кроме того, в САУ обеспечивается выдача заданного курса ΨЗАД, а в режиме возврат сигналов управления в вертикальной плоскости из вычислителя ВЦ. Взаимодействие с изделием 915 обеспечивается выдачей из ШV управляющих сигналов ИКВ ОСН. ЗАП, ВК/ОБНУЛ. , выбора КУР от РСБН или АРК, выдачи из вычислителя истинного курса в виде sincos напряжения и выдачи из изделия 915 в аппаратуру (блок преобразования кодов) сигналов составляющих скоростей в виде 32 разрядного кода. При взаимодействии с системой С‑ 31 обеспечивается выдача необходимой информации в виде 32‑разрядного кода. Выдача информации производится из блоков БПК и БИ. Взаимодействие с изделием Н 019 осуществляется по сигналу +27 В РСБН при включении основного режима изделия Н 019, при этом, для исключения влияния изделия Н 019 на работоспособность посадочной системы, производится фиксация блока 01 изделия Н 019 в максимально левом крене (до упора). Кроме указанных систем и изделий, аппаратура связана с ответчиком СО‑ 69 по взаимному бланкированию приемопередающих устройств и с радиостанцией Р‑ 862 по каналу позывных.
Антенно фидерная система установлена на самолете (рис. 1) в следующей комплектации: антенна передняя АП 038; антенна задняя АП (3) 018; разделительное устройство РУ 006; блок управления БУ 018; комплект кабелей и фидеров, Электропитание антенно фидерной системы осуществляется постоянным током напряжением 27 В. Блоки антенно фидерной системы размещены на самолете (рис. 2) в следующих местах: антенна передняя 1 установлена внутри носовой части корпуса, внизу у диафрагмы ДI; антенна задняя 4 установлена в законцовке правого киля; разделительное устройство 3 установлено между шп. № ЗГ ЗД по левому борту; блок управления 2 установлен между шп. № ЗГ ЗД по правому борту. Рис. 2. Размещение блоков антенно фидерной системы на самолете. 1‑антенна передняя; 2‑блок управления; 3‑разделительное устройство; 4‑антенна задняя
Дальнейшее развитие бортовая аппаратура ближней навигации и посадки Бортовая аппаратура ближней навигации и посадки РСБН-85 РСБН 85 определяет и выдает навигационные параметры местоположения для полета воздушного судна (ВС) по маршруту, привода в заданную точку и захода на посадку. Бортовую аппаратуру ближней навигации и посадки РСБН 85 выгодно отличает ее универсальность: пригодна для всех видов новых воздушных судов и для модернизации оборудования ВС, находящихся в эксплуатации; может входить в любой комплекс навигационной аппаратуры, как аналоговый, так и цифровой; может использоваться с собственным пультом управления и без него. РСБН 85 обеспечивает лучшие технические характеристики, меньшее энергопотребление и существенно меньшие габариты и массу блока по сравнению с эксплуатируемыми на ВС аналогами. РСБН 85 обеспечивает определение местоположения ВС и посадку по II категории ICAO. Установлена и успешно эксплуатируется на самолетах и вертолетах различных ведомств. Аппаратура удовлетворяет требованиям НЛГС 3 и требованиям ОТТ ВВС, имеет свидетельство о годности N СГКИ 110 95 РСБН 85. Масса не более 11, 5 кг
Бортовая аппаратура ближней навигации, посадки, встречи и определения взаимных координат РСБН 85 В является новым поколением бортовой аппаратуры РСБН, в которой за счет применения современной элементной базы и новых технологических решений в габаритных размерах аппаратуры РСБН 85, реализованы дополнительные функции определения РСБН 85 В РСБН 85, взаимных координат ВС и обмена данными. РСБН-85 В целесообразно использовать: на самолетах и вертолетах наземного и корабельного базирования; для межсамолетной навигации (до 12 ВС); для обеспечения группового взаимодействии самолетов, вертолетов и кораблей; при посадке, в том числе и на необорудованные аэродромы; для привода в заданную точку и встречи для дозаправки в воздухе. РСБН-85 В обеспечивает: определение дальности и азимута при работе по радиомаякам РСБН; определение дальности и отклонения от курса и глиссады при посадке по ПРМГ; определение дальности и отклонения от нулевого пеленга при встрече для дозаправки; определение взаимных координат при взаимодействии группы ВС; прием и передачу координатной и служебной информации. РСБН 85 В может выполнять роль как радиомаяка, так и бортового приемо измерителя в зависимости от того, где она размещена на корабле или на ВС корабельного базирования. В режиме «Навигация» , «Посадка» сопрягается с любой антенно фидерной системой (АФС) РСБН. Режим «Встреча» обеспечивается при наличии в АФС антенн, формирующих равносигнальную зону. РСБН 85 В может поставляться со встроенным спутниковым приемоизмерителем. РСБН 85 В удовлетворяет требованиям НЛГС 3 и ОТТ ВВС. По устойчивости к внешним воздействиям соответствует требованиям ГОСТ РВ 20. 39. 304 98 (гр. 3. 3. 1. ) и нормам НЛГС 3. Масса моноблока не более 10, 5 кг
Определение дальности и азимута в режиме "Навигация" по маякам РСБН-4 Н, Е-324, Е-326, Е-329, корабельные АДРМ Определение дальности и отклонений от равносигнальных зон курса, глиссады в режиме «Посадка» при работе с маяками ПРМГ-4, ПРМГ-5, ПРЛК (АЛПСУ или ЦЛПСУ) Определение дальности и отклонения от нулевого пеленга на самолет, привод в заданную точку в режиме «Встреча» РСБН-2 СВ, РСБН-ПКВ, А-312 -09, А-317, РСБН 85 В Определение взаимных координат в режиме «ОВК» в группе до 12 объектов РСБН-85 В Прием и передача информации по линии «борт-борт» , "борт-земля", "земля-борт" РСБН-85 В, АПД-518, корабельные АДРМ Инструментальная погрешность измерений в режиме «Навигация» азимута (2σ) ± 0, 17 0 – РСБН; дальности (2σ) ± (100 м + 0, 03 % Д) м РСБН Инструментальная погрешность измерений в режиме «Посадка» отклонение от курса глиссады соответствует ГОСТ 15827 -70 и обеспечивает II кат. Инструментальная погрешность измерений в режиме «Встреча» отклонения от нулевого пеленга (2 σ) ± 3 дальности (2σ) ± (60 + 0, 03 % Д) м (для РСБН-85 В) дальности (2 σ) до объекта ± (200 м + 0, 03 % Д) м 0 Погрешность измерений в режиме «ОВК» : дальности до объекта (2σ) ±(60 + 0, 03 % Д) м пеленга (2σ); ± 30 Информационный обмен между ВС Темп информационного обмена до 500 бит/сек Управление - Выходные данные 3 канала приема по ГОСТ 18977 -79 и РТМ 149575 2 канала приема/передачи по МКИО по ГОСТ 26765. 52087 5 каналов передачи по ГОСТ 18977 Выходные данные три выходные цифровые линии по ГОСТ 1897779 и РТМ 1495 -75, два линейных аналоговых выхода
Бортовая аппаратура ближней навигации, посадки, встречи и определения взаимных координат РСБН-ОВК 2000 предназначена для применения на самолетах V поколения. Является бортовой многофункциональной аппаратурой РСБН, в которой применена современная элементная база и новые технологические решения обеспечивающие: определение местоположения объекта по радиомаякам РСБН, DME, TACAN, VOR; заход на посадку по информации СРНС (GNSS); посадку по радиомаякам ПРМГ, ILS, MLS; привод в заданную точку и встречу для дозаправки в воздухе; определение взаимных координат объектов в составе группы; прием и передачу координатной и служебной информации. Аппаратура имеет разветвленный встроенный контроль, позволяющий провести предполетную проверку на борту воздушного судна. РСБН ОВК 2000 обеспечивает: Определение дальности и азимута по маякам РСБН, DME, VOR, TACAN; Определение отклонения от равносигнальной зоны курса и глиссады в режиме "Посадка" с маяками ILS (СП 70), MLS/DME P, ПРМГ; Определение дальности и отклонения от нулевого пеленга на самолет, оборудованный аппаратурой РСБН с режимом «Встреча» ; Определение взаимных координат в режиме ОВК до 12 объектов. По устойчивости к внешним воздействиям соответствует требованиям ГОСТ РВ 20. 39. 304 98 (гр. 3. 3. 1. )
Бортовой радиотехнический комплекс ближней навигации и захода на посадку А-380 МС Предназначен для формирования и выдачи в прицельно навигационный комплекс типа Пр. НК 29 К, Пр. НК 29 КУБ самолетов Ми. Г 29 К, Ми. Г 29 КУБ информации для управления ЛА в режиме захода на посадку на корабль и обмен информацией по линии связи корабль борт и борт корабль с корабельным азимутально дальномерным радиомаяком (АДРМ). А 380 МС обеспечивает: определение и выдачу потребителям в режиме «Навигация» азимута и наклонной дальности относительно корабельного радиомаяка в комплексе «Резистор Э» ; определение и выдачу потребителям в режиме «Посадка АЛПСУ» линейных отклонений от линии посадки по курсу и глиссаде, а также дальности до точки посадки; определение и выдачу потребителям в режиме «Посадка ЦЛПСУ» линейных отклонений от линии посадки дальности до точки посадки и относительной скорости; обмен информацией с корабельным комплексом «Резистор Э» по цифровой линии передачи данных (АПД); обмен информацией с комплексом Пр. НК 29 К, Пр. НК 29 КУБ по ГОСТ 18977 79; формирование и выдачу информации для построения траектории возврата и предпосадочного маневра с выходом в зону действия корабельных посадочных средств; заход на посадку по сигналам посадочного оборудования корабельного комплекса «Резистор Э» .
Бортовой радиотехнический комплекс ближней навигации и захода на посадку А-380 МКЭ Предназначен для формирования и выдачи в пилотажно навигационный комплекс ПНК 37 ДМЭ вертолета Ка 31 (ЛА) информации для управления ЛА в режиме возврата и захода на посадку на корабль и аэродром. Обеспечивает: определение и выдачу потребителям в режиме «Навигация» азимута и наклонной дальности относительно корабельного или наземного радиомаяка комплекса «Резистор Э» или наземного радиомаяка РСБН 4 Н; определение и выдачу потребителям в режиме «Посадка АЛПСУ» отклонений от линии посадки по курсу и глиссаде, а также дальности до точки посадки определение и выдачу потребителям в режиме «Посадка ЦЛПСУ» отклонений от линии посадки дальности от точки посадки и относительной скорости; обмен информацией с корабельным комплексом «Резистор Э» по цифровой линии передачи данных (АПД); обмен информацией с комплексом ПНК 37 ДМЭ (ГОСТ 18977 79); формирование и выдачу информации для построения траектории возврата и предпосадочного маневра с выходом в зону действия корабельных посадочных средств; заход на посадку по сигналам посадочного оборудования корабельного комплекса «Резистор Э» ; формирование и выдачу информации для построения траектории возврата на аэродром и выполнение предпосадочного маневра с выходом в зону действия посадочного радиомаяка типа ПРМГ.
ППМ АЭР. УПРАВЛ МАРШР УД х 30° РМ ВОЗВР ЧК КОМБИН ПУТЕВ КОР. РМ ЗОНА 5 2 176 № ЧК ПРОГРАМ ППМ АЭР 1 2 РМ 3 УД 4 М УПР 5 К П ПОС ВОЗВР 6 НАВИГ КОНТР РСБН 7 8 9 ВСТР ЗНАК ИЗМРЕТР 0 РЕТР ПЗ ЛЕВ ПЗ ПРАВ СБРОС Ψ+180° НТ РУЧ РМ РУЧ МАЯК НЕНАПР УПР ЦВМ Пульт управления БЦВМ и РСБН. ИЗМ НАПР ВВОД ЧК На пульте управления БЦВМ и РСБН обеспечивается следующая индикация: сигнал ППМ при полете по маршруту; номер ППМ, АЭР на левом цифровом индикаторе. При переходе аппаратуры в режим ВОЗВРАТ одновременно с сигналом АЭР и номером аэродрома будут высвечиваться сигналы ВОЗВР и КОМБИН; сигнал ЧК высвечивается при вводе в РСБН вручную номеров частотных каналов навигационных и посадочных радиомаяков при отказе БЦВМ и при полете на незапрограммированный аэродром посадки, а также номеров ЧК радиомаяков режима МСН. При высвечивании сигнала ЧК все другие сигналы на табло гаснут. Номера ЧК при установке переключателя режимов в положение ПРОГРАМ вводятся в РСБН автоматически, а в положениях НАВИГ, ПОС, ВСТР, ИЗМ РЕТР, ИЗМ – вводятся только вручную; сигнал УПРАВЛ и одновременно с ним высвечиваемый один из трех сигналов: МАРШР, КОМБИН, ПУТЕВ сигнализируют о режиме управления полетом по маршруту; сигнал УДх30° высвечивается, когда задается другое направление захода на цель относительно направления полета; сигнал РМ высвечивается при работе аппаратуры РСБН с навигационным радиомаяком, номер радиомаяка высвечивается на правом цифровом индикаторе; сигнал КОР. РМ высвечивается при осуществлении коррекции по данным РСБН; сигнал ЗОНА высвечивается при подходе к очередному ППМ на дальности 20 км, а гаснет на ЛУР и пролете ППМ
Недавно про "Буран" показывали. Академик РАН рассказывал как они систему посадки Бурана разрабатывали с нуля. Сказал он, что до сих пор ничего подобного нет ни у кого. Автоматизированная система посадки разрабатывалась как основная, а пилот в ней был лишь последним звеном резервирования, на случай если все системы выходят из строя. (Челноки кстати до сих пор в ручном режиме сажают). Показали сборку этих компьютеров, алгоритмические таблицы разработчиков софта. Рассказал академик и о знаменитом самостоятельном предпосадочном манёвре Бурана. Говорит, ветерок тогда был сильно боковой, почти поперёк полосы, из за этого даже хотели отложить запуск, но всё таки пустили. Наземные команды дублировали все расчёты, чтобы предсказать поведение Бурана, и все однозначно ждали заход нашего челнока по вполне определённой траектории. Но электронные "мозги" Бурана обладали более полными данными текущей обстановки и в один момент Буран решает, что выбранная траектория захода не является оптимальной в сложившихся условиях. Он принимает решение зайти на полосу с другой стороны, хотя уже начал выполнять манёвр захода. Чтобы увеличить продолжительность пребывания в воздухе он переходит на режим планирования с максимальным качеством, убирает шасси (к тому моменту у него шасси уже были выпущены), меняет механизацию и выполняет отворот для захода с противоположным курсом. На земле народ естественно оказался, мягко выражаясь, в недоумении. Наверняка многие решили, что у аппарата крыша съехала. Но какова же у всех была радость, когда эта умная машина показалась точно на глиссаде с противоположным курсом, и совершила идеальную посадку!. .
Приводные радиостанции (ДПРС и БПРС) Non directional beacon (сокр. NDB) ненаправленный (всенаправленный) радиомаяк или приводная радиостанция (ПРС). ПРС представляют собой наземные радиопередающие станции, излучающие периодические (телеграфный режим) или тонально модулированные незатухающие (телефонный режим) колебания, а также позывные сигналы для опознавания (идентификации) радиостанции. Позывные сигналы передаются кодом Морзе тонально манипулированными колебаниями, причём дальней приводной радиостанции присваивается двухбуквенный позывной, ближней приводной – однобуквенный. диапазон рабочих частот ПРС охватывает участок от 150 к. Гц (2000 м) до 1300 к. Гц (231 м). Дальность действия дальней приводной радиостанции (ДПРС, ОПРС, ДПРМ) при работе на привод по радиокомпасу составляет не менее 150 км, ближней приводной радиостанции (БПРС, БПРМ) – не менее 50 км. Мощность излучения устанавливается такой, чтобы погрешность определения курсовых углов с помощью радиокомпаса на борту летательного аппарата не превышала ± 5º. Наземные приводные радиопередающие станции
Микроволновая система посадки Глиссадный радиомаяк Курсовой радиомаяк, слева антенна DME Системы MLS разрабатываются с 70 х годов, и используют радиоволны с частотой 1 и 5 ГГц. Также как и в системах ILS, на ВПП устанавливается два радиомаяка MLS. Один из них отвечает за определение самолетом азимута, другой — за определение угла места. В отличие от ILS, сигналы MLS имеют узкую диаграмму направленности и сканируют своим лучом широкий сектор с известной скоростью. В отличие от ILS, в микроволновой системе доступно несколько каналов, за счет чего несколько маяков MLS не мешают работе друга. В радиосигналах MLS также могут передаваться дополнительные данные. Разработка системы MLS была начата в середине 1970 х. Первые образцы установлены в некоторых аэропортах США в 1980 х начале 1990 х в экспериментальном порядке. Однако появившиеся в те же годы системы посадки на основе спутниковых навигационных систем (GPS и, позже, WAAS), не требующие установки аэродромного оборудования, практически полностью вытеснили MLS на террирории США. В 1994 г. главное авиационное ведомство США, FAA, прекратило разработку системы, сделав выбор в пользу WAAS. Существующее оборудование отключено, данные исключены из навигационных справочников. В то же время в Европе, в частности, Великобритании, развитие MLS продолжилось , как независимой от , GPS. В 2003 система MLS установлена в лондонском аэропорту Хитроу
В зависимости от комплектации MLS может использоваться в условиях погодного минимума I, III категории ICAO. В соответствии с решаемыми задачами в MLS выделяют независимые друг от друга угломерную и дальномерную подсистемы УПС и ДПС. В комплектацию MLS входят: азимутальный радиомаяк захода на посадку АРМ 1; угломестный радиомаяк захода на посадку УРМ 1; дальномерный радиомаяк ответчик ДРМ. В расширенной комплектации к указанному оборудованию добавляются: азимутальный радиомаяк обратного курса АРМ 2; угломестный радиомаяк выравнивания УРМ 2. Зона действия угломерной подсистемы MLS представляется следующим образом: АРМ 1 в горизонтальной плоскости имеет сектор ± 40º от оси ВПП и дальность действия 37 км и в вертикальной плоскости ограничена сектором примерно 0, 9º 15º относительно горизонта от точки отсчета MLS; АРМ 2 обратного азимута, обслуживающим взлетающие и уходящие на второй круг самолеты Зона сканирования луча ФАР (а), временная диаграмма сканирования (б), структурная схема приемного устройства (в) и принимаемые импульсы в угломестном канале MLS (г): ФАР – фазированная антенная решетка угломестного радиомаяка УРМ 1; Θm – максимальный угол сканирования луча ФАР; Θo – выбранный на борту угол глиссады; Θ – текущий угол положения ВС; ПРМ – приемное устройство; УВС – устройство выделения полезного сигнала; УИВ – устройство измерения времени; ВУ – вычислительное устройство.
Зона действия угломерной подсистемы MLS представляется следующим образом: АРМ 1 в горизонтальной плоскости имеет сектор ± 40º от оси ВПП и дальность действия 37 км и в вертикальной плоскости ограничена сектором примерно 0, 9º 15º относительно горизонта от точки отсчета MLS; АРМ 2 обратного азимута, обслуживающим взлетающие и уходящие на второй круг самолеты Зона сканирования луча ФАР (а), временная диаграмма сканирования (б), структурная схема приемного устройства (в) и принимаемые импульсы в угломестном канале MLS (г): ФАР – фазированная антенная решетка угломестного радиомаяка УРМ 1; Θm – максимальный угол сканирования луча ФАР; Θo – выбранный на борту угол глиссады; Θ – текущий угол положения ВС; ПРМ – приемное устройство; УВС – устройство выделения полезного сигнала; УИВ – устройство измерения времени; ВУ – вычислительное устройство. Дальномерная система, используемая в MLS в отличие от обычной ДМЕ имеет повышенную точность. которая достигается уменьшением: шумов приемника; дискретности отсчета дальности, нестабильности частоты счетных импульсов, фиксации временного положения ответных импульсов и фиксированной временной задержки сигнала; искажений переднего фронта принимаемых импульсов; влияния принимаемых сигналов опознавания ДРМ.
Информация об угловом положении ВС формируется с помощью наземного оборудования и выделяется на борту ВС одной и той же аппаратурой при реализации любой из функций УПС. Наземное оборудование УПС имеет антенную систему типа ФАР, формирующую луч с ДН шириной 1 … 4º. Этот луч сканирует в пределах углового сектора, соответствующего сектору пропорционального наведения, с постоянной скоростью. В азимутальном радиомаяке «туда» в сторону увеличения угла и «обратно» в сторону уменьшения угла, Нулевое положение совпадает с осью ВПП. В угломестном маяке луч сканирует «вверх» в направлении увеличения угла и «вниз» в сторону уменьшения угла. Нулевое значение угла места совпадает с горизонтальной плоскостью, проходящей через фазовый центр антенны радиомаяка. Во время движения луча «туда и «обратно» , «вверх» и «вниз» антенна излучает немодулированный сигнал. Переходу от движения луча в прямом направления в обратном направлении к движению в обратном направлении соответствует прекращению излучения (пауза). Рассмотренный цикл периодически повторяется с частотой повторения данной функции. При прохождении луча антенны радиомаяка через точку, где расположена приемная антенна, на выходе последней формируется импульсный сигнал, форма огибающей и длительность которого определяются формой и шириной диаграммы направленности антенны радиомаяка и скоростью движения луча. В бортовом оборудовании (рис. в) сигнал с выхода приемника ПРМ поступает на устройство выделения полезного сигнала УПС. Очищенный от помех сигнал преобразуется в прямоугольный импульс, путем его отсечения по уровню 3 д. Б и подается на устройство измерения времени УИВ, в котором определяется угловое положение ВС путем измерения интервала времени tφ, θ между принимаемыми во время прямого и обратного хода луча ДН радиомаяка импульсами. Сигнал с выхода УИВ несет информацию об определяемом угловом параметре: φ= Kφ tφ ; θ = Kθ tθ, где Kφ и Kθ – масштабирующие коэффициенты. Полученные значения φ или θ подаются на вычислительное устройство ВУ, где сравниваются со значениями Тоφ или Тоθ соответствующими положению ВС на линии курса или выбранной на борту линии глиссады (То – представляет собой интервал времени между импульсами прямого и обратного хода луча, принимаемыми на ВС в том случае, когда ВС находится на заданной траектории захода на посадку). Полученная на выходе ВУ разность Δφ, θ = 0, 5 К φ, θ (tφ, θ То φ, θ) несет информацию об отклонении ВС от заданной траектории и используется для индикации положения ВС на приборах экипажа и для управления ВС при автоматизации посадки.
Система WAAS LPV (Wide Area Augmentation System Localizer Performance with Vertical Guidance, или Широкозонная усиливающая система с функцией захода на посадку по характеристикам курсового радиомаяка с вертикальным наведением) представляет собой чрезвычайно точную навигационную систему, созданную для гражданской авиации. Система включает спутники и наземные станции, повышающие точность данных Глобальной системы позиционирования (Global Positioning System GPS). WAAS LPV, представляющая собой часть системы воздушного транспорта нового поколения Федерального управления гражданской авиации, позволяет самолету пользоваться данными системы GPS на протяжении всего полета: осуществлять навигацию во время рейса, взлета и посадки в любом аэропорту, который находится в зоне покрытия системы GPS. Система WAAS LPV охватывает примерно 38 наземных опорных станций/приемников, расположенных на территории США, Канады и Мексики, которые отслеживают спутниковые данные системы GPS. Центральные станции, расположенные на обоих побережьях США, собирают данные опорных станций и формируют корректирующее сообщение системы GPS. Станции передают корректирующие данные на геостационарные спутники, расположенные над экватором. Затем спутники передают корректирующие сигналы на спутниковые приемники системы WAAS. Система WAAS LPV также обеспечивает возможность захода на посадку по характеристикам курсового радиомаяка с вертикальным наведением, который позволяет пилотам заходить в определенные аэропорты при помощи псевдоглиссады подобно системе посадки по приборам. Посадочные минимумы: высота принятия решения 200 футов и видимость на расстоянии полумили. Преимущества системы WAAS LPV включают повышенную безопасность, расширенные возможности планирования полета, снижение затрат и улучшенный доступ к аэропортам. Система WAAS LPV повышает эффективность авиаперевозок благодаря: 1. Повышенным возможностям ВПП. 2. Сниженным требованиям к расстоянию между самолетами, при посадке. 3. Более прямой траектории полета по маршруту. 4. Новым сервисам для точного захода на посадку. 5. Меньшему количеству и упрощенной эксплуатации бортового оборудования.
Рис. 3 -3. Предлагаемый переход на гражданскую авиационную систему навигации
РСБНА-317.ppt