ПОВТОРЕНИЕ 1 СЕМЕСТРА СПО УСТРОЙСТВО ДВИГАТЕЛЯ ? УСТРОЙСТВО










































































































6824-povtorenie_tem_2_kurs_spo__1_semestr_1.ppt
- Количество слайдов: 106
ПОВТОРЕНИЕ 1 СЕМЕСТРА СПО
УСТРОЙСТВО ДВИГАТЕЛЯ ?
УСТРОЙСТВО ДВИГАТЕЛЯ ?
УСТРОЙСТВО КРИВОШИПНО-ШАТУННОГО МЕХАНИЗМА ПРИНЦИП ЕГО РАБОТЫ И ОСНОВНЫЕ НЕИСПРАВНОСТИ?
СОСТАВ КШМ ?
Детали КШМ делится на КАКИЕ ЧАСТИ ?
КАКАЯ ЧАСТЬ КШМ ?
КАКАЯ ЧАСТЬ КШМ ?
Детали КШМ делится на КАКИЕ ЧАСТИ ?
ИЗ ЧЕГО СОСТОЯТ ?
ИЗ ЧЕГО СОСТОИТ ?
Почему происходит расплавление поршня ?
Почему происходит пригорание колец?
Почему происходит износ стенки цилиндра ?
Почему происходит деформация ?
ПОЧЕМУ СТЕРЛИСЬ ВКЛАДЫШИ?
Газораспределительный механизм
СОСТАВ ГРМ ?
СОСТАВ ГРМ ?
ВИДЫ ПРИВОДОВ ГРМ ?
ПРИЧИНЫ НЕИСПРАВНОСТЕЙ И ИХ ПОСЛЕДСТВИЯ?
ПОЧЕМУ ПРОГОРАЕТ ПРОКЛАДКА?
ПОЧЕМУ СТЕРЛИСЬ ВКЛАДЫШИ?
УСТРОЙСТВО ПРИВОДА ГРМ ? ПРИНЦИП РАБОТЫ ГРМ ? НЕИСПРАВНОСТИ ПРИВОДОВ ?
КАКОЙ ЭТО ПРИВОД И ЧЕГО ?
ИЗ ЧЕГО СОСТОИТ ГРМ ?
НАЗНАЧЕНИЕ И ПРИНЦИП РАБОТЫ ?
КАКИЕ ПОСЛЕДСТВИЯНЕИСПРАВНОСТЕЙ?
СИСТЕМА ОХЛАЖДЕНИЯ УСТРОЙСТВО ПРИНЦИП РАБОТЫ И ОСНОВНЫЕ НЕИСПРАВНОСТИ ?
НАЗНАЧЕНИЕ УСТРОЙСТВО ПРИНЦИП РАБОТЫ И ОСНОВНЫЕ НЕИСПРАВНОСТИ ?
ТЕМПЕРАТУРА РАБОЧЕГО ЦИКЛА И ВРЕМЯ ОТКРЫТИЯ ТЕРМОСТАТА И ВКЛЮЧЕНИЯ ВЕНТИЛЯТОРА ?
УСТРОЙСТВО И ПРИНЦИП РАБОТЫ СИСТЕМЫ ОХЛАЖДЕНИЯ ДВИГАТЕЛЯ
ЧТО ОХЛАЖДАЕМ В БЛОКЕ ЦИЛИНДРОВ И ЕГО ГОЛОВКЕ И ЗАЧЕМ ?
ОСНОВНЫЕ НЕИСПРАВНОСТИ И ИХ ПОСЛЕДСТВИЯ ?
НАЗНАЧЕНИЕ УСТРОЙСТВО ПРИНЦИП РАБОТЫ
НАЗНАЧЕНИЕ УСТРОЙСТВО ПРИНЦИП РАБОТЫ?
НАЗНАЧЕНИЕ УСТРОЙСТВО ПРИНЦИП РАБОТЫ?
ГДЕ РУБАШКА ОХЛАЖДЕНИЯ ЧТО ОХЛАЖДАЕТ И ГДЕ КАКОЙ КАНАЛ И КЛАПАН ?
НАЗНАЧЕНИЕ УСТРОЙСТВО ПРИНЦИП РАБОТЫ И ОСНОВНЫЕ НЕИСПРАВНОСТИ ?
ПРИЧИНЫ НЕИСПРАВНОСТЕЙ И ИХ ПОСЛЕДСТВИЯ ДЛЯ ДВС ?
ПРИЧИНЫ НЕИСПРАВНОСТЕЙ И ИХ ПОСЛЕДСТВИЯ ДЛЯ ДВС ?
ПРИЧИНЫ НЕИСПРАВНОСТЕЙ И ИХ ПОСЛЕДСТВИЯ ДЛЯ ДВС ?
СИСТЕМА СМАЗКИ УСТРОЙСТВО ПРИНЦИП РАБОТЫ И ОСНОВНЫЕ НЕИСПРАВНОСТИ
СИСТЕМА СМАЗКИ УСТРОЙСТВО ПРИНЦИП РАБОТЫ И ОСНОВНЫЕ НЕИСПРАВНОСТИ
СХЕМА СИСТЕМЫ СМАЗКИ ДВИГАТЕЛЯ
СХЕМА СИСТЕМЫ СМАЗКИ ДВИГАТЕЛЯ
СХЕМА СИСТЕМЫ СМАЗКИ ДВИГАТЕЛЯ
СХЕМА СИСТЕМЫ СМАЗКИ ДВИГАТЕЛЯ
СИСТЕМА СМАЗКИ УСТРОЙСТВО ПРИНЦИП РАБОТЫ И ОСНОВНЫЕ НЕИСПРАВНОСТИ
НАЗНАЧЕНИЕ УСТРОЙСТВО ПРИНЦИП РАБОТЫ
ПРИНЦИП РАБОТЫ МАСЛЯННОГО НАСОСА
ПОЧЕМУ СТЕРЛИСЬ ВКЛАДЫШИ И КАКИЕ ПОСЛЕДСТВИЯ ДЛЯ РАБОТЫ ДВИГАТЕЛЯ?
Четырёхтактный двигатель
СИСТЕМА ПИТАНИЯ КАРБЮРАТОРНОГО ДВИГАТЕЛЯ – УСТРОЙСТВО ПРИНЦИП РАБОТЫ ОСНОВНЫЕ НЕИСПРАВНОСТИ
УСТРОЙСТВО ПРИНЦИП РАБОТЫ ОСНОВНЫЕ НЕИСПРАВНОСТИ БЕНЗОНАСОСА
УСТРОЙСТВО ПРИНЦИП РАБОТЫ ОСНОВНЫЕ НЕИСПРАВНОСТИ
ТИПЫ БЕНЗОНАСОСОВ УСТРОЙСТВО И ПРИНЦИПЫ ИХ РАБОТЫ
УСТРОЙСТВО ПРИНЦИП РАБОТЫ И ОСНОВНЫЕ НЕИСПРАВНОСТИ
ОДНОКАМЕРНЫЕ КАРБЮРАТОРЫ УСТРОЙСТВО И ПРИНЦИПЫ ИХ РАБОТЫ
РЕЖИМЫ РАБОТЫ КАРБЮРАТОРА
РЕЖИМЫ РАБОТЫ КАРБЮРАТОРА
ДВУХКАМЕРНЫЕ КАБЮРАТОРЫ УСТРОЙСТВО И ПРИНЦИПЫ ИХ РАБОТЫ
ДВУХКАМЕРНЫЕ КАБЮРАТОРЫ УСТРОЙСТВО И ПРИНЦИПЫ ИХ РАБОТЫ
ДВУХКАМЕРНЫЕ КАБЮРАТОРЫ УСТРОЙСТВО И ПРИНЦИПЫ ИХ РАБОТЫ
ДВУХКАМЕРНЫЕ КАБЮРАТОРЫ УСТРОЙСТВО И ПРИНЦИПЫ ИХ РАБОТЫ
УСТРОЙСТВО И ПРИНЦИП РАБОТЫ ИНЖКТОРНОЙ СИСТЕМЫ ПИТАНИЯ ?
УСТРОЙСТВО И ПРИНЦИП РАБОТЫ ИНЖКТОРНОЙ СИСТЕМЫ ПИТАНИЯ ?
КАКАЯ СИСТЕМА ПИТАНИЯ ДВИГАТЕЛЯ И ПРИНЦИП РАБОТЫ ?
УСТРОЙСТВО НАЗНАЧЕНИЕ И ПРИНЦИП РАБОТЫ ?
НАЗНАЧЕНИЕ И ПРИНЦИП РАБОТЫ ?
УСТРОЙСТВО НАЗНАЧЕНИЕ И ПРИНЦИП РАБОТЫ ?
СИСТЕМА ПИТАНИЯ ДИЗЕЛЬНОГО ДВИГАТЕЛЯ
ИЗ ЧЕГО СОСТОИТ ТНВД И ПРИНЦИП ЕГО РАБОТЫ ?
ИЗ ЧЕГО СОСТОИТ ТНВД И ПРИНЦИП ЕГО РАБОТЫ ?
УСТРОЙСТВО НАЗНАЧЕНИЕ И ПРИНЦИП РАБОТЫ ?
УСТРОЙСТВО И ПРИНЦИП РАБОТЫ ?
УСТРОЙСТВО И ПРИНЦИП РАБОТЫ ?
СИСТЕМА ПИТАНИЯ ДИЗЕЛЬНОГО ДВИГАТЕЛЯ УСТРОЙСТВО И ПРИНЦИП РАБОТЫ
СИСТЕМА ПИТАНИЯ ДИЗЕЛЬНОГО ДВИГАТЕЛЯ УСТРОЙСТВО И ПРИНЦИП РАБОТЫ
УСТРОЙСТВО И ПРИНЦИПЫ ИХ РАБОТЫ
ТИПЫ КАМЕР СГОРАНИЯ – ПРИНЦИП УСТРОЙСТВА И РАБОТЫ
ТИПЫ КАМЕР СГОРАНИЯ – ПРИНЦИП УСТРОЙСТВА И РАБОТЫ Тороидальная камера 2 — головка цилиндров; 3 — форсунка;
СИСТЕМА ТУРБОНАДДУВА ДВИГАТЕЛЯ
КАКАЯ ЭТО СИСТЕМА ИНЖЕКТОРА ?
КАКАЯ ЭТО СИСТЕМА ИНЖЕКТОРА ?
СИСТЕМА ИНЖЕКТОРНОГО ПИТАНИЯ ДВИГАТЕЛЯ УСТРОЙСТВО И ПРИНЦИП РАБОТЫ
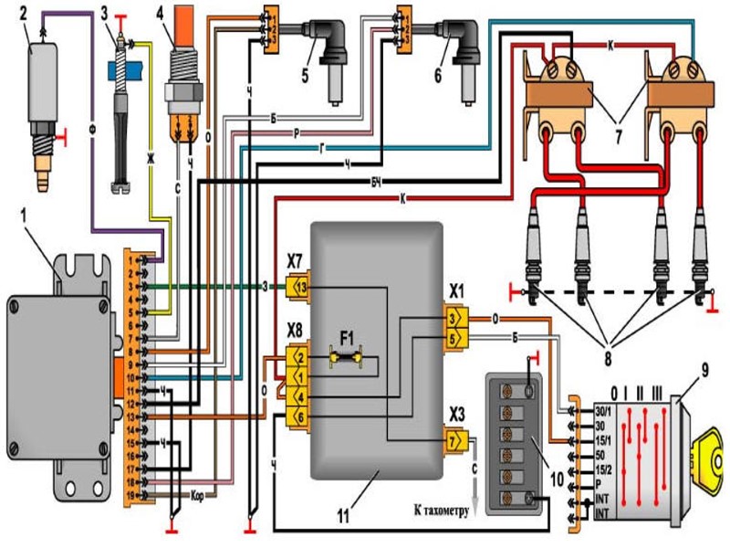
КЛАССИЧЕСКАЯ СИСТЕМА ЗАЖИГАНИЯ
КЛАССИЧЕСКАЯ СИСТЕМА ЗАЖИГАНИЯ
ИЗ ЧЕГО СОСТОИТ КЛАССИЧЕСКАЯ СИСТЕМА ЗАЖИГАНИЯ ?
ТРАМБЛЕР ПРЕРЫВАТЕЛЬ-РАСПРЕДЕЛИТЕЛЬ
ИЗ ЧЕГО СОСТОИТ СВЕЧА ЗАЖИГАНИЯ ?
КАТУШКИ ЗАЖИГАНИЯ ИНЖЕКТОРНОЙ СИСТЕМЫ ПИТАНИЯ
КАТУШКИ ТРАНЗИСТОРНОЙ СИСТЕМЫ ЗАЖИГАНИЯ
НЕИСПРАВНОСТИ СВЕЧЕЙ ЗАЖИГАНИЯ
УСТРОЙСТВО НАЗНАЧЕНИЕ И ПРИНЦИП РАБОТЫ СИСТЕМЫ ПУСКА ДВИГАТЕЛЯ ?
УСТРОЙСТВО НАЗНАЧЕНИЕ И ПРИНЦИП РАБОТЫ СИСТЕМЫ ЭЛЕКТРОПИТАНИЯ ?
УСТРОЙСТВО НАЗНАЧЕНИЕ И ПРИНЦИП РАБОТЫ СИСТЕМЫ ЭЛЕКТРОПИТАНИЯ ?
УСТРОЙСТВО НАЗНАЧЕНИЕ И ПРИНЦИП РАБОТЫ СИСТЕМЫ ЭЛЕКТРОПИТАНИЯ ?
Спасибо за внимание!

