Без имени 1.ppt
- Количество слайдов: 24
Источники электропитания. Выполнил: Фомин Дмитрий Дмитриевич Группа УК-307
Определение Источник питания — радиоэлектронное устройство, предназначенное для обеспечения различных устройств электрическим питанием. Различают первичные и вторичные источники питания.
Первичные источники – это. . источник тока, в котором различные виды энергии превращаются в электрический ток. Например: батарейка, электрогенератор, солнечный элемент.
К первичным относят преобразователи различных видов энергии в электрическую, примером может служить аккумулятор, преобразующий химическую энергию. Вторичные источники сами не генерируют электроэнергию, а служат лишь для её преобразования с целью обеспечения требуемых параметров (напряжения, тока, пульсаций напряжения и т. п. )
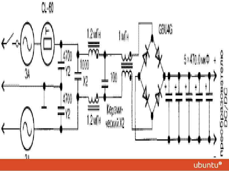
На рисунке изображён типовой универсальный первичный источник питания. Он состоит из выключателя питания, предохранителя, фильтра радиопомех, термистора с отрицательным ТКС для ограничения пускового тока, двухполупе-риодного мостового выпрямителя и фильтрующего конденсатора.
Многие первичные источники питания вырабатывают постоянный ток. От остальных первичных источников питания, а так же практически от всех вторичных источников питания получают переменный ток.
А так как почти все электронные схемы работают на постоянном токе, полученный переменный ток необходимо преобразовать в постоянный, это делается с помощью выпрямителя.
Выпрямитель электрического тока устройство, предназначенное для преобразования переменного входного электрического тока в постоянный выходной электрический ток.
Внутреннее сопротивление источника тока. Любой реальный источник тока имеет внутренее сопротивление. Что бы объяснить это явление и его влияние его на работу схемы, используют схему замещения источника тока. (см. рисунок)
Знаками "+" и "-" на Рисунке обозначены наружние контакты реального источника тока, например, клеммы батарейки. Буквой "E" обозначен идеальный (теоретический) источник тока. Сопротивление R 1 соединёно последовательно с источником тока, R 2 - параллельно источнику.
Вторичные источники питания – это. . устройства, предназначенное для обеспечения питания электроприбора электрической энергией, при соответствии требованиям её параметров: напряжения, тока, и т. д. путём преобразования энергии других источников питания.
К источникам вторичного электропитания относятся встроенные блоки питания, лабораторные источники питания, преобразователи напряжения, источники бесперебойного питания и т. д.
Задачи вторичного источника питания: 1) Обеспечение передачи мощности — источник питания должен обеспечивать передачу заданной мощности с наименьшими потерями и соблюдением заданных характеристик на выходе без вреда для себя. Обычно мощность источника питания берут с некоторым запасом.
2) Преобразование формы напряжения — преобразование переменного напряжения в постоянное, и наоборот, а также преобразование частоты, формирование импульсов напряжения и т. д. Чаще всего необходимо преобразование переменного напряжения промышленной частоты в постоянное.
3) Преобразование величины напряжения — как повышение, так и понижение. Нередко необходим набор из нескольких напряжений различной величины для питания различных цепей.
4) Стабилизация — напряжение, ток и другие параметры на выходе источника питания должны лежать в определённых пределах, в зависимости от его назначения при влиянии большого количества дестабилизирующих факторов: изменения напряжения на входе, тока нагрузки и т. д. Чаще всего необходима стабилизация напряжения на нагрузке, однако иногда (например, для зарядки аккумуляторов) необходима стабилизация тока.
5) Защита — напряжение, или ток нагрузки в случае неисправности (например, короткого замыкания) каких-либо цепей может превысить допустимые пределы и вывести электроприбор, или сам источник питания из строя. Также во многих случаях требуется защита от прохождения тока по неправильному пути: например прохождения тока через землю прикосновении человека или постороннего предмета к токоведущим частям.
6) Регулировка — в процессе эксплуатации может потребоваться изменение какихлибо параметров для обеспечения правильной работы электроприбора. 7) Контроль — отображение параметров на входе и на выходе источника питания, включения/выключения цепей, срабатывания защит. Также может быть непосредственным или дистанционным.
8) Управление — может включать регулировку, включение/отключение какихлибо цепей, или источника питания в целом. Может быть как непосредственным (с помощью органов управления на корпусе устройства), так и дистанционным, а также программным (обеспечение включения/выключения, регулировка в заданное время или с наступлением какихлибо событий).
Электронный стабилизатор. В процессе работы напряжение на контактах источника питания изменяется. Причин такого изменения напряжения может быть несколько: У вторичных источников питания: отклонения напряжения в питающей сети. У химических источников питания (батареи, аккумуляторы): частичный разряд. Изменение потребляемого тока питаемой конструкцией. Изменение внутреннего сопротивления источника тока.
Для компенсации этого естественного изменения напряжения на выходе источника питания применяют электронные стабилизаторы.
Электронный стабилизатор - это устройство, автоматически поддерживающее постоянство определённого параметра (часто напряжение или ток) на выходных контактах.


