96707c532abea2a67aeb635574d84054.ppt
- Количество слайдов: 24
Implementing Change Management at Argonne Paul Domagala Argonne National Laboratory June 1, 2009 NLIT 2009, Knoxville, TN
Why formalized Change Management? • ITIL • Strategic, value-based approach • A couple of processes at a time • Argonne’s first cut – Incident, Problem, Change • The ISO 9001 connection • But really…… • It’s not about any of that……… 2
…. . an average of 80 percent of missioncritical application service downtime is directly caused by people or process failures… (unmanaged change) Gartner 3
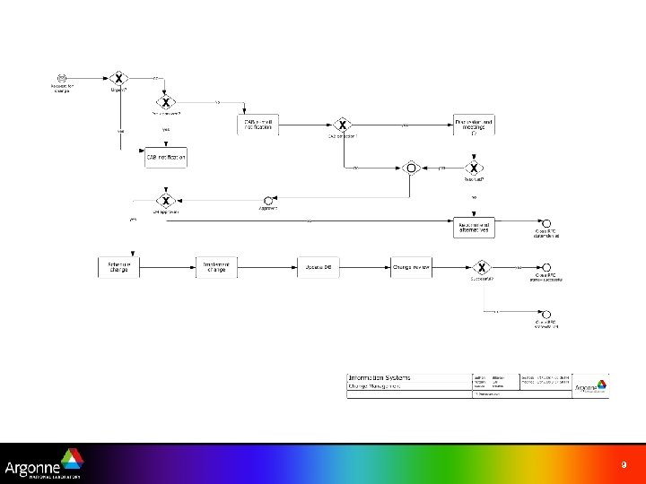
The Process…. . 4
The Process…. . 5
Planning & execution • Treat it like a project • Define the objectives & scope • Define timeline • Define roles & responsibilities • Allocate resources • Break it into manageable pieces • Process definition • Phase I: pilot - process shakedown training & communication • Phase II: • Phase III: pilot – tune process tool implementation & limited production training & communication • Phase IV: production process training & Communication • Phase N: Improve • Don’t expect to get everything right the first time 6
Charter The goals of the CIS change management process are: • repeatable, well thought out change throughout the organization • minimize disruption to services • transparency & communication • efficient and effective delivery of IT services to the laboratory community • a process that is not an impediment to adoption The Change Manager (CM) and Change Advisory Board (CAB) are responsible for guiding proposed changes through the process and communicating relevant information to all stakeholders. Specifically, the Change Manager is the owner of this process and has primary responsibility for the integrity of the process. The Change Advisory Board is composed of technical representatives and subject matter experts from all functional areas of IT operations. The CAB involves stakeholders, clients, users and management as appropriate. 7
Planning 8
9
10
1. Emergency - If you have a problem that requires changes to be made to correct a service-down situation, do whatever's necessary to correct the situation, stabilize the service and notify cab-core@anl. gov. 2. Urgent - Urgent requests are changes requiring immediate consideration. These requests bypass the full CAB vote and may be approved by a change manager. Typical approval time for urgent requests is hours at most. Urgent status is reserved for changes of a business, security, or safety-critical nature. 3. Standard - Standard requests have high, medium or low priority and no recurrence. Standard requests are approved or disapproved within 24 hrs. 4. Recurring - By requesting recurring approval status of an RFC, the requester may receive approval for all occurrences of the same activities going forward. Change implementers must still submit a child RFC of the original so that each occurrence of the approved RFC can be recorded. 11
Pilot • Limited set of production services • SAN and related components • production databases • power/datacenter (UPS and Commercial) • Exchange • domain controllers • core networking Infrastructure • New application deployments • Services Added voluntarily • LAMP Farm, LDAP, SVN and Trac, Wiki, Zimbra • Exercise and tuned process 12
Tool Implementation 13
14
Some of the info that’s important 15
16
17
Application to major maintenance windows 18
Feedback mechanisms 19
20
Take-Aways 21
Critical Factors for Success (CFS’s) • Management buy-in, commitment and participation • People/skills • Process leaders • PM • SME’s • Customer & stakeholder input • Organizational buy-in • Adequate resources • Communication, communication 22
• Process before tool • Start small & concentrate on process & workflow • Beware of scope creep (target what actually matters) • Leverage automated workflow to avoid wasting time • Put timers on stuff • Crowd-source • The formalism isn’t the point! • get people to think through their changes • discuss their changes • be aware of changes • Make adoption easy • Facilitate, don’t impede 23
Credits Change Managers Stakeholders and Contributors Paul Domagala Jim Dust Nick Stoops Mike Rios Chris Coglianese Karl Schmidt Chris Poetzel Dave Lehman Ray Carlson Joe Keslin Dana Stasiak Christiaan Zaluzec Matt Knor Brian Sebby Fran Carnaghi Gene Rackow Gary Schlesselmann Brian Finley Corey Hall Kevin Hayden Change Advisory Board (CAB) Donna Keto Ross Pallan Scott Pinkerton David Salbego Dave Skelley Mike Skwarek Dana Stasiak Ron Fierro Databases and Footprints Dev Fran Carnaghie Yan Li Sarah Fern 24


