Абросимова.pptx
- Количество слайдов: 12
Государственное автономное профессиональное образовательное учреждение Саратовской области «Поволжский колледж технологий и менеджмента» Очистка отходящих газов от тумана и брызг серной кислоты в сернокислотном производстве на ЗАО «Балаковские минеральные удобрения» Выполнила студентка группы 911 Абросимова А. Н Руководитель проекта Жевелюк А. С.
Применение серной кислоты H 2 SO 4 Очистка нефтепродуктов, в металлургической, в текстильной, дерево – обрабатывающей промышленностях.
Характеристика применяемого сырья Fe. S 2 (СЕРНЫЙ КОЛЧЕДАН) S (комовая) S (жидкая)
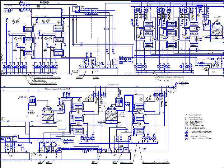
Производство серной кислоты проходит в три стадии: S + O 2 = SO 2 2 SO 2 + O 2 = 2 SO 3 n SО 3 (газ) + Н 2 О (жидк. ) = Н 2 SО 4 + (n – 1)SО 3
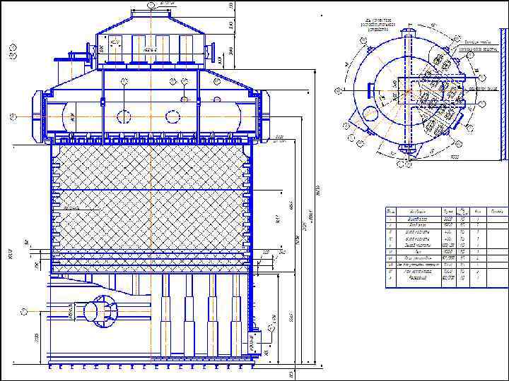
Башня выполнена из углеродистой стали, внутри футерованна кислотоупорным кирпичом. Плотность орошения 20 м 3/ч Поверхность массообмена 26290 м 2 Степень абсорбции 99, 8%
Экологический мониторинг
Предельно допустимые концентрации на СКП SO 3 0, 3 мг/м ПДК 3 SO 2 NO 2 CO 2 0, 04 мг/м 3 3 0, 05 мг/м 0, 08 мг/м 3
Индивидуальные средства защиты
Охрана окружающей среды
Выражаю благодарность Руководителям проекта Жевелюк А. С. Переверзиной М. М. Красновой О. В. Благодарю за внимание!!!
Абросимова.pptx