b3c1e5c9a7cf311e84b56d66a3eab5ac.ppt
- Количество слайдов: 71
Electronic Instrumentation Experiment 8: Diodes (continued) Project 4: Optical Communications Link
Agenda Brief Review: Diodes w Zener Diodes w Project 4: Optical Communication Link w • Why optics? • Understanding Modulation • Initial Design of optical link • Transmitter • Receiver • PSpice Model • Your final design
What you will know w w w What a Zener diode is used for How a signal is modulated to carry information How what you’ve learned to this point in this course can be used for the optical link What is expected in Project 4 What the PSpice model is representing What the simulated output tells you
Introduction to Diodes A diode can be considered to be an electrical one-way valve. w They are made from a large variety of materials including silicon, germanium, gallium arsenide, silicon carbide … w
Introduction to Diodes w In effect, diodes act like a flapper valve • Note: this is the simplest possible model of a diode
Introduction to Diodes Only positive current flows
Diode i-v Characteristic Curves • What is a i-v characteristic curve? • i-v curve of an ideal diode • i-v curve of a real diode
i-v characteristic of a real diode w Real diode is close to ideal Ideal Diode
Diode Circuits • Rectifiers • Voltage Limiters (Clippers)
A Half Wave Rectifier Since the diode only allows current in one direction, only the positive half of the voltage is preserved.
Smoothing Capacitors w Filtering can be performed by adding a capacitor across the load resistor This RC combination is a low pass filter w It smoothes out the output to make it more like DC w
A Full Wave Rectifier The rectifier we have just seen is called a halfwave rectifier since it only uses half of the sinusoidal voltage. A full wave rectifier uses both the negative and positive voltages.
A Full Wave Rectifier 1. 4 V (2 diodes) Note: Since a small voltage drop (around 0. 7 V) now occurs over two diodes in each direction, the voltage drop from a full wave rectifier is 1. 4 V.
Full Wave Rectifier With Smoothing Capacitor holds charge
Voltage Limitation In many applications, we need to protect our circuits so that large voltages are not applied to their inputs w We can keep voltages below 0. 7 V by placing two diodes across the load w
Voltage Limitation
Zener Diodes • Introduction • i-v curve for a Zener diode • Zener diode voltage regulation
Zener Diodes w Up to this point, we have not taken full advantage of the reverse biased part of the diode characteristic.
Zener Diodes For the 1 N 4148 diode, the breakdown voltage is very large. If we can build a different type of diode with this voltage in a useful range (a few volts to a few hundred volts), we can use such devices to regulate voltages. This type of diode is called a Zener diode because of how the device is made. w Zener diodes are rated according to where they break down. A diode with a Zener voltage (VZ) of 5 V, will have a breakdown voltage of -5 V. w
i-v characteristic of Zener diodes Knee Current For a real Zener diode, a finite current (called the knee current) is required to get into the region of voltage regulation w Just like regular diodes, Zener diodes have a small reverse saturation current in the reverse bias region and a forward bias threshold voltage of about 0. 7 V w
Zener Diodes Circuits Although Zener diodes break down at negative voltages, Zener voltages are given as positive and Zener diodes are typically placed in circuits pointing away from ground. w The voltage in this circuit at point B will w • hold at VZ when the Zener diode is in the breakdown region. • hold at -0. 7 when the Zener diode is forward biased • be equal to the source voltage when the Zener diode is off (in the reverse bias region).
Zener Diodes w Note the voltage limitation for both positive and negative source voltages
Wall Warts
Transformer Rectifier w Adding a full wave rectifier to the transformer makes a low voltage DC power supply, like the wall warts used on most of the electronics we buy these days. (In reality, VAC is 120 Vrms => 170 Vpeak)
Transformer Rectifier Filtered Unfiltered
Zener Diode Voltage Regulation Note stable voltage
Diodes and Light • Light Emitting Diodes (LEDs) • Photodiodes and Phototransistors
Light Emitting Diodes • The Light-Emitting Diode (LED) is a semiconductor pn jun • Visible LEDs emit relatively narrow bands of green, yellow
Photodiodes and Phototransistors • Photodiodes are designed to detect photons and can be used in circuits to sense light. • Phototransistors are photodiodes with some internal amplification. Note: Reverse current flows through the photodiode when it is sensing light. If photons excite carriers in a reversebiased pn junction, a very small current proportional to the light intensity flows. The sensitivity depends on the wavelength of light.
Phototransistor Light Sensitivity The current through a phototransistor is directly proportional to the intensity of the incident light.
Electronic Instrumentation Project 4: Optical Communication Link 1. Optical Communications 2. Initial Design 3. PSpice Model 4. Final Design 5. Project Report
Why use optics? Advantages of optical communication (over Radio Frequency) w w w w Wider bandwidth http: //www. andor. com/image_lib/lores/introduct ion/introduction%20(light)/intlight%201%20 sm Larger capacity all. jpg Lower power consumption http: //spie. org/x 8857. xml More compact equipment Greater security against eavesdropping Immunity from interference More directed energy
1. Optical Communications
“Lighting the way to a revolution” http: //news. bbc. co. uk/1/hi/sci/tech/4671788. stm The exponential increase of sharing information is largely due to optical communication technology w A few revolutionary technologies based on or effected by optical communication • Internet (ex. Ethernet LAN based on Infrared Technology) 1966 Dr. Kao and • Cell phones George Hockham: • Satellite communication fiber optics to carry w Others? information with light w
Transmitting an audio signal using light In free space (air) Transmitter Circuit Receiver Circuit
Modulation is a way to encode an electromagnetic signal so that it can be transmitted and received. w A carrier signal (constant) is changed by the transmitter in some way based on the information to be sent. w The receiver then recreates the signal by looking at how the carrier was changed. w
Modulation Modulating Input signal Carrier signal Output (modulated carrier) depends on the type of modulation used
Modulation Types w General • Frequency Modulation • Amplitude Modulation w Pulse • Pulse Width Modulation • Pulse Position Modulation • Pulse Frequency Modulation
Amplitude Modulation Frequency of carrier remains constant. Input signal alters amplitude of carrier. Higher input voltage means higher carrier amplitude. http: //cnyack. homestead. com/files/modulation/modam. htm
Frequency Modulation Amplitude of carrier remains constant. Input signal alters frequency of carrier. Higher input voltage means higher carrier frequency. http: //cnyack. homestead. com/files/modulation/modfm. htm
Pulse Modulation definition and equation w Remember duty cycle Ton w Toff Carrier has a constant variable • Pulse Width Modulation - Period is constant • Pulse Position Modulation - Pulse width is constant • Pulse Frequency Modulation - Duty cycle is constant w Input modulates carrier and effects other two variable
Pulse Width Modulation Period of carrier remains constant. Input signal alters duty cycle and pulse width of carrier. Higher input voltage means pulses with longer pulse widths and higher duty cycles. http: //cnyack. homestead. com/files/modulation/modpwm. htm
Pulse Position Modulation Pulse width of carrier remains constant. Input signal alters period and duty cycle of carrier. Higher input voltage means pulses with longer periods and lower duty cycles. http: //cnyack. homestead. com/files/modulation/modppm. htm
Pulse Frequency Modulation Duty cycle of carrier remains constant. Input signal alters pulse width and period of carrier. Higher input voltage means pulses with longer pulse widths and longer periods.
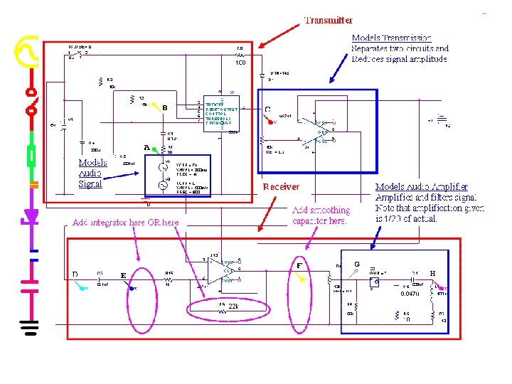
2. Initial Design transmitter receiver The initial design for this project is a circuit consisting of a transmitter and a receiver. w The circuit is divided into functional blocks. w • Transmitter: Block A-B and Block B-C • Transmission: Block C-D • Receiver: Block D-E, Block E-F, Block F-G, and Block G-H w You will need to examine each block of the circuit.
555 Timer Transmitter Circuit RRC with variable resistor: Changes sampling frequency (of carrier signal) Similar to astable multivibrator configuration: Pin five input alters frequency of pulses
Transmitter Circuit: Input and Modulated Output Input signal: function generator or audio Output signal: Light modulation from LED
Special Capacitors DC Blocking Capacitor (High Pass Filter) Keeps DC offset from 555 Timer from interfering with input Bypass Capacitor (Low Pass Filter)
Sample Input and Output When input is higher, pulses are longer w When input is lower, pulses are shorter w
Your signal is what? The type of modulation this circuit creates is most closely categorized as pulse frequency modulation. But the pulse width is also modulated and we will use that feature.
Sampling Frequency The pot (used as a variable resistor) controls your sampling frequency w Input frequency in audible range w • max range (20 - 20 k. Hz) • representative range (500 - 4 k. Hz) Sampling frequency should be between 8 k. Hz and 48 k. Hz to reconstruct sound w Input amplitude should not exceed 2 Vp-p w • Function generator can provide 1. 2 Vp-p
Receiver Circuit 56 k Add a 100 Ohm resistor in series with the speaker to avoid failures.
Receive Light Signal 56 k Add a 100 Ohm resistor in series with the speaker to avoid failures.
Inverting Amplifier (Pre-Amp) 56 k Add a 100 Ohm resistor in series with the speaker to avoid failures.
Audio Amplifier 56 k Add a 100 Ohm resistor in series with the speaker to avoid failures.
Audio Amplifier Details increases gain 10 X (not needed) 386 audio amplifier high pass filter volume Add a 100 Ohm resistor in series with the speaker to avoid failures. low pass filter
Special Capacitors 56 k DC Blocking Bypass Capacitor Not needed Add a 100 Ohm resistor in series with the speaker to avoid failures.
3. PSpice Model You will compare the performance of your circuit to a PSpice model. w The PSpice for the initial design will be given to you. w You will use the PSpice to help you make decisions about how to create your final design. w
Comparing Output of Blocks Take pictures of the signal on each side of the circuit block. • A on channel 1 and B on channel 2 • B on channel 1 and C on channel 2 w Take all measurements relative to ground w Does the block behave as expected? w How does it compare to the PSpice output? w
Comparing Output of Blocks “wide-angle” view w Shows overall shape and size of input and output “close-up” view w Output divided by 10 w Shows sampling frequency w Shows shape of samples
4. Final Design The signal is reconstructed well enough by the initial design that it will be audible. w In order to improve the quality of the signal, you will add an integrator, which will more exactly reconstruct it. w Types of integrators w • passive integrator (low pass filter) • active integrator (op amp integrator circuit) w You will then improve the signal further with a smoothing capacitor.
Passive Integration E Integration works only at high frequencies f >>fc. Unfortunately, your amplitude will also decrease.
Active Integration E F • Integration works at f >>fc • Your gain goes from -Rf/Ri to -1/Ri. C • The amplitude of your signal will decrease or increase depending on components
Input at A vs. Output at H Before addition of integrator After addition of integrator
Effect of Smoothing Capacitor Recall what the smoothing capacitor did to the output of the half wave rectifier.
Input at A vs. Output at H Before smoothing capacitor After smoothing capacitor
Project Packet w Initial Data with Function Generator • • • PSpice Mobile Studio plots from circuit Brief Comparison Block Description For • Blocks: A-B, A-C, A-D, A-E, A-F, A-G • Overall System: A-H w Initial Data with Audio • Mobile Studio plots from circuit • For E-F and A-H
Project Packet w Final Data (integrator only) with Function Generator • • w PSpice Mobile Studio plots from circuit Brief Comparison For E-F and A-H Final Data (integrator and smoothing) PSpice only • PSpice • Compare to without smoothing • For E-F and A-H
Project Packet w Final Data with Integrator (and possibly Smoothing) with Audio • Mobile Studio plots from circuit • For E-F and A-H w Extra Credit • Mobile Studio picture of A-H with input from function generator and integrated, smoothed output. Indicate values of components and where used.
Work in teams w Put the transmitter on one protoboard and the receiver on a second. • One pair do the transmitter circuit • This is the easier circuit, so maybe also start the PSpice simulation. • The other pair build the receiver circuit w One report for the entire team • Report is closer to an experiment report than a project report • See details in handout.


