центробежные насосы.pptx
- Количество слайдов: 66
Динамические насосы
Классификация. • Динамическими называют насосы, в которых жидкость перемещается под силовым воздействием на нее в корпусе, постоянно сообщающимся со входом и выходом насоса.
Классификация динамических насосов. лопастные динамиче ские В лопастных насосах жидкость перемещается путем обтекания лопаток. электромагни тные Электромагнитным называют динамический насос, в котором жидкость перемещается под воздействием электромагнитных сил. насосы трения. В насосах трения жидкость перемещается под действием сил трения, например вихревой насос.
Классификация лопастных насосов. центробежные Лопастные насосы осевые
Классификация центробежных насосов. по числу колес по создаваемому напору центробе жные по способу отвода жидкости из рабочего колеса по способу подвода жидкости на рабочее колесо по направлению потока по расположению вала по особенностям конструкции по роду перекачиваемой жидкости
Лопастные насосы разделяют на центробежные и осевые. Центробежными называют насосы, в которых жидкость перемещается че рез рабочее колесо от центра к периферии. В осевом насосе жид кость перемещается через рабочее колесо в направлении оси ко леса. • Центробежные насосы классифицируют по нескольким признакам: 1. по числу колес : —одноколесные и многоколесные, одноколесные насосы называют одноступенчатыми, а многоколесные с последова тельным прохождением жидкости через колеса — многоступенча тыми; 2. по создаваемому напору: — низконапорные до 15 м, средненапорные от 15 до 40 м, высоконапорные более 40 м; 3. по способу подвода жидкости на рабочее колесо —с односторонним и двусторонним входами; • по способу отвода жидкости из рабочего колеса — спиральные и секционные; 4. по расположению вала — горизонтальные и вертикальные; •
5. по направлению потока жидкости в рабочем колесе: — радиальные, или центробежные, в которых жидкость входит в рабочее колесо в осевом направлении, а выходит в радиальном, осевые, или пропеллерные, в которых жидкость входит и выходит в осевом направлении, диагональные, в которых лопатки рабочего колеса сообщают жидкости движение под некоторым углом к оси рабочего колеса; 6. по роду перекачиваемой жидкости: — водяные, кислотные, щелочные, нефтяные и др. ; 7. по особенностям конструкции: — консольные, моноблочные, герметичные и др.
Принцип действия. • • • Основными частями центробежного насоса служат рабочее колесо 1, насаженное на вал 2, корпус 3, всасывающий патрубок , или подводящий канал 5 нагнетательный патрубок, или отводящий канал 4, соединяющий насос с трубопроводами. • Процесс идет непрерывно, значит, и подача жидкости насосом также непрерывная. При выходе из насоса жидкость имеет большие скорость и напор, под действием которого она перемещается по напорному трубопроводу. • Для перекачивания больших количеств жидкости при сравнительно небольшом напоре применяют насосы с двусторонним всасыванием жидкости на колесо. Жидкость поступает в осевом направлении с двух сторон, за лопастями колеса два потока соединяются.
Схема центробежного насоса секционного типа. На валу в общем корпусе размещено несколько колес 1. Жидкость, переходя из одного колеса в другое, протекает через лопаточный диффузор 3 и обратный направляющий аппарат 2. В многоступенчатых центробежных насосах спирального типа жидкость подается рабочим колесом в спиральную камеру, затем по диффузору (расширяющемуся патрубку) в колесо следующей ступени. Насосы спирального типа имеют более высокий КПД, чем насосы секционного типа, они проще в изготовлении и обслуживании. Для нагнетания жидкости под давлением выше 0, 5 МПа обычно используют многоступенчатые насосы двух типов: секционные и спиральные. В насосах секционного типа жидкость из рабочего колеса поступает в диффузор, далее в обратный направляющий аппарат и затем на всасывание в следующее рабочее колесо
Осевые насосы • В осевых насосах рабочее колесо напоминает гребной винт катера. Если такое рабочее колесо поместить в трубу с жидкостью, то при вращении колеса на его лопатках 2 будут возникать подъемные силы, уравновешивающие массу столба жидкости над рабочим колесом. Под действием этих сил жидкость получает поступательное движение по нагнетательному патрубку 4 вдоль оси трубы, т. е. корпуса насоса. Одновременно жидкость вращается вокруг оси вала 1. Для устранения вращательного движения перекачиваемой жидкости за рабочим колесом устанавливают направляющий аппарат 3, лопатки которого загнуты противоположно лопаткам рабочего колеса.
Вихревые насосы. • В вихревом насосе жидкость перетекает с лопатки 2 на лопатку рабочего колеса 3 и, пройдя почти полный оборот, выбрасывается через патрубок в напорный трубопровод 4. Образующийся при вращении колеса как бы вихрь подсасывает новые порции жидкости из всасывающего трубопровода 1. При одинаковых размерах колес и одинаковой частоте вращения вала вихревой насос создает напор в 4— 5 раз больший, чем центробежный.
Схема установки центробежных насосов При перекачивании жидкостей из открытых резервуаров насосы устанавливают либо выше уровня жидкости, либо ниже «под заливом» . В некоторых насосах на нижнем конце всасывающего трубопровода 8 монтируют сетку и приемный затвор. Сетка служит для задержания частиц, находящихся в перекачиваемой жидкости. Приемный обратный затвор удерживает жидкость в насосе и всасывающем трубопроводе при заливке насоса перед пуском или при его остановке. Обратные затворы устанавливают в насосах, располагаемых выше уровня перекачиваемой жидкости.
Схема установки центробежных насосов В насосах, перекачивающих жидкость из закрытого резервуара или трубопровода, давление на линии всасывания может быть выше или ниже атмосферного.
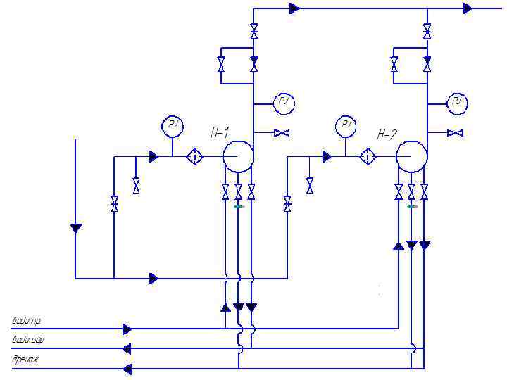
Для нормальной работы насос оснащен следующей арматурой и контрольно измерительными приборами:
• задвижкой, или клапаном 1, на всасывающем трубопроводе; краном, устанавливаемом в верхней части корпуса насоса, для выпуска воздуха при заливке насоса; • вакуумметром 2, который устанавливают на насосах, расположенных выше уровня жидкости, перекачиваемой из открытых резервуаров, или на насосах, перекачивающих жидкость из закрытых резервуаров с давлением ниже атмосферного (манометр устанавливают на насосах, всасывающих жидкость под напором); • манометром 3, присоединенным к напорному патрубку и служащим для измерения напора насоса;
• затвором 4, который не допускает движения жидкости из напорного коллектора 6 в насос при параллельной работе нескольких насосов; • задвижкой, или клапаном 5, на напорном трубопроводе 7, их используют при пуске и остановке насоса, а также для регулирования подачи и напора; • устройством для заливки насоса перед его пуском; • расходомером для измерения расхода жидкости. • При автоматическом управлении работой насоса на линиях всасывания и нагнетания устанавливают задвижки с пневматическим или электрическим приводом и устройства для дистанционного управления пуском и остановкой двигателя насоса.
• • • По рабочим характеристикам можно установить различные режимы работы насоса. Рассматривая графики (рис. 46), определя ем наиболее экономичный режим работы насоса — это будет режим, соответствующий максимальному значению КПД. Точка A характеристики Q — H, соответствующая этому значению КПД, называется оптимальной точкой, а режим—оптимальным режимом. Наиболее устойчивая работа насоса будет на всех режимах, со ответствующих непрерывно снижающейся части характеристики Q — H. На других режимах работа насоса будет неустойчивой и поэтому недопустимой. Характеристики насосов кроме выбора оптимальных режимов используют н в проценте проектирования технологических установок. При этом берут сводные графики, помещенные в соответствующих каталогах. На графиках в координатах Q и Я нанесены поля (клетки), соответствующие устойчивой работе насоса (рабочая зона насоса). Если заданные значения подачи и напора будут находиться в любой точке внутри рабочего поля насосов, то насос, обозначенный на поле, будет для заданной работы приемлем. После этого записывают сведения, необходимые для установки и работы насоса (КПД, мощность, частоту вращения, высоту всасы вания, габаритные размеры и др. ).
• • Используя эту зависимость, строят характеристику трубопрово да, соединяющего насос с приемником и потребителем жидкости. На оси ординат в принятом масштабе откладывают полную гео метрическую высоту подъема жидкости Г и проводят линию БГ H параллельно оси абсцисс Q (рис. 47). Прибавляя к величине HГ величину потерь напора HC при значениях подачи от нулевого до» максимального, получаем кривую БД, которая и служит характе ристикой трубопровода. На этот же график наносят характеристи ки насоса —H, Q—N, Q—η. Точка А, в которой Q характеристи ка трубопровода Д пересекается с рабочей Б характеристикой Q — Я насоса, называется предельной точкой работы насоса на данном трубопроводе. Этой точкой А определяют предельный режим рабо ты насоса: подачу A, напор HА, мощность NA, Q КПД ηА Насос, работающий на данную систему, большую подачу, чем QA, развить не может. Для получения меньшей подачи прикрывают задвижку на напорном трубопроводе, т. е. вводят в систему добавочное со противление 3, на преодоление которого затрачивается напор. При h
Совместная работа центробежных насосов При параллельном соединении насосы всасывают жидкость из общего трубопровода или одного резервуара и нагнетают в общий напорный трубопровод. Совместную параллельную работу центробежных насосов применяют для увеличения подачи.
Совместная работа центробежных насосов При последовательном соединении насосов вся жидкость проходит через каждый насос, т. е. всасывающий патрубок второго насоса соединен с нагнетательным первого насоса, а всасывающий патрубок третьего насоса с нагнетательным второго, и т. д. Последовательную работу насосов применяют главным образом для увеличения напора, если заданный напор не может быть создан одним насосом.
Совместная работа центробежных насосов Для построения суммарной характеристики насосов, работающих параллельно, складывают их подачи при одинаковых напорах. Для построения суммарной характеристики проводят ряд прямых, параллельных оси абцсисс, а затем на них откладывают удвоенные подачи одного насоса. Таким образом отрезок а'а" равен удвоенному отрезку а'а. Точка а — пересечение характеристики Q—H каждого насоса с характеристикой сети дает параметры предельного режима для каждого отдельного насоса. Точка б определяет параметры предельного режима для двух параллельно работающих насосов. Суммарная подача параллельно работающих насосов Q—H(1+2) меньше, чем сумма подачи двух насосов. Несколько увеличивается и общий напор. Суммарная характеристика показывает, что наиболее целесообразно использовать параллельную работу насосов при пологой характеристике сети, так как только в этом случае можно получить суммарную подачу, приближающуюся по значению к сумме подач двух отдельно работающих насосов.
Совместная работа центробежных насосов • Суммарную характеристику насосов, работающих последовательно, получают сложением их напоров при одинаковой подаче. Для сложения напоров проводят ряд прямых, параллельных оси ординат, и на них откладывают удвоенные напоры, соотетствующие данной подаче. Отрезок а'а" равен удвоенному отрезку а'а. Точка а — пересечение характеристики насоса Q—H с характеристикой сети дает параметры предельного режима для отдельного насоса, а точка б— параметры предельного режима для двух последовательно работающих насосов. Суммарный напор больше напора каждого насоса, увеличивается также и суммарная подача. Наиболее целесообразна последовательная работа насосов при крутой характеристике сети, так как в этом случае суммарный напор можно получить большим, т. е. полнее используется напор каждого насоса, что и требуется при возрастающем сопротивлении сети.
Осевая сила и способы ее разгрузки • • • При работе центробежного насоса давление перед входом в рабочее колесо повышается до давления на выходе. Перекачиваемая жидкость с давлением нагнетания проникает через зазоры между вращающимся рабочим колесом и неподвижным корпусом в кольцевые пространства. Таким образом, на внешнюю поверхность колеса действуют определенные силы, равные произведению давления на площадь. Со стороны всасывающего патрубка (слева) жидкость давит на поверхность колеса с силой F 1, а с противоположной стороны (справа) жидкость в кольцевом пространстве давит с силой F 2. Так как площадь покрывного диска колеса меньше, чем площадь основного диска, то F 2>F 1 и F=F 2—F 1. Следовательно, в центробежном колесе с односторонним входом жидкости при вращении колеса возникает неуравновешенная сила F, направленная в сторону всасывания. Эта сила называется осевой, так как действует вдоль оси. Осевая сила стремится сдвинуть вал с колесами, и она должна быть уравновешена, так как в противном случае колеса будут задевать за стенки корпуса, что приведет к ускоренному износу или поломке колеса.
Для уравновешивания осевой силы есть несколько способов: • вал укладывают в опорно упорные подшипники; • использует колеса с двусторонним входом жидкости; • симметрично по линии всасывания располагают колеса или группы колес на валу. • делают сквозные разгрузочные отверстия в основном диске рабочего колеса вблизи ступицы. • Устанавливают гидравлический диск,
Разгрузочные отверстия в основном диске рабочего колеса. Для уравновешивания осевой силы делают сквозные разгрузочные отверстия в основном диске рабочего колеса вблизи ступицы, колесо и корпус изготовляют с концентрическими уплотняющими выступами. Концентрические выступы на колесе 2 и в корпусе 1 устанавливают с минимальными зазорами, что уменьшает утечку жидкости из пространства А в пространство Б. Жидкость с давлением р2 проникает через отверстия 3 на вход колеса. Вследствие этого давление в пространстве Б поддерживается близким к давлению всасывания р1 В современных насосах не применяют разгрузочные отверстия в колесах, а отводят жидкость из пространства Б по особой разгрузочной трубе в полость всасывания насоса.
Уравновешивания осевой сил с помощью гидравлического диска Способ уравновешивания осевой сил с помощью гидравлического диска, установленного со стороны всасывания. На конце вала со стороны всасывания установлен диск 2. На левую сторону этого диска по каналу 1 подводится жидкость под давлением р2, которая в небольшом количестве протекает на правую сторону диска через щель между ним и корпусом насоса. Правая сторона диска каналом 3 сообщается с атмосферой или с всасывающим трубопроводом. Диаметр диска выбирают таким, чтобы избыточная сила, действующая на диск слева направо, уравновешивала осевую силу. При уменьшении осевой силы диск слегка передвигается вправо, при этом щель по окружности диска увеличивается, жидкость начинает протекать через нее в большем количестве, избыточная сила на левой стороне диска уменьшается.
Уравновешивания осевой сил с помощью гидравлического диска за рабочим колесом В конструкции, показанной на рис. , разгрузочный диск 1 установлен за рабочим колесом, и специальный подводящий канал не требуется.
Схема центробежного насоса секционного типа.
Основные сборочные единицы. Рабочие колеса. • Предназначены для передачи энергии жидкости. Рабочие колеса делятся: • закрытые, • открытые.
Рабочие колеса закрытого типа • Рабочее колесо, имеющее два диска, называют закрытым. Рабочее колесо закрытого типа с односторонним входом жидкости состоит из основного диска 1 с втулкой, которая имеет шпоночную канавку, и покрывного диска 2 в виде широкого кольца. Между дисками находятся лопатки 3, отогнутые назад по направлению вращения колеса. Диски с лопатками изготовляют точным литьем. • Рабочие колеса могут быть с односторонним или двусторонним входом жидкости.
Рабочие колеса открытого типа Они имеют основной диск с втулкой для крепления колеса на валу. Вместе с диском отлиты лопатки, образующие каналы. Колеса открытого типа применяют при перекачивании веществ, содержащих механические взвеси.
• Число лопаток колеса может быть от 6 до 12, чаще всего их бывает 8— 9. При перекачивании жидкости со взвешенными твердыми частицами число лопаток бывает менее 6. Если между всасывающим отверстием и внешним диаметром колеса большая разница, то применяют чередующиеся лопатки: длинные, доходящие до всасывающего отверстия, и короткие.
Колесо закрытого типа с двусторонним входом жидкости Имеет три диска: два покрывных 1 и 2 один основной 3 с втулкой для крепления колеса на валу. между дисками расположены лопатки 4.
• • • • Баббит — антифрикционный сплав на основе олова или свинца, предназначенный для использования в виде слоя, залитого или напыленного по корпусу вкладыша подшипника. Наиболее распространённые варианты сплава: 90 % олова, 10 % меди; 89 % олова, 7 % сурьмы, 4 % меди; 80 % свинца, 15 % сурьмы, 5 % олова; В качестве присадок могут быть использованы: сурьма, медь, никель, мышьяк, кадмий, теллур, кальций, натрий, магний. Температура плавления — 300— 440 °C. Первый подшипниковый сплав разработан американцем Исааком Бэббитом в 1839 году. Баббит, основу которого составляет олово (Б 88, Б 83 С, SAE 11, SAE 12, ASTM 2), используют, когда от антифрикционного материала требуются повышенная вязкость и минимальный коэффициент трения. Оловянный баббит по сравнению со свинцовым обладает более высокой коррозионной стойкостью, износостойкостью и теплопроводностью. Баббиты на основе свинца (Б 16, БН, БСб, БКА, БК 2 Ш, SAE 13, SAE 14, ASTM 7, SAE 15, ASTM 15) обладают более высокой рабочей температурой, чем на основе олова. Применяется для подшипников дизельных двигателей, прокатных станов. Свинцовокальциевый баббит используют в подшипниках подвижного состава железнодорожного транспорта. [править] Марки баббита Баббит (Б-83) — сплав, состоящий из следующих элементов: Sn (83 %); Sb (11 %); Cu (6 %) — для подшипников, работающих при средних нагрузках. Допустимое рабочее давление [Pm]: 10 15 МПа. Баббит (СОС 6) — сплав, состоящий из следующих элементов: Zn (5, 5 6, 5 %); Sb (5, 5 6, 5 %); Pb (остальное) — подшипники, работающие при высоких нагрузках (более 20 МПа) и температуре более 300 градусов, подшипники автомобильных дизельных двигателей. Допускаемые режимы работы: [Pm] = 5 12 МПа. [V] = 10 м/с. [Тм] = 80 по цельсию. Твёрдость, HB, МПа: 2700 3000
Рабочие колеса отливают • • • из различных сортов чугуна, углеродистых сталей легированных сталей, сплавов цветных металлов керамических материалов.
Корпус. • Жидкость выходит из рабочего колеса со значительной скоростью. Необходимо собрать жидкость, отвести ее к выходному штуцеру, а также преобразовать с наименьшими потерями скоро стной напор в давление. Эту задачу выполняют корпус и направляющие аппараты насосов.
Валы. • Предназначены для передачи крутящего момента рабочим колесам. • Вал вместе с посаженными на него деталями называют ротором. • Валы, работая при большой частоте вращения, подвергаются действию поперечных сил, поэтому они должны быть прочными и обладать гибкостью. • Материалом для валов служат углеродистая конструкционная и специальная легированная стали. • Валы изготовляют прокатом или отковывают, а затем подвергают механической обработке. К изготовлению валов, их сборке и установке предъявляют высокие требования.
Подшипники. • В центробежных насосах применяют подшипники скольжения и качения. • Насосы малой мощности оснащают шарикоподшипниками и подпятниками нормальных образцов, большой мощности — роликоподшипниками с цилиндрическими и коническими роликами
• Подшипники качения • В центробежных насосах широко применяют подшипники качения. Не допускаются к эксплуатации подшипники, имеющие следующие дефекты: • трещины, выкрашивание металла и цвета побежалости на кольцах и телах качения; • выбоины и отпечатки (лунки) на беговых дорожках колец; • шелушение металла, чешуйчатые отслоения; • коррозионные раковины, забоины и вмятины на поверхностях качения, видимые невооруженным взглядом; • трещины на сепараторе, отсутствие или ослабление заклепок сепаратора; • заметная визуально ступенчатая выработка рабочих поверхностей колец. • Применение в центробежных нефтяных насосах ремонтных шарикоподшипников не допускается.
• • • • • • • • • Подшипники качения являются опорами для вращающихся частей машин и механизмов и делятся на шариковые и роли ковые. Между двумя кольцами (наружным и внутренним) помещаются тела качения, выполненные в виде шариков или роликов. Одни подшипники могут воспринимать только радиальную нагрузку, которая действует перпендикулярно к оси вращения подшипника, другие — только осевую, действующую вдоль оси вращения подшипника. Бывают комбинированные подшип ники, воспринимающие одновременно нагрузки, действующие как в радиальном, так и в осевом направлениях. В зависимости от нагрузки, которая действует на подшипники, они делятся на следующие типы: радиальные подшипники, воспринимающие только радиальную нагрузку; упорные подшипники, воспринимающие только осевую нагрузку; радиально упорные подшипники, воспринимающие комби нированную нагрузку. Рис. У. 32. Упрощенное изображение подшипника (без указания типа) Рис. У. ЗЗ. Условное изображение под шипника с указанием типа: — ра диальный шариковый однорядный; — радиальный шариковый самоуста навливающийся а б (сферический); в — ра диально упорный шариковый одноряд ный; г — радиально упорный ролико вый однорядный По ГОСТ 2. 420 — 69 при упрощенном изображении под шипников в осевых разрезах и сечениях на чертежах сбо рочных единиц внешний контур подшипника проводится сплош ными основными линиями толщиной 5. На изображении каждой половины подшипника проводят диагонали сплошны ми тонкими линиями. Такое изображение не дает представле ния ни о типе подшипника, ни о его конструктивных осо бенностях (рис. У. 32). Если необходимо указать тип подшипника, то в его кон турное изображение взамен диагоналей вносится условное обозначение в соответствии с табл. 1 ГОСТ 2. 420 — 69 на ус ловное графическое обозначение типа подшипника (рис. У. ЗЗ). Рис. У. ЗЗ. Допускаемое изображение подшипника в разрезе Рис. У. 34. Условное изобра жение подшипника с указа нием типа и конструктивных особенностей: а — радиаль ный шариковый однорядный с односторонним уплотне нием; — радиальный шари ковый однорядный с двумя защитными шайбами б Рис. V. 36. Радиальный шариковый однорядный подшипник Рис. У. 37. Радиальный роликовый однорядный подшипник
Уплотнения валов. • В насосах уплотнения могут быть: сальники, манжеты, торцовые уплотнения. Все уплотнения устанавливают в местах выхода вала из корпуса насоса, они служат для предотвра щения вытекания жидкости из корпуса насоса наружу.
• Важное значение для нормальной работы сальникового уплотне ния имеют правильное изготовление набивки, укладка ее в гнездо, затяжка нажимной втулкой. • Из набивки изготовляют отдельные кольца. Предварительно в каждом кольце заделывают замок, набивка должна иметь гладкую поверхность. Сечение мягкой набивки подбирают, исходя из диа метра вала и сальниковой камеры. В гнездо камеры следует за кладывать по одному кольцу, смазав их маслом. При этом нужно хорошо заделывать замок каждого кольца сальника, следить за тем, чтобы замки соседних колец были смещены относительно друга на 180° для предотвращения утечки жидкости.
• Сальниковые уплотнения применяют при температуре уплотняемой среды (перекачиваемой жидкости ) от минус 80 °С до плюс 400°С, при давлении от вакуума до 10 кгс/см 2. • На работу сальниковых уплотнений отрицательно влияют: а) неравномерный износ защитной гильзы по диаметру и длине, задиры и риски на его поверхности, биение вала и защитной гильзы, превышающее допустимое; • б) неудовлетворительная по качеству и количеству смазка сальникового уплотнения; • в) неправильный подбор материала сальниковых колец; г) вибрация насоса, превышающая допустимую величину.
Торцовое уплотнение • представляет собой конструкцию, в которой плоские уплотняющие поверхности (торцовые поверхности втулок) расположены перпендикулярно оси вращения, а усилия, удер живающие эти поверхности в контакте, направлены параллельно оси вала. Торцовые уплотнения бывают различной конструкции, но работают все они по одной и той же схеме.
Схема торцового уплотнения. • Вместе с валом 1 вращается кольцо 3, укрепленное в упругой обойме 2. Невращающееся кольцо 4 и вращающееся кольцо 3 изготовлены из различного материала и образуют пару трения, плотно прилегая друг к другу. Прижатие кольца 4 обеспечивается пружиной 7, которая одним концом упирается в кольцо 4, другим — в неподвижный кор пус 6. Сильфон 5 из фторопласта закрывает пружину сверху и также обеспечивает герметичность.
• • • • • Муфтами называют конструкции, служащие для соединения концов валов. Они применяются во многих машинах и механизмах и являются ответственными узлами, часто определяющими надеж ность и долговечность всей машины. Основное назначение муфт — передача вращения и момента (без изменения его величины и на правления) с одного вала на другой или с вала на свободно сидящую на нем деталь (шкив, звездочка, зубчатое колесо и т. п. ) и обратно. Муфты не только обеспечивают кинематическую и силовую связь между отдельными частями машины, но и выполняют другие ответственные функции такие, как компенсация смещения осей соединяемых валов; амортизация возникающих при работе вибраций, толчков и ударов; быстрое сцепление соединяемых деталей; облегчение пуска машин, ограничение скорости и момента и др. Центробежные насосы соединяются с приводами муфтами: зубчатыми, упругими, втулочно пальцевыми и другими. Зубчатые муфты (ГОСТ 5006 83} применяются двух типов: МЗ муфта зубчатые для непосредственного соединения валов (рис. 23); МЗП муфты зубчатые для соединения с промежуточным элементом (ряс. 24). Втулки и обоймы зубчатых муфт должны быть: кованные из стали не ниже Стадь 40 (ГОСТ 1050 88 литые из стали не ниже Сталь 45 Л (ГОСТ 977 88 ) Зубчатые полумуфты подлежат отбраковке при наличии следующих дефектов: поломка и выкрашивание зубьев; трещины на ободе и ступице; утонение зубьев вследствие износа; увеличение диаметрального зазора в зубчатом зацеплении промежуточного вала с зубчатой втулкой более 0, 3 мм. Зубчатые муфты для смазки заполняют следующими маслами: турбинное марки 57, цилиндровое марки 24 или 38, нигрол, трансмиссионное автотракторное летнее, смесь турбинного марки 22 с молотым графитом. Муфты упругие, втулочно-пальцевые должны изготавливаться из чугуна марки СЧ 21 40 или из других материалов с механическими свойствами не ниже, чем у чугуна СЧ 21 40. Трещины всех видов на полумуфтах не допускаются. Эластичные элементы пальцев упругих муфт должны входить наружным диаметром в отверстия с зазором не более 1 мм, выработка отверстий полумуфт под эластичные элементы более 2 мм не допускается. Зазор между мягкой насадкой и пальцем не допускается. При выработке мягкой насадки по наружному диаметру более, чем на 2 мм, ее заменяют. Муфты типа МЗП: 1 зубчатая обойма; 2 зубчатая втулка, 3 полумуфта. Рис. 24 При замене пальцев новыми они должны быть промаркированы и иметь одинаковый вес. Для изготовления пальцев применяется сталь с механическими свойствами не ниже, чем у стали 45.
Рис. 23. Муфта МЗ I зубчатая обойма; 2 бурт для проверки соосности валов; 3 зубчатая втулка с цилиндрической расточкой исполнение Н; 4 зубчатая втулка с цилиндрической расточкой и торцевым креплением на валу исполнение Т; 5 зубчатая втулка с конической расточкой исполнение К
Муфты типа МЗП: 1 зубчатая обойма; 2 зубчатая втулка, 3 полумуфта. Рис. 24


