Скачать презентацию Design Machine Tool Scheduling and Production Control Скачать презентацию Design Machine Tool Scheduling and Production Control

340504f654fa7ae18abb765fa4fc2678.ppt

  • Количество слайдов: 52

Design Machine Tool Scheduling and Production Control Design Machine Tool Scheduling and Production Control

Potential benefits in reducing turnaround time by using programmable machine tools have not been Potential benefits in reducing turnaround time by using programmable machine tools have not been realized due to time, complexity and costs of planning and programming.

CSG MODEL B-REP MODEL CSG MODEL B-REP MODEL

GEOMETRIC REASONING • global & local geometry PROCESS SELECTION • process capability • process GEOMETRIC REASONING • global & local geometry PROCESS SELECTION • process capability • process cost CUTTER SELECTION • available tools • tool dimension and geometry • geometric constraints MACHINE TOOL SELECTION • machine availability, cost • machine capability SETUP PLANNING • feature relationship • approach directions • process constraints • fixture constraints FIXTURE PLANNING • fixture element function • locating, supporting, and clamping surfaces • stability CUTTER PATH GENERATION • feature merging and split • path optimization • obstacle and interference avoidance

PRODUCT CONCEPT CAD CAM HUMAN - decision making COMPUTER - geometric computation, data handling PRODUCT CONCEPT CAD CAM HUMAN - decision making COMPUTER - geometric computation, data handling CUTTER PATH

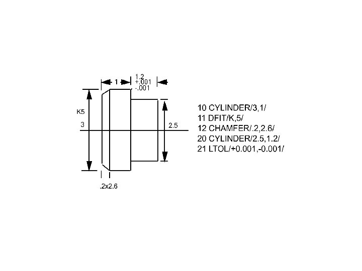
Design Machining features Design Machining features

Manufacturing-Oriented Design Features hole, straight slot, T-slot, circular slot, pocket counterbore, sculptured surface cavity Manufacturing-Oriented Design Features hole, straight slot, T-slot, circular slot, pocket counterbore, sculptured surface cavity Application-Specific Features (e. g. manufacturing features) blind slot, through slot, step, etc. approach direction, feed direction feature relations: precedence and intersection type

Feature in Design QTC is one of the only efforts that considers design through Feature in Design QTC is one of the only efforts that considers design through inspection and the only one that uses deep geometric reasoning to link design and process planning. Features in Process Planning