2dfa6aed865bd9f4cb3b6931d9ebea40.ppt
- Количество слайдов: 45
Chapter 2: Health Care Administration in Athletic Training
System of Healthcare Management • Strategic Plan Development – Determine why there is need for such a program – Determine function of program within scope of athletic program – Decision of administrators will determine extent of health care program – Develop written mission statement to focus direction of program
• Strategic Plan Development (cont. ) – Strategic plan development must include administrators, student-athletes, coaches, physicians, athletic trainers, parents and community health leaders – Ongoing process that reviews strengths and weaknesses of program
• Policy and Procedure Development – Creation of policies and procedures for all involved in health care of athletes necessary – To be covered throughout presentation – Abbreviated version of policies and procedures should be provided to athletes and parents (if financially feasible)
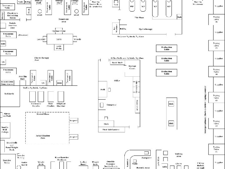
Facility Design • Design will vary drastically based on number of athletes, teams, and various needs of the program • Size – Varies between settings – Must take advantage and manage space effectively – Interact with architect relative to needs of program and athletes
• Location – Outside entrance (limits doors that must be accessed when transporting injured athletes) – Double door entrances and ramps are ideal – Proximity to locker rooms and toilet facilities – Light, heat and water source should be independent from rest of facility • Illumination – Well lighted throughout – Reflective ceilings and walls will aid in process – Natural lighting is a plus
• Special Service Areas – Treatment Area: area that accommodates 4 -6 adjustable treatment tables, 3 -4 stools, and hydrocollator and ice machine accessibility – Electrotherapy Area: area that houses ultrasound, diathermy, electrical stim units, storage units, grounded outlets, treatment tables and wooden chairs, under constant supervision – Hydrotherapy Area: area with centrally sloping floor to drain, equipped with 2 -3 whirlpools, shelving and storage space and outlets 5 feet above the floor
– Exercise Rehabilitation Area: area that provides adequate space and equipment to perform reconditioning of injuries – Taping, Bandaging & Orthotic Area: 3 -4 taping tables and storage cabinets to treat athletes with proximity to a sink – Physician’s Exam Room: space for physician to work which may hold exam table, lockable storage, sink, telephone, refrigerator – Records Area: space devoted to record keeping which may include filing system or computer based database, that allows access only to medical personnel
• Storage Facilities – Training rooms often lack ample storage space – Storage in training room that holds general supplies and special equipment – Large walk-in storage cabinet for bulk supplies – Refrigerator for equipment, ice cups, medicine and additional supplies • Athletic Trainer’s Office – Space at least 10 x 12 feet is ample – All areas of training room should be supervised without leaving office space (glass partitions) – Equipment should include, desk, chair, tack board, telephone, computer (if necessary) and independent locking system
• Additional Areas – Pharmacy Area: separate room that can be secured for storing and administrating medications (records must be maintained concerning administration) – Rehabilitation Pool: if space permits, must be accessible to individuals with various injuries, with graduated depth and non-slip surface – X-Ray Room: separate room with lead shielding in walls, large enough to house necessary equipment
Athletic Training Program Operations • Scope of Program – Who will be served by program? – Athlete: to what extent and what services will be rendered (systemic illness, musculoskeletal injuries) – Institution: who else can be served medically and educationally and what are the legalities – Community: outside group and community organizations with legalities again being an issue
– Clinical and Industrial Settings: patient care outside high school and collegiate athletes, with a broader scope of practice that could include: • Pediatric work • Work hardening • Orthopedic and neurological patients – Athletic trainers should be sure to work within their scope (physically active) – Fitness programming may also become an ATC’s responsibility in this setting
Providing Coverage • Facility Personnel Coverage – Appropriate coverage of facility and sports – Setup of treatments, rehabilitation, game and practice coverage vary • Sports Coverage – Certified athletic trainer or at least a student should attend all practices and games (home and away) – Different institutions (including high schools) have different levels of coverage based on personnel and risks involved with sports
Hygiene and Sanitation • Athletic Training Facility – Rules concerning room cleanliness and sanitation must be set and made known to population using facility – Examples • • • No equipment/cleats in training room Shoes off treatment tables Shower prior to treatment No roughhousing or profanity No food or smokeless tobacco
– Cleaning responsibilities are divided between athletic training staff and maintenance personnel – Division of responsibilities – Maintenance crew • Sweep floors daily, clean and disinfect sinks and tubs, mop hydrotherapy room, empty waste baskets – Athletic Training staff • Clean treatment tables, disinfect hydrotherapy modalities daily, clean equipment regularly
• Gymnasium (general issues concerning facility and equipment cleanliness) – Facility • Cleaning of gymnasium floors • Drinking fountain and shower/locker facility disinfecting • Matted service cleaning (wrestling) – Equipment and clothing • • Proper fitting equipment Frequent clothing and equipment laundering Appropriate equipment for weather conditions Use of clean dry towels and equipment daily
• Athlete – Promotion of good health and hygiene is critical • • Athlete clearance to participate Athlete insurance Prompt injury and illness reporting Follow good living habits Avoid sharing clothes and towels Exhibit good hygiene practices Avoid common drinking sources
Emergency Telephones • Accessibility to phones in all major areas of activity is a must • Should be able to contact outside emergency help and be able to call for additional athletic training assistance • Radios, cell and digital phones provide a great deal of flexibility
Budgetary Concerns • Size of budget? ? • Different settings = different size budgets and space allocations • Equipment needs and supplies vary depending on the setting (college vs. high school) • Continuous planning and prioritizing is necessary to effectively manage monetary allocations to meet programmatic goals
• Supplies – Expendable (supplies that cannot be reusedfirst aid and injury prevention supplies) – Non-expendable (re-useable supplies -ace wraps, scissors…etc) – Yearly inventory and records must be maintained in both areas • Equipment – Items that can be used for a number of years – Fixed (remain in the training room- ice machine, tables) – Non-fixed (crutches, coolers, training kits)
• Purchasing Systems – Direct buy vs. competitive bidding – Lease alternative • Additional Budget Considerations – Telephone and postage expenses – Contracts for outside services – Purchases relative to liability insurance and professional development
Developing a Risk Management Plan • Security Issues – Accessibility to training room (staff, physicians, student athletic trainers) – Supervision issues • Fire Safety – Post evacuation plan in case of fire – Smoke detectors/alarm system and fire extinguisher should be tested and in place
• Electrical and Equipment Safety – Major concern – Be aware of power distribution system to avoid accidents • Emergency Injury Management – Accessing emergency personnel outside setting in the event of emergency – Include transportation of athletes to emergency facilities – Meeting with outside personnel is necessary to determine roles and rules regarding athlete and equipment care
Accessing Community Based Health Services • Must have knowledge of local and community health services and agencies in the event of referrals • Referrals should be made with assistance from a physician • Parental involvement is necessary when dealing with psychological and sociological events
Human Resources and Personnel Issues • The sports medicine team is only as good as the individuals in the group • Recruitment, hiring and retaining qualified personnel is necessary to be effective • Specific policies are established relative to hiring, firing, performance evaluations and promotions – Must adhere to these principals
• Roles and responsibilities must be established – (job descriptions - job specifications, accountability, code of conduct, and scope) • Head athletic trainer must serve as a supervisor and work to enhance professional development of staff • Performance evaluations should take place routinely
Record Keeping • Major responsibility • Rule not the exception - accurate and up-todate • Medical records, injury reports, insurance information, injury evaluations, progress notes, equipment inventories, annual reports
Administering Preparticipation Examinations • Initial pre-participation exam prior to start of practice is critical • Purpose it to identify athlete that may be at risk • Should include – Medical history, physical exam, orthopedic screening, wellness screening • Establishes a baseline • Satisfies insurance and liability issue
• Examination by Personal Physician – Yields an in-depth history and ideal physicianpatient relationship – May not result in detection of factors that predispose the athlete to injury • Station Examination – Provides athlete with detailed exam in little time – Team of nine is ideal (2 physicians, 2 nonphysicians and 5 managers/student athletic trainers)
• Medical History – Complete prior to exam to identify past and existing medical conditions – Update yearly and closely review by medical personnel – Collect medical release and insurance info at the same time • Physical Examination – Should include assessment of height, weight, body composition, blood pressure, pulse, vision, skin, dental, ear, nose, throat, heart, lungs, abdomen, lymphatic, genitalia, maturation index, urinalysis and blood work
• Maturity Assessment – Means to protect young physically active athletes – Methods • Circumpubertal (sexual maturity) • Skeletal • Dental – Tanner’s five stage assessment is most expedient • Orthopedic Screening – Part of physical exam or separate – Various degrees of detail concerning exam
• Wellness Screening – Purpose is to determine if athlete is engaged in a healthy lifestyle • Sport Disqualification – Certain injuries and illnesses warrant special concern when dealing with sports – Recommendations can be made – American with Disabilities Act (1990) • Dictates that athlete makes the final decision – Potential disqualifying factors should be determined during the preparticipation exam
Injury Reports and Injury Disposition • Injury reports serve as future references • Reports can shed light on events that may be hazy following an incident • Necessary in case of litigation • All reports should be filed in the athletic training room
Treatment Log • Sign-in to keep track of services • Daily treatments can be recorded • Can be used as legal documentation in instances of litigation Personal Information Card • Contains contact information for family, personal physician, and insurance information
Injury Evaluation and Progress Notes • Injuries and progress should be monitored by athletic trainer and recorded • SOAP note format – S: Subjective (history of injury/illness) – O: Objective (information gathered during eval) – A: Assessment (opinion of injury based on information gained during evaluation) – P: Plan (short and long term goals of rehabilitation)
Supplies and Equipment Inventory • Managing budget and equipment/supplies is critically important • Inventory must be taken yearly in order to effectively replenish supplies
Annual Report • Summary of athletic training room functioning • Can be used to evaluate recommend potential changes for program • Includes number and types of injuries seen/treated Release of Medical Records • Written consent is required • Waiver must be signed for any release (include specifics of information to be released and to whom)
Computer as Tool for Athletic Trainer • Indispensable tool • Can make the job more efficient with appropriate software • Must maintain security • Can also be used for other administrative tasks
Collecting Injury Data • Accident - unplanned event resulting in loss of time, property damage, injury or death • Injury- damage to the body restricting activity • Case study- looks at specific incident of injury • Injury study falls under numerous categories – Age, gender, body part, occurrence in different sports – Contact vs. non-contact sports
• Catastrophic Injuries – 98% of injuries requiring hospital emergencies are treat and release relative to sport – Sports deaths (struck with object, heat stroke) – Catastrophic injuries also include spinal cord trauma, cardiorespiratory injuries/problems – Most injuries are related to appendages • Strains, sprains, contusions, fractures, abrasions
• Current National Injury Data-Gathering Systems – State of the art injury surveillance is still developing – Ideal situation • Epidemiological approach that studies relationship of various factors that influence frequency and distribution of injury in sport • Extrinsic factors (activity, exposure, equipement) • Intrinsic factors (age, gender, neuromuscular aspects, structural aspects…. etc) – Number of different surveillance systems in place
• Surveillance Systems – National Safety Council (general sports injury data) – Annual Survey of Football Injury Research (public school, college, professional, sandlot football injury data) – National Center of Catastrophic Sport Injury Research (Tracks catastrophic injuries in all levels of sports) – NCAA Injury Surveillance System (data collected on most major sports- ATC data collection)
– National Electronic Injury Surveillance System (Monitor injuries relative to different products -consumer safety, determine if products are hazardous or defective) – National High School Sports Injury Registry (tracks injuries in specific sports at 150 -200 high schools)


