Автогрейдеры.pptx
- Количество слайдов: 53
Автогрейдеры
Итак, автогрейдеры. Самой популярной моделью является шарнирносочлененный грейдер среднего класса массой 15. 5 тонн. Комплектуется двигателем Cummins мощностью 215 л. с. , ГМП ZF 6 WG-200, задняя тележка с самоблокирующимся дифференциалом, отвал полноповоротный. Также иногда поставляем тяжелые грейдеры с подключаемым полным приводом (гидравлическим) массой 20 тонн. По отзывам клиентов, надежность, производительность и комфорт гораздо выше, чем у отечественных при аналогичной стоимости. На фото - 4 -х-летние грейдеры с наработкой 5 -6 тыс. моточасов.
• При отделке земляного полотна дороги требуется произвести вырезание кюветов и профилирование поверхности и боковых откосов насыпи и выемок для придания этим элементам дорожного полотна необходимых поперечных и продольных уклонов. Эти работы выполняют автогрейдеры и грейдеры. Мощные автогрейдеры могут быть использованы и для возведения земляного полотна в нулевых отметках. Автогрейдеры применяют также на планировочных и вспомогательных работах и в других отраслях строительства — при сооружении площадок, профильных выемок и насыпей. В зимнее время автогрейдером очищают дороги от уплотненного снега. Автогрейдер обладает большой маневренностью и возможностью изменения углов установки отвала в горизонтальной и вертикальной плоскостях, а также может осуществлять вынос отвала в сторону.
Прицепные грейдеры, обладая теми же функциями, как и автогрейдёры, не имеют собственного двигателя и трансмиссии и работают на прицепе ва гусеничными тракторами. Прицепные грейдеры значительно уступают автогрейдерам в маневренности и производительности. Кроме основного рабочего органа — отвала и имеющегося на многих автогрейдерах кирковщика, эта машина может работать также с различными видами сменного навесного рабочего оборудования: грейдер-элеваторного, снегоочистительного и другого, будучи дешевле специализированных машин. В силу этих причин выпуск прицепных грейдеров продолжается главным образом с целью сезонного использования тракторов, но этот тип машин не является перспективным и не развивается.
Автогрейдеры можно классифицировать следующим основным признакам: • Лёгкие автогрейдеры • Машины массой до 9 тонн, используются для содержания и ремонта дорог, для обустройства придомовых территорий, при небольших объёмах работ и в стеснённых условиях. Лёгкие автогрейдеры часто выполняют двухосными.
• Средние автогрейдеры • До 14 тонн, машины такого класса самые распространённые и применяются для всего спектра предусмотренных работ. • Тяжёлые • Более 14 тонн, в основном полноприводные автогрейдеры. Используются при больших объёмах работ, когда необходимо подготовить поверхность под аэропорт или многополосную автодорогу. • В связи с быстрым развитием, в классификацию грейдеров по весу можно включить ещё два класса: • Минигрейдеры — машины, которые используются для планирования маленьких территорий, например тротуаров, а также внутри зданий. • Сверхтяжёлые автогрейдеры — применяются в основном для горнодобывающей отрасли и выпускаются очень мелкими партиями или под заказ.
Тяжёлые
• Обычно у автогрейдеров управляемыми (поворотными) являются колеса передней оси; некоторые типы автогрейдеров имеют управляемыми колеса передней и задней оси, что обеспечивает им возможность поворота со значительно меньшим радиусом и позволяет осуществлять поступательное движение, при котором колеса задней оси не движутся по окончательно отделанной поверхности дороги. Такую схему управления поворотом имеет автогрейдер Д-426. Для удобства обозначения количества ведущих осей и осей, имеющих управляемые колеса, в технической литературе часто приводятся условные обозначения: Л х Б х В, где Л — число осей с управляемыми колесами; Б—число ведущих осей; В — общее число осей машины.
• Пользуясь таким способом обозначения, для двухосного автогрейдера с двумя ведущими осями и всеми управляемыми колесами колесная схема будет обозначаться 2 х2 х2; для автогрейдера трехосного с двумя ведущими и одной управляемой осью колесная схема будет иметь вид. Машины трехосные с двумя ведущими и одной управляемой осью (1 х X 2 х 3) обладают, по сравнению с другими автогрейдерами, лучшей планирующей способностью, достаточно хорошими тяговыми качествами и способностью сохранять устойчивость заданного прямолинейного движения при наличии боковой нагрузки, например, когда отвал работает, будучи вынесенным в сторону. Такую схему ходового оборудования имеет подавляющее большинство мирового парка автогрейдеров. Автогрейдеры со всеми ведущими колесами значительно дороже и сложнее в эксплуатации, поэтому их применяют лишь в тех случаях, когда от машины требуются высокие тяговые качества в трудных грунтовых условиях.
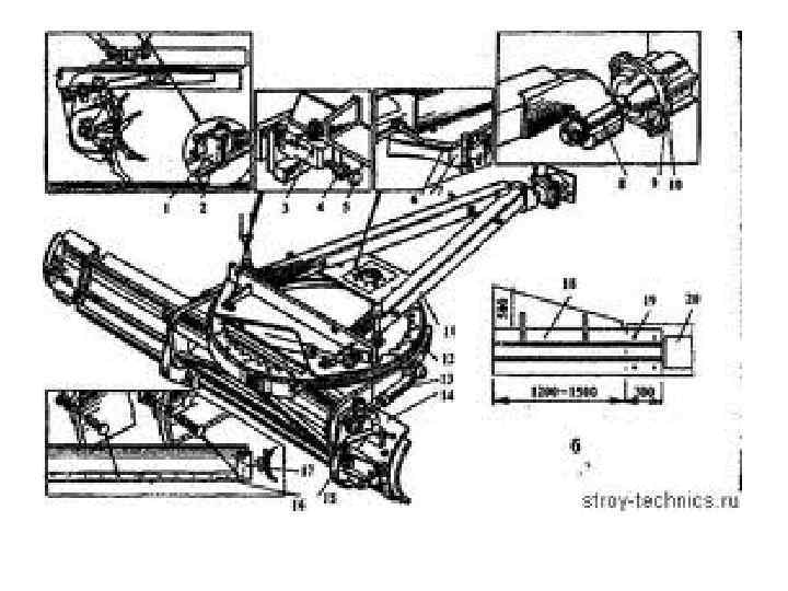
• Поперечная устойчивость автогрейдеров при боковых нагрузках достигается за счет наклона ведомых колес при помощи специального механизма. Основным рабочим органом автогрейдера является отвал с ножом; отвал имеет постоянный радиус кривизны. Практикой установлены следующие пределы изменения углов установки отвала автогрейдера: угол резании б = 30 -г-80° с интервалами перестановки в 3— 5°; угол захвата (р = 0— 180°. Применение полноповоротного механизма установки отвала в плане дает возможность работать при любом угле захвата. Рабочее оборудование автогрейдера состоит иа отвала, укрепленного на тяговой раме, и кирковщика. Все механизмы управления рабочим оборудованием приводятся карданными валами от коробки управления, установленной на колонке независимого отбора мощности. Другая модель среднего автогрейдера типа Д-426 с двигателем мощностью 110 л. с. и гидравлическим управлением. Все четыре колеса этого автогрейдера являются ведущими и управляемыми.
• Система управления колесами позволяет, например, повернуть передние и задние колеса в противоположные стороны; при этом машина будет перемещаться по дуге круга; если же передние и задние колеса повернуть в одну сторону, то машина будет двигаться поступательно под некоторые углом к своей продольной оси. Тяжелый автогрейдер типа Д-395 с механическим управлением отличается наличием трех ведущих осей. Колеса передней оси являются ведущими и управляемыми. Благодаря использованию всех колес в качестве ведущих реализуется тяговое усилие, максимально возможное при данном весе; это обеспечивает высокую производительность и хорошую проходимость машины в трудных условиях. Мощность двигателя составляет 150 л. с. , в дальнейшем мощность предполагается увеличить до 225 л. с. путем замены двигателя. Задние мосты автогрейдера подвешены к основной раме на опорных балансирах и реактивных штангах. Передний мост подвешен к передней головке рамы посредством шкворня, на котором может качаться в поперечной плоскости.
• Балансирная подвеска задних мостов и шкворневая подвеска переднего моста позволяют колесам приспосабливаться к неровностям пути при движении автогрейдера. Привод к задним мостам осуществляется карданными валами. В системе передач имеется мультипликатор с ускоряющей I и замедляющей передачами. Система передач дает возможность автогрейдеру менять скорость движения от 3, 5 до 28, 5 при восьми скоростях движения вперед и двух скоростях движения назад. В трансмиссии ходовой части имеется ходоуменьшитель, позволяющий получить еще четыре пониженные скорости движения вперед и одну назад. Привод передней ведущей оси включается при работе автогрейдера в тяжелых условиях.
• Рабочее оборудование автогрейдера состоит из отвала и кирковщика; последний может заменяться бульдозерным отвалом. Отвал присоединяется к кронштейнам поворотного круга, который смонтирован на тяговой раме, присоединенной шаровым шкворнем к основной раме в передней ее части. Тяговая рама вместе с поворотным кругом и отвалом может подниматься и опускаться при помощи двух зубчато-реечных редукторов и выноситься вправо или влево при помощи червячно-реечного механизма. Отвал вместе с поворотным кругом может поворачиваться в плане в любую сторону на 360°. Привод к редукторам управления отвалом и кирковщиком осуществляется от коробки управления с помощью карданных валов.
• Кулачковые муфты коробки управления переключаются пневматическими сервоцилиндрами, которые управляются рычагами воздухораспределителя, установленного перед водителем. Питание сжатым воздухом сервомеханизмов автогрейдера осуществляется от компрессора, приводимого от шестерни первичного вала коробки перемены передач. Сжатый воздух используете» также для управления дисковыми тормозами колес задних мостов. Автогрейдер имеет закрытую, хорошо вентилируемую и отапливаемую кабину. За последние годы в развитии конструкции автогрейдеров наметились следующие тенденции: повышение мощности двигателей без существенного увеличения веса автогрейдеров; внедрение гидромеханических трансмиссий для ходовой части машины: применение двигателей, приспособленных для работы при значительных кренах, а также в условиях низких и высоких температур и при высокой запыленности воздуха; повышение транспортной скорости автогрейдеров; автоматизация управления с целью обеспечения автоматического профилирования по заданному профилю; значительное улучшение условий работы водителя; применение шин низкого давления с централизованным. регулированием давления воздуха, подаваемого от компрессора двигателя.
• Из различных колесных схем наибольшее распространение получила схема 1 х 2 х 3, т. е. трехосная машина с двумя задними ведущими осями и с передней осью, имеющей управляемые колеса. Перспективным типажем предусматриваются следующие основные параметры автогрейдеров. Прицепные грейдеры выпускаются двух типов: к тракторам С-100 и ДТ-54 (Т-75). Они имеют ручное управление установкой отвала и поворотного" круга. Для управления прицепным грейдером, кроме тракториста, необходим второй человек — грейдерист, находящийся на грейдере, тогда как автогрейдером управляет один человек.
Двигатель С 9
2. Вынос тяговой рамы; Правый джойстик 1. Правый г-цилиндр 3. Выдвижение отвала; вправо-влево; 4. Изменение угла резания;
4. Наклон передних 6. Левый гидроцилиндр Левый джойстик колес; отвала; 1. Направление хода; 2. Скорость; 5. Складывание и 3. Рулевое управление; выравнивание полурам;
За последнее десятилетие в отечественном производстве автогрейдеров можно выделить несколько периодов. В первой половине 2000 -х годов российские компании, специализирующиеся на выпуске автогрейдеров, переживали не лучшие времена. В 1999 году производство, достигнув планки 1746 единиц, в течение последующего ряда лет неуклонно снижалось и в 2004 году упало до 847 единиц. Потом дела пошли в гору. Пик – 1364 автогрейдера – пришелся на 2008 год. Увы, уровня 1999 года достичь тогда так и не удалось (не говоря уже о золотых годах советского периода, когда ежегодно с конвейеров отечественных заводов сходило по несколько тысяч машин данного типа). Кризисный 2009 год проверил изготовителей автогрейдеров на прочность. Было очень тяжело, но, к счастью, никто не сломался. Суммарно выпуск автогрейдеров в 2009 году упал вдвое по сравнению с 2008 годом и составил 659 единиц. Следует отметить, что двукратное падение объемов производства в сегменте автогрейдеров на фоне всеобщего многократного обвала рынка СДМ (в 5 -10 раз и более) выглядело не столь катастрофичным. Дела у каждого из отдельно взятых предприятий обстояли по-разному. Наименьшие потери в борьбе с кризисом понес завод «Брянский арсенал» Группы ГАЗ. В 2009 году выпуск здесь снизился всего на 37% и составил 423 машины. А вот другой изготовитель автогрейдеров, также входящий в состав Группы ГАЗ – челябинский завод «ЧСДМ» , – пострадал в наибольшей степени. Производство на нем упало в 3, 5 раза, составив 116 единиц. Основной конкурент предприятий Группы ГАЗ – орловский завод «Дормаш» – выпустил в 2009 году 118 грейдеров, что в 2, 4 раза меньше, чем в 2008 году. Ситуация на брянском заводе «Ирмаш» никак не повлияла на общее состояние рынка грейдеров – выпуск данного вида техники для этого предприятия не является профилирующим, и даже в лучшие
годы он был единичным. По причине неравномерного спада на каждом из рассматриваемых предприятий в 2009 году произошло перераспределение долей рынка. У Брянского арсенала доля выросла с 49 до 64%, у остальных предприятий доли соответственно снизились. В 2010 году в России отмечен 43%-ный рост производства автогрейдеров по сравнению с предыдущим годом. Суммарный выпуск составил 943 машины. Таким образом, производство вышло на уровень 2003 года. Если изготовители сумеют нарастить выпуск еще на 43%, то к концу 2011 года будет достигнут результат 2008 года. Станет ли это действительностью?
• • • • • Лидером в минувшем году, как и в прежние годы, стал Брянский арсенал: и по абсолютному объему выпуска – 559 единиц, и по величине рыночной доли – 59%. Поскольку падение объемов на этом предприятии в 2009 году оказалось минимальным, рост в 2010 году был умеренным – 30%. Таким образом, отставание от уровня 2008 года в прошлом году составило относительно небольшую величину – 20%. У другого газовского производителя – ЧСДМ – прирост к уровню 2009 года составил 50%. Завод выпустил 175 грейдеров. Так что до докризисного показателя 2008 года предприятию придется нарастить обороты более чем вдвое. Наибольший темп роста в 2010 году отмечен у завода «Дормаш» – 70% (изготовлено 199 машин). До уровня 2008 года заводу предстоит увеличить выпуск на 43%.
Рекордсмены Самый большой из когда-либо созданных в мире грейдеров — Acco Grader итальянской компании Umberto Acco Company. Был выпущен в единственном экземпляре. Первоначально «рекордсмена» построили для экспорта в Ливию. Однако из-за действовавших в то время ограничений на торговлю с Ливией машину так и не доставили заказчику, да и после победы революции Каддафи последняя предпочла преимущественно советские машины ДЗ. В итоге она до сих пор работает в Италии. Весит Acco Grader 160 тонн, имеет два двигателя Caterpillar, суммарная мощность которых составляет 1700 л. с. Мотор на 1000 л. с. находился в задней части машины, на 700 л. с. — в передней .
Классификация по мощности двигателя • Наиболее часто применяется в странах СНГ, по ГОСТ 11030 -93 автогрейдеры делятся: • класс 100: 66, 2. . . 88, 2 к. Вт; • класс 140: 88, 9. . . 117, 6 к. Вт; • класс 180: 118, 4. . . 147 к. Вт; • класс 250: больше 147, 8 к. Вт и выше.
Грейдер ГС-0. 01 • Класс100 Эксплуатационная масса, кг 7500 Двигатель. Д-243 Мощность двигателя, к. Вт58. 7 Скорость двиижения, км/ч1, 97 -35
Грейдер ГС-14. 02 • Класс140 Эксплуатационная масса, кг 13500 Двигатель. ЯМЗ-236 Мощность двигателя, к. Вт110 Скорость двиижения, км/ч4, 1 -34, 2
Грейдер ГС-18. 05 • Класс180 Эксплуатационная масса, кг 15775 Двигатель. ЯМЗ-236 Д 4 Мощность двигателя, к. Вт130 (175)Скорость двиижения, км/ч3, 2 - 40
Грейдер ГС-25. 09 • Класс250 Эксплуатационная масса, кг 17300 Двигатель. ЯМЗ-236 БЕ 2 Мощность двигателя, к. Вт176 (240)Скорость двиижения, км/ч4 -38
Грейдер ДЗ-98 В • Класс250 Эксплуатационная масса, кг 19800 Двигатель. ЯМЗ-238 НДЗМощность двигателя, к. Вт173 Скорость двиижения, км/ч3, 5 -46


