AL_-_31STN_2003.ppt
- Количество слайдов: 37
АЛ - 31 СТН Презентационные материалы Кафедра «Турбины и двигатели» УГТУ УПИ
Общее описание двигателя Двигатель АЛ 31 СТН предназначен для привода ротора нагнетателя газоперекачивающего агрегата (ГПА). В качестве топлива для двигателя используется природный газ. Конструктивно двигатель выполнен в виде двух модулей: модуля газогенера тора (ГГ) и модуля силовой турбины (СТ). ГГ двигателя, разработанный на базе авиационного двухконтурного турборе активного двигателя, выполнен по двухвальной схеме. Модули ГГ и СТ собраны на отдельных рамах. При стыковке модулей их рамы соединяются болтами, образуя единую раму, являющуюся основным элементом силовой схемы двигателя. Задний фланец ГГ жестко крепится к переднему фланцу СТ. Управление и регулирование двигателя производится системой автоматического управ ления и регулирования (САУ и Р). Газодинамическая устойчивость компрессора обеспечивается регулируе мыми ВНА и направляющими аппаратами двух первых ступеней девятиступенчатого компрессора высокого давления, а при запуске двигателя выпуском избытка воздуха за четырехступенчатым компрессором низкого давления в атмосферу через клапан перепуска воздуха до набора заданной частоты вращения ротора КНД Поворотные лопатки направляющих аппаратов КВД изменяют углы установки линейно в зависимости от частоты вращения ротора КВД. Поворот лопаток НА КВД производится с помощью агрегата управления механизацией компрессора. Управление НА КВД и клапаном перепуска воздуха осуществляется гидроцилиндрами по командам САУи. Р. Масляная система двигателя одноконтурная, циркуляционного типа, предназначена для охлаждения и смазки подшипников, зубчатых передач двигателя, выноса продуктов износа трущихся деталей на фильтры откачки. Она обеспечивает непрерывную подачу в двигатель масла с заданными параметрами и возврат его в маслобак. Двигатель оснащен датчиками первичной информации и комплектом агрегатов, обеспечивающими управление двигателем по командам электронной части САУ и Р.
Работа двигателя При запуске газовый стартер через ЦКП раскручивает ротор высокого давления ГГ. Атмосферный воздух через входное устройство ГПА поступает в компрессор двигателя. В промежуточном корпусе за КНД воздух разделяется на два потока наружный и внутренний. Поток воздуха внутреннего контура поступает в КВД, где происхо дит его дальнейшее сжатие. Из КВД сжатый воздух поступает в кольцевую, камеру сгорания (для изделий серий: 15 – Z – 28; 16 – Z – 56 низкоэмиссионную), где разделяется на первичный и вторичный потоки. Первичный поток сжатого воздуха смешивается в жаровой трубе с топ ливным газом, подаваемым форсунками. Образовавшаяся смесь сгорает при по стоянном авлении, в результате чего образуются продукты сгорания с высокой д температурой. Воспламенение смеси топливного газа с воздухом в жаровой трубе при запуске производится двумя запальными устройствами. Вторичный поток воздуха обтекает стенки камеры сгорания, постоянно подмешивается через смесительные отверстия в жаровой трубе к продуктам сгорания и формирует заданное температурное поле перед турбиной. Часть вторичного потока воздуха направляется на охлаждение эле ментов турбины. Кинетическая энергия продуктов сгорания при расширении на рабочих лопатках турбин высокого и низкого давления преобразуется в механическую работу вращения роторов высокого и низкого давления. ТВД приводит во вращение ротор КВД, а ТНД ротор КНД. Смесь продуктов сгорания, имеющая достаточную кинетическую энер гию, после ТНД поступает в силовую турбину, которая через выходной вал с полумуфтой приводит во вращение ротор нагнетателя ГПА. Воздушный поток из наружного контура охлаждает корпуса камеры сгорания и турбины ГГ.
Внешний вид двигателя АЛ 31 СТН серии 16
Продольный разрез модуля газогенератора двигателя АЛ 31 СТН серии 15 А – входной корпус Б – корпус с форсунками В – корпус ВНА Г – корпус КНД задней опоры ротора ТНД Д – промежуточный корпус компрессора задней опоры ротора ТВД Е – передний корпус наружного контура Ж – средний корпус наружного контура И – задний корпус наружного контура К – корпус термопар 1 – насос откачки 2 – входной направляющий аппарат 3 – ротор КНД 4 – шариковый подшипник задней опоры ротора КНД 5 – модуль ЦКП 6 – ротор КВД 7 – НА IX ступени КВД 8 – камера сгорания 9 – клапан перепуска воздуха 15 – вал ротора ТНД 10 – ротор ТВД 16 – вал ротора ТВД 11 – ротор ТНД 17 – шариковый подшипник передней опоры ротора КВД 12 – роликовый подшипник 18 – роликовый подшипник передней опоры ротора ТНД задней опоры ротора ТНД 19 – рессора 13 – роликовый подшипник 20 – привод агрегатов конический задней опоры ротора ТВД 21 – роликовый подшипник передней опоры ротора КНД 14 – воздухо – воздушный теплообменник 22 – КОК
Продольный разрез модуля силовой турбины двигателя АЛ 31 СТН
Компрессор двигателя осевой, двухкаскадный, тринадцатиступенчатый, регулируемыми направляющими аппаратами компрессора высокого давления (входной НА, НА I и II ступеней). В модуль компрессора входят: Узел компрессора низкого давления (КНД); Узел компрессора высокого давления (КВД). Управление механизацией КВД осуществляет система автоматического управления и регулирования двигателем (САУи. Р). На входе в компрессор установлен корпус с бобышками под форсунки для промывки газовоздушного тракта двигателя. Работа компрессора В компрессоре двигателя механическая энергия вращения ротора преобразуется в энергию сжатия воздуха (повышение давления) и в его перемещение по газовоздушному тракту. Процесс сжатия воздуха в двигателе происходит последовательно в четырех ступенях КНД и в девяти ступенях КВД, и состоит из ряда протекающих процессов сжатия в отдельных ступенях. КНД состоит из входного направляющего аппарата, четырех ступеней и спрямляющего аппарата на выходе. КВД состоит из входного направляющего аппарата, девяти ступеней и спрямляющего аппарата на выходе, причем входной, первый и второй аппараты регулируемые. Спрямляющие аппараты установлены за последней ступенью для обеспечения осевого выхода потока. Регулируемые направляющие аппараты предназначены для создания требуемого угла натекания потока на разных режимах работы двигателя. Воздух, поступающий на вход в двигатель, попадает на лопатки входного направляющего аппарата КНД, который предназначен для создания требуемого угла натекания потока на первое рабочее колесо. Лопатки рабочих колес КНД и КВД вращаются за счет привода соответственно от ТНД и ТВД, увеличивают момент количества движения и энергию проходящего через них воздуха, вследствие чего возрастает его скорость и давление. Попадая на рабочие лопатки, воздушному потоку вследствие вращения ротора, сообщается кинетическая энергия, которая преобразуется в энергию давления при прохождении потока по диффузорным каналам между рабочими лопатками. Для направления потока воздуха на рабочие лопатки, за рабочими колесами располагаются направляющие аппараты. В направляющих аппаратах расположенных после рабочих колес, в диффузорных каналах давление воздуха возрастает. Сжатый в компрессоре воздух поступает в кольцевую камеру сгорания и частично в систему отбора воздуха.
КОМПРЕССОР ДВИГАТЕЛЯ АЛ-31 СТН
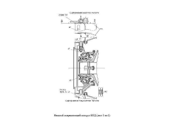
КНД из ротора 2 и статора 3. В состав статора входят: • корпус под форсунки 23, стальной, имеет бобышки (23 шт. ) под форсунки системы промывки проточной части; • входной направляющий аппарат 1; • кок 21, состоящий из двух обечаек, образующих полость, через которую поступает горячий воздух из за седьмой ступени КВД; • передняя опора 19 КНД; • корпус проставка 5 стальной, с горизонтальным разъемом; • корпус 6 первой, второй, третьей ступеней НА КНД, стальной с горизонтальным разъемом, с пазами Т образной формы для крепления лопаток НА КНД; • направляющие аппараты первой, второй, третьей ступеней, состоящие из паянных секций направляющих лопаток 7, 8, 9 и внутренних полуколец 1, 2, 3. На корпусах статора над рабочими лопатками ротора, а также на внутренних полукольцах направляющих аппаратов нанесена спецсмесь. Входной направляющий аппарат 1 является силовым элементом газогенератора. В состав ВНА входят: • наружное кольцо 35; • ступица 34; • стойки 1. . . 23. Наружное кольцо 35 с обечайкой коллектора 36 образуют полость, в которую через отверстия в бобышках 24 подается горячий воздух из за VII ступени КВД к стойкам и коку (система ПОС). Стойки 1… 23 с закрылками 51 образуют единый аэродинамический профиль. Через семь стоек проходят трубопроводы: • в стойке 1 суфлирования масляной полости; • в стойке 5 подвода масла; • в стойке 8 откачки масла; • в стойках 14, 17, 21 суфлирования предмасляной полости; • в стойке 11 слива масла. В ВНА смонтированы: • передняя опора КНД 19 ; • откачивающий маслонасос 20; • кок 21. Передняя опора закреплена на заднем фланце ступицы ВНА и состоит из корпуса 28 роликоподшипника, лабиринтного уплотнения 45, крышек 43 и 44 лабиринтного уплотнения. Корпус роликоподшипника 28 составляют наружный и внутренний корпуса. Упруго подвижная передняя часть корпуса связана с неподвижным фланцем ступицы упругими перемычками «А» . Перетекания масла через жиклеры упругого кольца 47 в полостях между корпусами гасят радиальные колебания ротора. Система лабиринтных уплотнений предотвращает попадание масла в проточную часть при работе газогенератора. Корпуса статора имеют окна 11 осмотра лопаток КНД. Окна закрыты резьбовыми пробками 10. Ротор барабанно дисковой конструкции, опирается передней цапфой 1 на роликовый, а задней цапфой 13 на шариковый подшипники. В барабане ротора за диском первой ступени имеются отверстия «А» для подвода воздуха из проточной части компрессора во внутреннюю полость ротора для разгрузки осевых сил, действующих на ротор компрессора. Рабочие лопатки в дисках установлены в замках «ласточкин хвост» . В диск первой ступени установлены тридцать семь рабочих лопаток, в диск второй ступени сорок пять, в диск третьей ступени пятьдесят семь и в диск четвертой ступени сорок три рабочих лопатки. Болты 14 служат для осевой фиксации в замках рабочих лопаток первой ступени. Осевая фиксация лопаток второй, третьей и четвертой ступеней производится стопорными кольцами 16. Болты 14 одновременно являются балансиро вочными грузиками. От ротора осуществляется привод откачивающего маслонасоса передней опоры.
Статор КНД
Ротор КНД
Компрессор высокого давления КВД состоит из статора 6 и ротора 7. В состав статора КВД входят: • промежуточный корпус компрессора 5; • корпус ВНА и первой ступени 1; • корпус второй и третьей ступеней 5; • задний корпус 7 с кольцевой полостью коллектором отбора воздуха из за седьмой ступени, образованной обечайкой 12 и корпусом; • ВНА 2 с поворотными двухопорными лопатками; • девять НА (3, 4, 6, 8, 9, 10, 11, 13, 14). Корпуса 1, 5, 7 имеют продольный разъем. Лопатки ВНА, НА первой и второй ступеней поворотные консольные. Направляющие аппараты с третьей по восьмую ступени нерегулируемые. Выходной НА КВД 14 выполнен двухрядным. Поворот лопаток ВНА, НА первой и второй ступеней осуществляется гидроцилиндрами через приводные кольца 35 и систему рычагов 31 по командам от САУи. Р. В кольцевом зазоре в НА седьмой ступени имеются прорези наружного кольца, а в корпусе 7 отверстия отбора воздуха на нужды ГПА, для разгрузки подшипников опор СТ и в систему противообледенения ГТД (ПОС). Корпуса статора имеют окна осмотра лопаток КВД. Окна закрыты пробками. Промежуточный корпус является основным элементом силовой схемы газогенератора. В промежуточном корпусе воздух, поступающий из КНД, делится на два потока: наружного и внутреннего контуров. Промежуточный корпус титановый, состоит из обода 21 и опорного обода 18, соединенных стойками 1. . . 12. К стойкам приварено разделительное кольцо 23. В промежуточном корпусе установлены: выходной НА КНД 19, задняя опора ротора КНД 17, передняя опора ротора КВД 25, центральный конический привод 24. Обод 21 имеет фланцы: к переднему крепится выходной НА КНД 19, к заднему проставка наружного контура 26 и передний корпус наружного контура. В пазах обода установлены стойки 1. . . 12. Снаружи обода размещены: два узла крепления газогенератора 15 к силовой раме, две подвески крепления КПА. Имеются фланцы: крепления редуктора датчиков РНД, блока откачивающих насосов, трубопроводов масляной системы и системы наддува опор. Стойки промежуточного корпуса полые. Через стойку 1 проходит вертикальная рессора 20, соединяющая ЦКП с КПА, и осуществляется слив масла. Полости стоек 2 и 12 служат для суфлирования предмасляных полостей задней опоры КНД и передней опоры КВД. Внутри стойки 3 проходят: трубопровод подвода масла к подшипникам задней опоры ротора КНД, передней опоры ротора КВД и к подшипникам ЦКП, трубопровод откачки масла из полости промежуточного корпуса. Через стойку 7 осуществляется суфлирование масляной полости. Полости стоек 8 и 9 служат для наддува уплотнений опор КНД и КВД. Через стойку 11 проходит рессора привода редуктора датчиков РНД. Разделительное кольцо 23 имеет двенадцать вырезов под стойки корпуса. Внутренним фланцем кольцо 23 крепится к корпусу ВНА и первой ступени статора КВД, а наружным к экрану наружного контура. Выходной НА КНД 19 состоит из наружного кольца, двух рядов лопаток и внутреннего кольца. Фланцами на наружном и внутреннем кольцах выходной НА крепится к промежуточному корпусу. Задняя опора 17 ротора КНД воспринимает суммарную осевую нагрузку от роторов КНД и ТНД, а также радиальную нагрузку от ротора КНД. В ее состав входят: корпус подшипника, шариковый подшипник, лабиринтное уплотнение 28, крышки 31 лабиринтного уплотнения и вал КНД 42. В задней опоре смонтирован привод редуктора датчиков РНД. Суфлирование предмасляной полости осуществлено через трубопровод и втулки 43. Подвод воздуха в полости наддува масляных уплотнений производится через два трубопровода 45. Вал 42 имеет два ряда внутренних шлиц: передний для зацепления со шлицами задней цапфы 30 ротора КНД; задний для соединения роторов КНД и ТНД через рессору 40. Роторы КНД и ТНД соединены стяжной трубой 37. На валу закреплена гайкой ведущая шестерня 41 привода редуктора датчиков РНД. Передняя опора 25 ротора КВД воспринимает суммарную осевую и радиальную нагрузки от роторов КВД и ТВД. В переднюю опору входят: корпус подшипника; шариковый подшипник; крышки лабиринтных уплотнений 33, 34, 35. Демпфирование шарикоподшипника обеспечено деформацией изгиба упругого кольца 39 и сопротивлением колебаниям ротора, которое возникает от выдавливания масляной пленки из одной полости в другую через жиклеры упругого кольца 39.
Статор КВД без промежуточного компрессора
Ротор КВД
Камера сгорания Z 28 Двигатель АЛ 31 СТН конструктивно может быть выполнен как с камерой сгорания Z -28, так и с низкоэмиссионной камерой сгорания Z -56. Общие сведения Камера сгорания двигателя АЛ – 31 СТН кольцевая, состоит из наружного корпуса, внутреннего корпуса и жаровой трубы с топливными форсунками. Камера сгорания расположена между компрессором и турбиной газогенератора и предназначена для подвода тепла к рабочему телу в результате сгорания топлива и повышения температуры газа. Описание Камера сгорания Z – 28 кольцевая, состоит из наружного корпуса 1 внутреннего корпуса 9 и жаровой трубы 5. Корпус КС и корпус промежуточный образуют со стенками жаровой трубы кольцевые каналы, по которым воздух из компрессора высокого давления поступает в жаровую трубу. Топливный газ подается в КС через двадцать восемь индивидуальных топливных форсунок 16 из топливного коллектора 11. Воспламенение топлива в КС осуществляется системой зажигания. Запальные устройства и топливный коллектор размещены на корпусе КС.
Камера сгорания Корпус КС Корпус элемент силовой схемы газогенератора. Передняя часть корпуса образует кольцевой диффузор, в котором снижается скорость воздуха, поступающего в КС из КВД. Корпус состоит из наружного 1 и внутреннего 9 корпусов, соединенных полыми стойками 14. На семи стойках имеются кронштейны 13 для крепления жаровой трубы к корпусу КС. На переднем фланце внутреннего корпуса 9 укреплены крышки лабиринтного уплотнения разгрузочной полости. Передний фланец наружного корпуса 1 КС крепится к заднему фланцу корпуса КВД, а задний фланец к переднему фланцу промежуточного корпуса. На наружном корпусе над полыми стойками 14 выполнен коллектор 17 для отвода воздуха из думисной полости. На наружном корпусе крепится топливный коллектор 11 подвода топливного газа к форсункам 16. Жаровая труба 5 предназначена для сжигания топливовоздушной смеси и формирования поля температур газа на входе в турбину. Жаровая труба состоит из блоков точеных секций, соединенных между собой сваркой. Фронтовая часть жаровой трубы образована кольцевой обечайкой 12 с двадцатью восемью цилиндрическими камерами смешения 3, с лопаточными завихрителями 2, подвижно установленными на входе в камеры смешения. Для обеспечения процесса горения во фронтовой части жаровой трубы под воздухозаборниками 4 имеются ряды отверстий подвода воздуха. Камеры смешения 3 служат для подготовки топливовоздушной смеси, поступающей в жаровую трубу. Формирование поля температур на выходе из КС осуществляется воздухом, поступающим через четыре ряда отверстий 6, расположенных на смесительной части жаровой трубы. Для охлаждения стенок жаровой трубы на ее секциях имеются кольцевые щели 10, в которые через отверстия поступает воздух, образующий заградительную пелену вдоль стенок. На внутреннюю поверхность жаровой трубы нанесено жаростойкое покрытие. Для компенсации взаимных перемещений от тепловых воздействий жаровая труба крепится к кронштейнам 13 стоек 14 радиальными штифтами 15. Компенсацию взаимных перемещений жаровой трубы с сопловым аппаратом ТВД осуществляет телескопическое соединение по фланцам 8.
Низкоэмиссионная камера сгорания двигателя АЛ 31 СТН 1 – наружный корпус 2 – внутренний корпус 3 – жаровая труба 4 – первый топливный коллектор 5 – второй топливный коллектор 6 – третий топливный коллектор 7 – корпус промежуточный 8 – стойка 9 – кронштейн 10 – думисный коллектор 11 – окно осмотра коллектора 12 – окно осмотра жаровой трубы 13 – модули гомогенизаторы 16 – смесительные отверстия 17 – радиальный штифт 18 – фланцы 19 – кронштейн 20 – радиальный штифт 21 – пластинчатый замок
Низкоэмиссионная камера сгорания Z 56 Низкоэмиссионная камера сгорания Z -56 – кольцевая, состоит из наружного корпуса 1, внутреннего корпуса 2 и жаровой трубы 3 и трех топливных коллекторов 4, 5 и 6. Корпус КС и корпус промежуточный 7 образуют со стенками жаровой трубы кольцевые каналы, по которым воздух из компрессора высокого давления поступает в жаровую трубу. Воспламенение топлива в КС осуществляется системой зажигания. Запальные устройства установлены на корпусе КС. Корпус КС Корпус – элемент силовой схемы газогенератора. Передняя часть корпуса образует кольцевой диффузор, в котором снижается скорость воздуха, поступающего в КС из КВД. Корпус состоит из наружного 1 и внутреннего 2 корпусов, соединенных полыми стойками 8. На семи стойках имеются кронштейны 9 для крепления жаровой трубы к корпусу КС. На переднем фланце внутреннего корпуса 2 укреплены крышки лабиринтного уплотнения разгрузочной полости. Передний фланец наружного корпуса 1 КС крепится к заднему фланцу корпуса КВД, а задний фланец – к переднему фланцу промежуточного корпуса. На наружном корпусе над полыми стойками 8 выполнен коллектор 10 для отвода воздуха из думисной полости. На корпусе КС имеется окно 11 для осмотра фронтового устройства и топливных коллекторов, а на корпусе промежуточном окно 12 для осмотра жаровой трубы. Жаровая труба 3 предназначена для сжигания топливовоздушной смеси и формирования поля температур газа на входе в турбину. Жаровая труба состоит из набора точеных секций, соединенных между собой сваркой. Фронтовая часть жаровой трубы содержит пятьдесят шесть модулей – гомогенизаторов 13. Модули – гомогенизаторы предназначены для смешения воздуха и топлива, подаваемые в дежурные и основные горелки. Формирование поля температур на выходе из КС осуществляется воздухом, поступающим через два ряда отверстий 16, расположенных на смесительной части жаровой трубы. На ее оболочках имеются кольцевые щели, в которые через отверстия поступает воздух, образующий заградительную пелену вдоль стенок. На внутреннюю поверхность жаровой трубы нанесено жаростойкое покрытие. Для компенсации взаимных перемещений от тепловых воздействий жаровая труба крепится к кронштейнам 9 стоек 8 радиальными штифтами 17. Компенсацию взаимных перемещений жаровой трубы с сопловым аппаратом ТВД осуществляет телескопическое соединение по фланцам 18. Топливные коллекторы 4 и 5 крепятся к кронштейнам 19 жаровой трубы семью радиальными штифтами 20. Штифты 20 контрятся пластинчатым замком 21.
Низкоэмиссионная камера сгорания двигателя АЛ 31 СТН
Промежуточный корпус Корпус промежуточный соединяет корпуса камеры сгорания, соплового аппарата ТВД, обод ТНД и является составной частью внутреннего контура газогенератора. Через корпус промежуточный осуществляется подача воздуха из магистрали за КВД в ВВТ и подача охлажденного воздуха из ВВТ на охлаждение ТВД. Корпус 1 представляет собой двухстеночную сварную конструкцию, содержащую внутреннюю 8 и внешнюю 9 силовые оболочки, среднюю перегородку 12, передний 10, и задний 11 фланцы крепления к корпусам КС и ободу ТНД соответственно и проставку 13 с прямоугольным пазом для соединения с заходной частью наружного кольца соплового аппарата ТВД. Конструкция корпуса 1 формирует две коллекторные полости: • Входную полость 16; • Выходную полость 17. В коллекторную полость 16 воздух поступает из полости камеры сгорания по отверстиям 14 и далее через два передних патрубка 2 направляется в ВВТ. В коллекторную полость 17 охлажденный в ВВТ воздух поступает в два задних патрубка 3, и далее по отверстиям 15 направляется на охлаждение ТВД.
Промежуточный корпус
Турбина газогенератора Общие сведения Турбина газогенератора предназначена для отбора энергии от сжатого и нагретого газа и преобразования ее в механическую энергию вращения ротора компрессора. Турбина газогенератора выполнена по двухвальной схеме и состоит из: • турбины высокого давления (ТВД), в состав которой входит сопловой венец ТВД 1 и ротор ТВД 19; Опора ТВД 5 выполнена совместно с сопловым венцом ТНД и состоит из обода ТНД 6, сопловых блоков ТНД 8 (11 блоков по 3 лопатки в каждом) и внутреннего кольца 4 с корпусом подшипника 23. Сопловые блоки ТНД 8 установлены в обод ТНД по посадочным пояскам и зафиксированы в осевом направлении стопорным кольцом 9 и сотовыми вставками ТНД. Внутреннее кольцо 4 связано с ободом ТНД с помощью одиннадцати спиц 7 и прорезных пружин 22, установленных для компенсации тепловых деформаций. Сопловые лопатки пустотелые, охлаждаемые, дефлекторные. Описание турбины газогенератора Сопловой аппарат ТВД 1 состоит из наружного кольца, блоков сопловых лопаток 2 (14 блоков, по три лопатки в каждом блоке) и внутреннего кольца с аппаратом закрутки 18. Сопловые блоки крепятся к наружному кольцу винтами, внутреннее кольцо зафиксировано на цапфах сопловых блоков, аппарат закрутки крепится к внутреннему кольцу винтами. Сопловые лопатки пустотелые, двухполостные, дефлекторные, охлаждаемые. Ротор ТВД 19 состоит из диска ТВД 20 с рабочими лопатками 3 (90 шт. ), напорного кольца 17 и носка ТНД 25. Диск 20 имеет фланцы для крепления вала КВД 21 и носка ТВД 25, на ободе диска выполнены «ёлочные» пазы для установки рабочих лопаток. Рабочие лопатки ТВД 3 – литые, пустотелые с циклонным охлаждением входной кромки, с выпуском воздуха на корыто, с вихревой матрицей в остальной части лопатки для организации внутреннего охлаждения и выпуском воздуха через выходную кромку. Ротор ТНД 11 состоит из диска ТНД 12 с рабочими лопатками 10 (90 шт. ), подкачивающего кольца и вала ТНД 24. На ободе диска выполнены «ёлочные пазы» для установки рабочих лопаток. Рабочие лопатки ТНД литые, пустотелые с внутренним штырьковым охлаждением, с бандажными полками. На фланце с задней стороны диска установлен вал ТНД 24, который служит для передачи крутящего момента на компрессор низкого давления. На правом конце вала установлен опорный роликоподшипник 27 ротора ТНД. В состав опоры ТНД 13 входит корпус опоры и корпус подшипника. Корпус опоры состоит из наружного корпуса 14 и внутреннего кольца, соединённых 11 ю стойками 15. Также в состав опоры входит экран опоры с 11 ю обтекателями 16 стоек 15. Внутри силовых стоек размещены трубопроводы подвода и откачки масла, суфлирования масляной и предмасляной полостей. Внутри опоры установлен масляный коллектор 28, подающий масло на подшипники в опорах ТВД и ТНД. С задней стороны опоры турбины установлены две крышки масляного картера 29, снабженные теплоизоляцией из минерального волокна. Схема охлаждения турбины газогенератора двигателя АЛ 31 СТН приведена на рисунке 9. 2. Воздух на охлаждение СА и рабочих лопаток ТВД отбирается из вторичной зоны камеры сгорания (вторичный воздух КС). Отбираемый за КВД из вторичной зоны камеры сгорания воздух, охлаждается в ВВТ и поступает на охлаждение опоры ТВД, СА ТНД, РЛ ТНД, на наддув предмасляных полостей (воздух от ВВТ). На наружной поверхности пера лопаток нанесено покрытие, защищающее материал от коррозии. Воздух системы наддува опор – отбирается за IV ступенью КНД (при оборотах N 2 76…. . 78 %) или за VII ступенью КВД (при оборотах N 2 76… 78 %) и предназначен для наддува предмасляных полостей. • турбины низкого давления (ТНД), в состав которой входит опора ТВД 5 (выполненная совместно с сопловым венцом ТНД) и ротор ТНД 11; • опоры турбины 13. Ротор ТВД служит для привода компрессора КВД, а ротор ТНД – для привода компрессора КНД.
Узел турбины газогенератора
Схема охлаждения
Наружный контур Общие сведения Наружный контур внешняя оболочка газогенератора, образует с корпусами КВД, КС, промежуточным и турбины проточную часть наружного контура. На наружном контуре установлены клапан перепуска воздуха сверху и ВВТ снизу. Наружный контур. Описание Наружный контур входит в силовую схему газогенератора и состоит из переднего корпуса 3, среднего корпуса 4, заднего корпуса 5, корпуса подвески 6 и корпуса термопар 7. Передний корпус 1 конической формы имеет продольный горизонтальный разъем, фланцы окон осмотра лопаток КВД, фланцы отбора воздуха на обогрев ГПА, наддув заднего думиса СТ, ПОС ГТД, наддув ПМП СТ и другие, а также бобышки крепления агрегатов и коммуникаций. Средний корпус 4 конической формы, имеет вертикальный продольный разъем, фланцы подвода газа к КС, фланцы установки запальных устройств, замеров давления и температуры на входе в КС, окна осмотра коллекторов камеры сгорания. Задний корпус 5 цилиндрической формы. На корпусе имеются фланцы магистралей подвода и отвода воздуха к ВВТ, фланцы установки клапана перепуска и теплообменника, окна осмотра лопаток турбины, фланцы подвода и отвода масла, суфлирования опоры турбины, бобышки крепления агрегатов и коммуникаций, фланцы установки кожухов защиты выводов ЗУ, окна осмотра камеры сгорания. Корпус подвески 6 кольцевая перегородка между задним корпусом и корпусом термопар разъединяет проточную часть наружного контура и внутреннюю полость корпуса термопар. Корпус имеет по внутреннему диаметру цилиндрическую втулку, на которую монтируются шесть узлов подвески 9. В кольцевой перегородке корпуса выполнено шесть отверстий под установку трубопроводов думисного воздуха. В верхней части стыка заднего корпуса, корпуса подвески и корпуса термопар установлен кронштейн 8 для производства такелажных работ. Связь корпусов наружного и внутреннего контуров может быть также выполнен в виде узла , состоящего из 4 х пар упоров 1 и опор 2, расположенных по окружности. На стенке корпуса подвески (вид А) упоры 1 крепятся болтами М 8. Дополнительно от смещения при осевых и вибрационных нагрузках работающего двигателя, упоры 1 подкреплены болтами 3 (М 8), которые устанавливаются в сухари 4, приваренные к стенке корпуса подвески. Опоры 2 устанавливаются и крепятся на корпус турбины газогенератора. Упоры 1 и опоры 2, установленные без зазора по плоскости В, воспринимают крутящие моменты от внутреннего контура к наружному и одновременно обеспечивают осевые и радиальные взаимные перемещения контуров. Корпус термопар 7 цилиндрической формы; на корпусе имеются фланцы для термопар, датчика давления, труб воздушных коммуникаций. В нижней части корпуса термопар при выполнении монтажных и демонтажных работ крепится технологическая опора газогенератора. Фланцы систем отбора воздуха на корпусе 3 соединены с фланцами на корпусе КВД двухшарнирными элементами 10.
Наружный контур
Связь наружного и внутреннего контуров
Клапан перепуска воздуха КНД Клапан перепуска воздуха служит для перепуска части воздуха из за КНД в атмосферу при запуске и останове газогенератора, обеспечивая устойчивую работу компрессора. Клапан установлен на заднем корпусе наружного контура. Он состоит из корпусов 1 и 2 и сферической поверхности на выходе для стыковки с трубой отвода перепускаемого воздуха. В клапане имеется тарелка 4 в форме диска с уплотнительным фторопластовым кольцом 5 по наружному диаметру. Ось вращения «А» клапана расположена под углом к плоскости тарелки клапана, что обеспечивает уплотнение без разрыва по окружности. Поворот клапана из закрытого положения в открытое осуществляется гидроцилиндром 6 через рычаг. Выдвинутое положение штока гидроцилиндра соответствует открытому клапану, втянутое закрытому. Открытие закрытие клапана контролируется показаниями датчика угла поворота 10. Гидроцилиндр и датчик угла поворота крепятся к корпусу клапана на кронштейнах 8, 9.
Воздухо воздушний теплообменник Воздухо – воздушный теплообменник (ВВТ) пластинчатого типа, входит в систему охлаждения газогенератора и предназначен для снижения температуры воздуха, направляемого на охлаждение ТВД и ТНД из магистрали за КВД. В качестве охладителя используется воздух из наружного контура за КНД. ВВТ установлен на фланце наружного контура в нижней части газогенератора.
Схема воздухо воздушного теплообменника
Силовая турбина Общие сведения Силовая турбина (СТ) – осевая, трехступенчатая, работает на перепаде давления и температуры газа, поступающего из турбины газогенератора и предназначена для привода нагнетателя природного газа газоперекачивающего агрегата. Описание СТ Силовая турбина состоит из: • ротора 34; • корпуса сопловых аппаратов 6; • передней опоры 1; • задней опоры 16; • промежуточного вала 27 с полумуфтой 25. Ротор СТ с газогенератором имеет только газодинамическую связь. Ротор СТ 34 состоит из трех дисков 36, 35, 32 и двух цапф 37 и 30, стянутых призонными болтами 33. Передача крутящего момента и центровка дисков осуществляется «хиртовым» соединением (торцевыми шлицами). Передней цапфой 37 ротор опирается на роликовый подшипник 38, задней цапфой 30 – на роликовый подшипник 29. Осевые нагрузки от ротора передаются на шариковый подшипник 28. На наружной поверхности задней цапфы 30 имеются шлицы для передачи крутящего момента на промежуточный вал 27, а также замковое устройство для фиксации промежуточного вала в осевом направлении. В каждом из трех дисков установлено по 109 рабочих лопаток. Рабочие лопатки 5, 10, 14 закреплены в дисках замками «ёлочного типа» . От осевого перемещения лопатки зафиксированы контровочными пластинами. Для снижения динамических напряжений лопатки снабжены бандажными полками. Для уменьшения перетечек газа на передней и задней цапфах, первом и третьем дисках, бандажных полках рабочих лопаток, а также проставках 8, 12 между дисками ротора имеются гребешки лабиринтных уплотнений. Корпус сопловых аппаратов 6 имеет вертикальный разъем для осмотра и ремонта проточной части СТ путем частичной разборки. Сопловые аппараты I ой и III ей ступеней состоит из 68 лопаток, II ой из 60. Лопатки сопловых аппаратов крепятся консольно, (отдельными лопатками) в кольцевые пазы корпуса СА. Нижние полки лопаток соплового аппарата 4 образуют кольцевую поверхность для контакта с уплотнительными кольцами 2 передней опоры. Нижние полки лопаток сопловых аппаратов 9, 13 образуют пояса лабиринтных уплотнений с проставками ротора СТ, для чего имеют сотовые вставки. Между рядами сопловых лопаток, в кольцевые пазы корпуса СА вставляются сотовые надроторные вставки 7, 11, 15, которые формируют лабиринтные уплотнения по периферии рабочих лопаток СТ. В корпусе СА имеются окна для осмотра рабочих лопаток СТ с помощью эндоскопа. Окна осмотра закрыты заглушками 43, 44, 45, 46. Крепление корпуса СА к передней и задней опорам осуществляется фланцами с помощью болтов. Передняя опора 1 состоит из: • наружного корпуса 3; • двух кольцевых обечаек, образующих диффузор для подвода газа от газогенератора; • корпуса подшипника 39, связанного с наружным корпусом шестью силовыми стойками. В диффузоре силовые стойки закрыты профилированными обтекателями. Через внутренние полости обтекателей выводятся наружу масляные и воздушные коммуникации передней опоры. На наружном корпусе смонтировано два такелажных кронштейна.
Силовая турбина Задняя опора 16 состоит из наружного 19 и внутреннего 17 корпусов, связанных между собой восемью профилированными силовыми обтекателями 18. На наружном корпусе 19 смонтировано два такелажных кронштейна, а также три узла крепления силовой турбины к раме. Для подсоединения газоотводного канала на наружном корпусе выполнен цилиндрический пояс 20. К переднему фланцу внутреннего корпуса 17 крепится корпус подшипников 31. В нем установлены шариковый и роликовый подшипники 28 и 29. К фланцу внутреннего корпуса 17 крепится корпус конический 21, через который передаются нагрузки на заднюю опору от роликового подшипника 26, установленного в корпусе подшипника промежуточного вала 23 с гидродемпфером. К корпусу подшипника промежуточного вала 23 сзади крепится крышка 24 с цилиндрическим поясом для стыковки с газоотводным каналом. Корпус подшипников задней опоры 31, проставка 22 и корпус подшипника промежуточного вала 23 образуют внутри задней опоры масляную полость. Коммуникации масляной и воздушной систем выведены из внутреннего корпуса через силовые обтекатели. На полумуфте 25 крепится индуктор датчиков частоты вращения, а сами датчики крепятся на кронштейне. Работа СТ Процесс работы силовой турбины по части газодинамики аналогичен процессу работы турбины газогенератора (описание смотри в подразделе 9. 3). Энергия отобранная в СТ от горячего газа, поступающего в нее от турбины газогенератора, преобразуется в механическую энергию вращения ротора силовой турбины. Ротор силовой турбины через полумуфту ГПА приводит во вращение ротор нагнетателя природного газа.
Силовая турбина
Система наддува опор двигателя Общие сведения Система наддува опор (СНО) предназначена для предотвращения ухода масла из опор газогенератора (ГГ) и силовой турбины (СТ) через газовоздушный тракт. Это обеспечивается созданием в предмасляных полостях (ПМП) избытка давления относительно масляных полостей опор. Уровень давлений в ПМП согласован с системой суфлирования масляных полостей. СНО входит в общую газовоздушную схему двигателя и по параметрам связана с системами балансировки осевых сил роторов и охлаждения узлов двигателя. Описание СНО Опоры КНД и КВД газогенератора и опоры силовой турбины выполнены по трехполостной схеме, одной из которых является масляная полость. Две другие полости выполняют функции полостей наддува и суфлирования. Все полости между собой и газовоздушным трактом разделены лабиринтными уплотнениями. Схемы подачи и течения воздуха для опор различны: в опорах КНД и КВД полости наддува, отделены от предмасляных полостей лабиринтом; а суфлируется воздух из предмасляных полостей; в передней опоре СТ воздух подается в предмасляную полость и из неё же суфлируется. Предмасляная полость отделена от газовоздушного тракта лабиринтом ; в задней опоре СТ воздух подаётся в предмасляную полость, а суфлируется из полости, отделённой от предмасляной полости и газовоздушного тракта лабиринтами; в опоре турбины ГГ осуществлён подвод воздуха непосредственно к масляным лабиринтам в ПМП, откуда также осуществляется его суфлирование в тракт за СТ. Для поддержания необходимого перепада давлений на лабиринтных уплотнениях между предмасляными и масляными полостями газогенератора на режимах малого газа и низких частот вращения установлены клапаны суфлирования – КСК и КСТ; переключатель наддува – КПН. Работа СНО Воздух от КНД подаётся в полости наддува (опоры КНД и КВД) или в предмасляные полости (опоры СТ). Дополнительно для наддува опор воздух поступает из полости за ВНА КВД, междисковой полости турбины и полости за диском ТНД газогенератора. В опорах воздух распределяется , попадая в системы суфлирования масляной полости и СНО, и газовоздушный тракт. Из газогенератора воздух суфлируется через КСК и КСТ, из силовой турбины – трубопроводами без клапанов. Объединённым трубопроводом воздух подаётся в газовый тракт за СТ. Клапаны КПН , КСК, КСТ поддерживают давление в предмасляных полостях опор ГГ на дроссельных режимах работы изделия. Клапаны КСК и КСТ нормально закрыты. Начало открытия клапанов при перепаде давления на них 0, 25… 0, 30 кгс/см 2. Максимальное открытие клапанов при перепаде 0, 40… 0, 45 кгс/см 2.
Система наддува опор двигателя
AL_-_31STN_2003.ppt