4 SCADA в АСУТП.pptx
- Количество слайдов: 50
1 SCADA в АСУТП Общие понятия. Структура.
2 Современное производство Задачи Решения Технико-экономическое планирование Плановые показатели производства на продолжительные отрезки времени (месяц, квартал) Календарное планирование Конкретные планы текущей работы производства Оперативное управление всем производством с целью ликвидации возникших внешних и внутренних возмущений.
3 • АСУП – общие вопросы автоматизации организации и управления производством • АСТПП и САПР - Технологическая подготовка производства по отраслям ГПС • АСУТП – управление технологическими процессами
4 • Технологический объект – совокупность технологического оборудования и реализованного на нем производственного процесса. • Главная задача АСУТП – оптимизация технологических процессов в соответствии с заданными критериями эффективности (наибольший экономический эффект, охрана здоровья и сохранение окружающей среды).
5 Определение АСУТП • АСУТП - это система, которая на базе высокоэффективной вычислительной и управляющей техники обеспечивает автоматизированное (автоматическое) управление технологическим комплексом с использованием централизованно обработанной информации по заданным технологическим и технико-экономическим критериям, определяющим качественные и количественные результаты выработки продукта, и подготавливает информацию для решения организационно-экономических задач.
6 Отличие АСУ от САУ • Наличие в АСУ в контуре управления человека-оператора (диспетчера). • Возможность выполнения дополнительных функций, благодаря использованию современных компьютерных технологий.
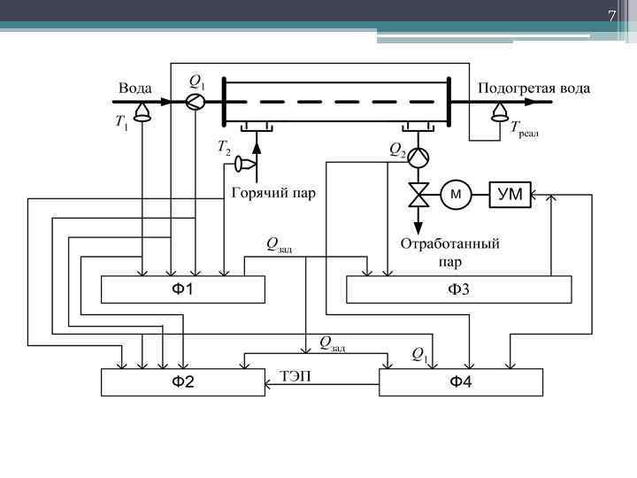
7
8 Приемы управления ТП • Стабилизация заданных значений параметров ТП при различных возмущениях. • Изменение параметров ТП по заранее подготовленной на специальном программном носителе программе, включая управление технологическим циклом. • Автоматическая оптимизация ТП во время выполнения заданной производственной программы и в соответствии с заданными критериями эффективности.
9 Классификация АСУТП По виду функций, для реализации которых предназначены АСУТП, можно предложить следующую классификацию: • Информационно-измерительные системы. • Информационно-управляющие системы в режиме советчика. • АСУТП в режиме супервизорного управления. • АСУТП в режиме непосредственного цифрового управления (НЦУ)
10 Информационно-измерительные системы § предназначены для сбора и выдачи информации о состоянии объекта управления.
11 Информационно-управляющие системы в режиме советчика • На основании информации о параметрах технологического процесса, производится расчет оптимальных условий ведения технологического процесса. • Результаты расчета - советы по управлению представляются оператору-технологу либо в печатном виде, либо высвечиваются на информационном табло. • Оператор управляет процессом, изменяя уставки регуляторов или выполняя другие действия в соответствии с рекомендациями, вырабатываемыми АСУ. • УВМ работает в разомкнутом контуре управления
12 АСУТП в режиме супервизорного управления • Задача - поддержание процесса вблизи оптимальной рабочей точки путем оперативного воздействия на него. • Значения управляющих воздействии выдаются не оператору, а преобразуются в форму, удобную для изменения настроек регуляторов. • На УBM возлагаются расчеты по оптимизации управления, которые выполняются периодически. • УВМ работает в замкнутом контуре управления.
13 АСУТП в режиме непосредственного цифрового управления (НЦУ) • Сигналы, используемые для приведения в действие управляющих органов на объекте, поступают непосредственно от АСУ. • На вычислительные средства АСУ возлагаются такие функции как реализация различных законов регулирования, связей между отдельными контурами - многосвязного регулирования, управления по возмущению, адаптивного управления. • Для формирования сигналов, воздействующих на управляющие органы, вычислительный комплекс АСУТП включает в себя устройства связи с объектом. • Оператор в системе НЦУ должен иметь возможность изменять уставки, контролировать некоторые избранные переменные, варьировать диапазоны допустимого изменения измеряемых параметров процесса и т. д. через пульт оператора-технолога.
14 Основные функции АСУ Информационно-вычислительные функции: • сбор, первичная обработка и хранение информации; • косвенные измерения параметров процесса и состояния технологического оборудования; • сигнализация состояний технологических параметров и оборудования; • контроль и регистрация отклонений параметров технологического процесса от заданных; • анализ срабатывания блокировок и защит технологического оборудования; • диагностика и прогнозирование технологического процесса; • диагностика и прогнозирование состояния комплекса технических средств; • оперативное отображение информации и рекомендации по ведению ТП и управлению технологическим оборудованием;
15 Основные функции АСУ Управляющие функции: • однотактное логическое управление (выполнение блокировок, защит и т. п. ); • регулирование отдельных параметров ТП; • каскадное регулирование; • многосвязное регулирование; • дискретное управление технологическими процессами и оборудованием; • оптимальное управление установившимися и неустановивши-мися режимами; • адаптивное управление. Дополнительные функции АСУТП: • подготовка информации для вышестоящих и смежных систем и уровней управления (регистрация простоя оборудования, причин аварии, времени ремонта и т. п. ); • расчёт технико-экономических и технических показателей.
16 Разновидности структур АСУТП • Функциональная структура (ФС) • Алгоритмическая структура (АС) • Техническая структура (ТС) • Информационная структура (ИС) • Организационная структура (ОС)
17 Функциональная структура (ФС) определяет класс целей, для достижения которых проектируется АСУТП. В ФС можно выделить следующие подсистемы: • -подсистема сбора и первичной обработки информации, предназначенная для опроса аналоговых, дискретных датчиков с обработкой и анализом информации об объекте управления; • подсистема управления и выдачи управляющих воздействий; • подсистема формирования сводных показателей; • подсистема регистрации и анализа производственной ситуации.
18 Алгоритмическая структура (АС) представляет собой совокупность алгоритмов и условий их работы.
19 • Техническая структура (ТС) представляет собой комплекс технических средств в виде отдельных модулей и блоков, предназначенных для реализации функций АСУТП. На этой структуре указываются связи между блоками и приводится, в случае необходимости, поясняющий текст. • Информационная структура (ИС) связывает подсистемы АСУТП с транспортными средствами, вспомогательными механизмами и, в случае использования нестандартных блоков указывает уровни сигналов на входах и выходах этих блоков для согласования со стандартным оборудованием. • Организационная структура (ОС) – совокупность правил и инструкций, устанавливающих нормы работы персонала и комплекса технических средств по управлению технологическим оборудованием в нормальных, предаварийных и аварийных режимах.
20 Характеристики технологического процесса как объекта контроля и управления • Непрерывный процесс – процесс, в котором конечный продукт вырабатывается, лишь пока подводятся сырьё, энергия, катализаторы, управляющие воздействия и пр. (например, процесс нефтепереработки). • Периодический процесс – процесс, в котором в течение относительно короткого промежутка времени производится определенное, ограниченное количество конечного продукта. Примерами могут быть такие процессы, как доменный процесс выплавки чугуна, процесс получения определенного вида лекарств и т. п. • Дискретный процесс – процесс изготовления и испытания деталей, узлов и готовых изделий. Конечный продукт состоит из набора компонент, качество которых нужно контролировать так, чтобы конечный продукт – результат сборки отвечал заданным стандартам (сборка телевизора, автомобиля и пр. ).
21 Функции АСУТП как последовательность отдельных процессов Процесс ввода характеризуется: • числом и видом каналов; • периодом или математическим ожиданием частоты опроса каналов; • допустимым временем задержки ввода по одному каналу; • требуемой точностью представления данных. Процесс обработки характеризуется: • временем использования процессора для реализации операции ввода; • периодом или математическим ожиданием вызова параметров; • объемом памяти, занимаемым программами обработки и подготовки для вывода; • временем использования процессора для реализации вывода; • видами обработки; • временем обработки одного параметра, которое может быть оценено по объему памяти, занимаемому программами обработок, и производительности процессора, используемого в УВК. Вывод обработанных данных (аналоговых, дискретных, символьных) на объект управления и оператору характеризуется: • объемом выводимой информации; • допустимым временем задержки устройств; • объемом памяти программ вывода; • периодом или математическим ожиданием интервала между выводами.
22 Комплекс технических средств подсистемы сбора и первичной обработки информации.
23 Принципы компоновки • датчики D 1, …, Dn, предназначенные для сбора информации о технологических параметрах одной физической природы. • датчики D 1, …, DN существенно удалены от ПК, но измеряют сигналы различной физической природы. • датчики третьей-й группы, расположенные вблизи ПК и предназначенные для измерения технологических параметров различной физической природы. • П - преобразователи физической величины в ток для 1 -ой и 2 -й группы и в напряжение для 3 -й. • Н 1 - нормализатор 1 -го типа для смещения уровня сигнала датчика в заданный диапазон измерения. • Н 2 - нормализатор 2 -го типа - устройство для преобразования тока в напряжение. • Н 3 - нормализатор для компенсации холодного спая термопар, для компенсации нелинейности характеристик датчиков. • Ф - аппаратные RC-фильтры, предназначенные для устранения радиопомех и помех промышленной частоты.
24 Выбор модулей подсистемы сбора и первичной обработки аналоговых сигналов Различают требования: • - по техническим характеристикам, среди которых можно выделить требования к точности и быстродействию применяемых устройств; • - по эксплуатационным характеристикам, главным из которых является требование по надежности; • - по технико-экономическим характеристикам, обуславливающим требования по стоимости.
25 ПОДСИСТЕМА УПРАВЛЕНИЯ ТЕХНОЛОГИЧЕСКИМ ПРОЦЕССОМ • цели управления технологическим процессом (ТП) • критерии оценки эффективности работы АСУ, • перечень управляющих функций • потребность в информационном обеспечении для формирования управляющих воздействий.
26 Структура локальной системы управления СП - сервопривод, РО - регулирующий орган, Д датчик регулируемой переменной, ТП технологический процесс, УУ - управляющее устройство, вырабатывающее сигнал управления в соответствии с заданным или выбранным алгоритмом.
27 История создания SCADA § Дистанционный мониторинг небольшого числа параметров (обычно одного-двух). § Для отображения текущего состояния системы тогда использовались «имитационные стены» (оперативность «приближающаяся к реальному времени» ) • • • водоснабжение и водоочистка, сбор производственных и ливневых сточных вод, регулирование паводков и дренаж, энергоснабжение, добыча и транспортировка нефти, транспортировка природного газа,
28 Развитие SCADA Основные стимулы развития SCADA-систем: • Желание операторов иметь более полный и качественный контроль над распределёнными процессами. • Стремление руководства сокращать и регулировать расходы. Рост расходов : • Электроэнергия; • рабочая сила (штат «операторов на колесах» ).
29 • От арендованных телефонных линий к радиосвязи • От аналога к цифре • Человеко-машинные интерфейсы
30 Современные SCADA
31 Характеристики SCADA-систем • Автоматизированная разработка, позволяющая создавать ПО системы автоматизации без реального программирования; • Средство сбора первичной информации от устройств нижнего уровня; • Средство управления и регистрации сигналов об аварийных ситуациях; • Средство хранения информации с возможностью ее последующей обработки; • Средство обработки первичной информации; • Средства визуализации представления информации в виде графиков, гистограмм и т. д.
32 Функциональные возможности • Разработка архитектуры системы автоматизации в целом. На этом этапе определяется функциональное назначение каждого узла системы автоматизации. • Решение вопросов, связанных с возможной поддержкой распределенной архитектуры, необходимостью введения узлов с "горячим резервированием" и т. п. • Создание прикладной системы управления для каждого узла. На этом этапе специалист в области автоматизируемых процессов наполняет узлы архитектуры алгоритмами, совокупность которых позволяет решать задачи автоматизации. • Приведение в соответствие параметров прикладной системы с информацией, которой обмениваются устройства нижнего уровня (например, программируемые логические контроллеры - PLCs) с внешним миром (датчики температуры, давления и др. ) • Отладка созданной прикладной программы в режиме эмуляции и в реальном режиме.
33 Технические характеристики SCADA • Программно-аппаратные платформы, на которых реализована SCADA-система • Имеющиеся средства сетевой поддержки • Встроенные командные языки • Поддерживаемые базы данных • Графические возможности
34 Эксплуатационные характеристики • Удобство использования • Наличие и качество поддержки (услуги фирмы-разработчика; обслуживание региональными представителями фирмыразработчика; взаимодействие с системными интеграторами) • Русификация
35 Оценка стоимости инструментальных систем • Стоимость системы (может зависеть от количества переменных, используемых в разрабатываемой прикладной программе, от количества каналов ввода/вывода, которые должна поддерживать система и т. д. ) • Стоимость освоения системы • Стоимость сопровождения или "стоимость владения « (рыночная надёжность фирмы-дистрибутора, стоимость коммуникаций с фирмой-поставщиком, «время реакции» поставщика на проблемы покупателя, степень открытости, адаптируемости и модернизируемости продукта) • Стоимость разработки прикладных систем • Стоимость окупаемости SCADA-систем
36 Популярные SCADA-системы, имеющие поддержку в России SCADA-система: Фирма-изготовитель: Страна: Factory-link United States DATA Co. США In. Touch Wonderware США Genesis Iconics США Real. Flex BJ. Software. Systems США Sitex Jade Software Англия i. Fix Intellution США Trace Mode Ad. Astra Росиия IGSS Seven Techniloges Дания Image Технолинк Россия Infinity Suite Эл. Еси Россия RSView Rockwell Software Inc. США
37 Интегрируемость. Управление информационным пространством Оперативность Полнота Затраты на подготовку данных ? ? ? Достоверность Затраты на обмен данными Проблемы: локальная автоматизация, информационные барьеры
38 Управление информационным пространством
Infinity Server TM 120 Trends OPC DA Mod. Bus OPC DA HMI OPC DA History Server OPC DA Alarm Server Сторонние системы МЭК Ethernet CAN
40 Состав SCADA • • • ОРС-сервер Модуль алармов Модель трендов Человеко-машинный интерфейс Сервер истории Модуль построения отчетов
41 Инструментальные средства Infinity. Factory Infinity. SCADA Infinity. Application. Ser ver Infinity. Server Infinity. ETL Infinity. History. Serv er Infinity. Reports Infinity. HMI Infinity. Indicato rs Infinity. Trends Infinity. Interco m Infinity. Web. Serv er Infinity. Alarms Решения Infinity. History. Play er Infinity. Solutions Infinity. Power Infinity. Lab Infinity. Storage Infinity. LDS
Структура (состав) проекта Модель предприятия включает в себя: Линейный участок Резервуарный парк Насосноперекачивающая станция
Пользователю предоставляется несколько мнемосхем, на которых с разной степенью детализации отображается информация о технологическом процессе. Насосно. Перекачивающая Резервуарный Основная схема Линейный станция парк участок Навигация между мнемосхемами осуществляется посредством панели, которая располагается в нижней части экранных форм.
Резервуарный парк Возможность устанавливать различные режимы работы резервуаров (наполнения, откачки и др. )
Насосная станция Возможность включать и отключать агрегаты.
Линейный участок Возможность открывать и закрывать задвижки резервуаров, насосных агрегатов и линейной части.
Ошибки Обо всех событиях пользователь уведомляется текстовыми и звуковыми сообщениями, а так же меняется цвет аварийного объекта. Окно оперативных сообщений, отображающее текстовые сообщения является обязательной частью автоматизированного рабочего места. Реализованы механизмы защиты оборудования от разрушения; при нарушении технологии оборудование отключается. Резервуары защищаются от перелива и откачки ниже нормативного уровня.
Проект содержит две экранные формы: с основной схемой и с линейным участком.
Спасибо за внимание!
4 SCADA в АСУТП.pptx